- 您的位置:
- 标准下载网 >>
- 标准分类 >>
- 公共安全行业标准(GA) >>
- GA 674-2007 警用服饰丝织胸徽
标准号:
GA 674-2007
标准名称:
警用服饰丝织胸徽
标准类别:
公共安全行业标准(GA)
标准状态:
现行出版语种:
简体中文下载格式:
.zip .pdf下载大小:
5.54 MB
点击下载
标准简介:
GA 674-2007.Accessories for police uniform-Silk breast insignia.
1范围
GA 674规定了警用服饰-丝织胸徽的要求、试验方法、检验规则及标志包装、运输与贮存。
GA 674适用于以涤纶低弹丝机织,贴衬及锁边等工艺生遮的警用服饰一丝织胸徽的生产、检验、验收与订购。
2规范性引用文件
下列文件中的条款通过不标准的引用而成为本标准的条款。且是注日期的引用文件,其随后所有的修改单(不包括勘误的内容或修订版均不适用于本标准,然而,就励根据本标准达成协议的各方研究是否可使用这些文件的最新版本。凡是不注日期的引用文件,其最新版本道用于本标准。
GB/T 3921. 3-1997纺织品色牢度试验耐洗色牢度 :试验3(eqv is0 106-C03 : 1989)
GB/T 6543-1瓦楞纸箱
GB/T 6836-1997涤纶缝纫线(neq JISD2511; 1980)
GB/T 8427+099纺织品色牢度试验耐人造光色牢度 :氙弧(eqv ISQ 105302 :1994)
GB/T 144662001涤纶低弹丝
GJB 3840-1098包装用塑料基压敏胶粘带
FZ/T 64009-2000非 织造热熔粘合衬布
GA 272-2001警用服饰胸徽
JSB39--1993军用锦丝起绒搭拍带
QB/T 3811-100塑料打包带
3要求
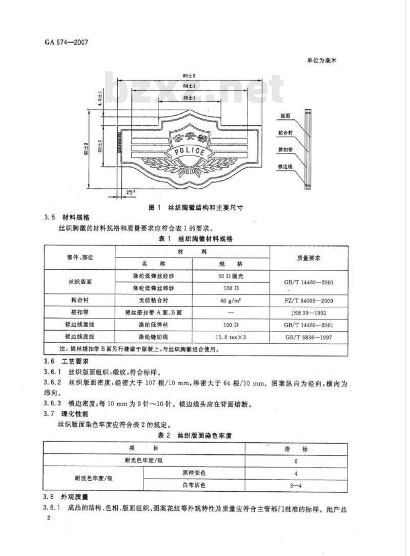
3.1结构
丝织胸徽的结构由丝织成面、无综5合村锦丝搭扣带A面(均面)顺边线构成。见图1。锦丝搭扣带B面(环面)轮廓尺动入面轮廓尺寸小1 mm.另行缝维于服装光,与缓织胸徽组合使用。
3.2 尺寸
丝织胸徽的主要尺寸按图上的规定。胸敏主体尺寸应按GA 272 -2001中图1的比例缩放。
部分标准内容:
中华人民共和国公共安全行业标准GA674—2007
警用服饰
丝织胸徽
Accessories for police uniform-Silk breast insignia2007-01-18发布
中华人民共和国公安部wwW.bzxz.Net
2007-05-01实施
本标准的全部技术内容为强制性。前
警用服饰一丝织胸徽是与99式警服配套使用的。本标准由公安部装备财务局提出。本标准由公安部特种警用装备标准化技术委员会归口。本标准起草单位:公安部装备财务局被装处、总后军需生产技术研究所。本标准主要起草人:孙莉莉、高军。本标准为首次发布。
GA674-—2007
1范围
警用服饰
丝织胸徽
GA674—2007
本标准规定了警用服饰一丝织胸微的要求、试验方法、检验规则及标志、包装、运输与贮存。本标准适用于以涤纶低弹丝机织、贴村皮锁边等工艺生庭的警用服饰一丝织胸徽的生产、检验、验收与订购。
2规范性引用文件
下列文件中的条款通达不标罹的引用而成为本标准的条款。的修改单(不包括勘误的内
凡是注日期的引用文件,其随后所有或修订版均不适用于本标准,热而,数励根据本标准达成协议的各方研究是否可使用这些文件的
GB/T3921.3
GB/T6543-
GB/T6836
GB/T8427
版本。凡是不注日期的引用文件,其最新版本道用于标准。纺织品
瓦楞纸箱
色年度试验耐洗色牢度:试验3(eqv涤纶缝纫线(neqJ1S02511.1980)SO105-C03:1989)
纺织品色牢度试验耐人适光色牢度:氙弧(egvISC105B02:1994)GB/T144662001
涤纶低弹丝
GJB3840-
包装用塑料基压敏胶粘带
FZ/T64009
非织造热熔粘合衬不
GA272-200
警用服饰胸徽
军用锦丝起绒搭热
JSB39—1993
QB/T3811-
3要求
3.1结构
塑料打包带
丝织胸徽的结构由丝
质面、无纺粘合礼锦丝搭扣带A面(面)颖边线构成。见图1。锦丝搭扣带B面(环面)轮廊尺比面轮廊尺小m另行髓复于服装,与织胸微组合使用。3.2尺寸
丝织胸徽的主要尺寸按图的规定,胸微主体尺寸应接GA2722001中图1的比例缩放。3.3图案
3.3.1丝织胸徽正面图案由盾牌、地区名称如“北京”》或部门名称(如“公安部”)字样、带“POLICE”字样的飘带、兰道杠及橄榄枝组成,见图1。3.3.2地区名称有:北京、上海、天津、重庆、黑龙江、吉林、辽宁、内蒙古、河北、新疆、陕西、山西、宁夏、青海、甘肃、四川、西藏、贵州、河南、湖北、湖南、山东、江苏、浙江、安徽、广东、海南、云南、江西、广西、福建。
3.3.3部门名称有:公安部、公直等。3.3.4地区名称和部门名称字体为隶书,“POLICE为黑体。3.4颜色
盾牌边框、地区名称或部门名称字样、飘带、三道杠和橄榄枝为银白色(荧光漂白色),其余为藏蓝色。锁边线、锦丝搭扣带A面与版面额色一致。锦丝搭扣带B面颜色与服装颜色相同。1
GA674—2007
3.5材料规格
2°8-5
POLICE
图1丝织胸徽结构和主要尺寸
丝织胸徽的材料规格和质量要求应符合表1的要求。表1丝织胸微材料规格
部件、部位
丝织版面
粘合村
搭扣带
锁边线面线
锁边线底线
涤纶低弹丝经纱
涤纶低弹丝纬纱
无纺粘合衬
锦丝搭扣带A面、B面
涤纶低弹丝
资纶缝纫线
50D圆光
40g/m2
11.8texx3
注:锦丝搭扣带B面另行缝缀于服装上,与丝织胸微组合使用。3.6工艺要求
纬向。
丝织版面组织:缎纹,符合标样。版面
粘合村
搭扣带
锁边线
单位为毫米
质量要求
GB/T14460—2001
FZ/T64009—-2000
JSB39—1993
GB/T14460—2001
GB/T6836—1997
丝织版面密度:经密大于107根/10mm,纬密大于64根/10mm。图案纵向为经向,横向为锁边密度:每10mm为9针~10针。锁边线头应在背面熔断。3.6.3
理化性能
丝织版面染色牢度应符合表2的规定。表2丝织版面染色牢度
耐光色牢度/级
耐洗色牢度/级
3.8外观质量
原样变色
白布沾色
成品的结构、色相、版面组织、图案花纹等外观特性及质量应符合主管部门批准的标样。批产品与标样的色相应一致。
3.8.2成品版面应饱满、规整、平展、清洁,图案清晰,不允许有明显变形。3.8.3成品不得有断经、断纬、浮纱、丝线散头、油污丝、烫焦等缺陷。3.8.4粘合牢固,锁边完整、紧密,轮廊清晰,均匀对称。3.8.5背面线头长度不得超过2mm。正面不允许有线头。4试验方法
4.1外观检验
4.1.1检验条件
GA674—2007
在天然散射光线或无反射光的白色透射光线下进行,光的照度不得低于3001x(相当于40W日光灯下距离500mm处的光照度)。
4.1.2检验方法
对结构、图案、版面组织、颜色和外观的检验,以目视观感和手感检验,并与主管部门批准的标样比照检验。
4.2尺寸检验
尺寸的检验用精度为0.5mm的量具检验。4.3工艺检验
4.3.1丝织版面密度的检验在成品上进行,检验三个样本所得的平均值。4.3.2锁边密度的检验在成品上检验。4.4理化性能检验
4.4.1耐光色牢度的检验,按GB/T8427—1998的规定执行。4.4.2耐洗色牢度的检验,按GB/T3921.3—1997的规定执行。5检验规则
5.1检验分类
检验分为型式检验和交收检验。5.2型式检验
5.2.1在下列情况之一时,应进行型式检验:a)当材质,工艺和承制方变化时;b)产品首次生产、停产一年后恢复生产时;定期或累计一定产量后应周期性的检验;c)
交收检验结果与上次型式检验有较大差异时;主管部门提出检验时。
5.2.2型式检验的检验项目、要求和试验方法按表3的规定。5.3交收检验
5.3.1交收产品时,对交收批采用随机抽样的方法,对抽取的样本进行交收检验。5.3.2交收检验的检验项目、要求和试验方法按表3的规定。表3检验项目、要求和试验方法
检验项目
试验方法
型式检验
交收检验
GA674—2007
检验项目
外观质量
耐光色牢度
耐洗色牢度
表3(续)
试验方法
注:为必检项目:O为抽检项目(对该项有疑义时)。5.4
组批和抽样
5.4.1组批规则
以同一批原料、同-
抽样规则
型式检验
类物和同一种生产工艺制造的丝织胞微为检验批型式检验的轴检数量为5枚;
交收检验来负
上,抽取106
交收检验
随机抽样方法5万枚以下,抽取25校,5万枚10万枚,抽取50枚,10万枚以进行表312#
5、7、8项检验
缺陷分类
每枚丝织胸
检验项目
图案和颜色
理化性能
制作外观质量
4、6项检验,合格后从样本中随机抽取5枚进行表3中第在的缺陷按对使用性能、外观影响程度分为,轻缺陷和重缺陷两类,见表4。表4缺陷分类
尺寸超差≤100%,
尺于超差>100%
1m处观察,圖需和颜色与标梯
对比,有不明显券异
1m处观察,图家
和颜色与标样对比,有明显差装科不符合要求
清光色年度不待合要求
耐洗色年度不符合要求
制娠外观质量超出规定,但不明显,不影角使用制作处观质量超出规定,明显,影响使用注1:本表未包括的缺陷,可参照上述相似缺陷菌情定性注2:出现与本标准要求严重不符的缺陷,视为重缺陷。5.6判定规则
5.6.1合格判定
轻缺陷
重缺陷
型式检验时,全部样品的各检验项目结果符合要求;或每个样品中存在不超过2个轻缺陷,无a)
重缺陷,则判定为合格;
交收检验时,全部样品的各检验项目结果符合要求,或合格产品(每个样品中存在不超过2个b)
轻缺陷,无重缺陷)占全部样品的95%(含95%)以上,无理化性能重缺陷,则判该批产品合格。5.6.2
不合格判定
型式检验时,单个样品存在超过2个以上轻缺陷,或出现重缺陷,则判定为不合格;GA.674-2007
交收检验时,合格产品(每个样品中存在不超过2个轻缺陷,无重缺陷)占全部样品的95%以b)
下,或出现理化性能重缺陷,则判定该批产品不合格。6标志、包装、运输与贮存
6.1标志
纸箱外两侧面均应标注如下内容:a)产品名称;
b)数量;
c)重量;
体积(长×宽×高);
承制方名称;
生产日期;
g)产品标准号。
在两端面标注“警用品”》“注意防潮”字样。纸箱外标志一律采用累态产品名称和生产日期为黑体字,其杂为宋体守。印刷布局应合理,字新款
的大小适宜。字迹应清
6.2包装
6.2.1每枚丝织胸数装售
小透明塑料袋,每50枚装人
2000枚)装人一纸箱织胸徽水平放置。大透明塑料袋,每40大透明塑料袋(共6.2.2纸箱质量符GB/T6543——1986中不低于2类双瓦楞纸箱的规定。6.2.3每个纸箱代时产品合格证,注明产品名称、数量、承制方名称、包装日期检验人员等内容。6.2.4若用对口,在纸箱上下各垫放一张瓦榜纸垫。纸箱上下口盖对接处应使用宽55mm~60mm的胶粘带解单粘贴后胶粘带折下纸箱棱边应不低子50mm。胶粘带质量应待合GJB3840—R
1999的规定。
6.2.5捆扎纸箱使用PP12008J塑料打包带,捆成“#”字型,捆扎应严紧牢固打包带质量应符合QB/T3811—199的规定。
6.3运输与贮存S
6.3.1运输、贮存得露天存放。
注意防潮,不得日晒雨淋。搬运、装卸过程中不得抛摔。6.3.2存包装件请应通风干燥,库内相对湿度不得超过80%5
GA674-2007
中华人民共和国公共安全
行业标准
警用服饰丝织胸徽
GA674—2007
中国标准出版社出版发行
北京复兴门外三里河北街16号
邮政编码:100045
网址spc.net.cn
电话:6852394668517548
中国标准出版社秦皇岛印刷厂印刷各地新华书店经销
开本880X12301/16印张0.75字数11千字2007年4月第一次印刷
2007年4月第一版
书号:155066·2-17535定价14.00元如有印装差错由本社发行中心调换版权专有侵权必究
举报电话:(010)68533533
小提示:此标准内容仅展示完整标准里的部分截取内容,若需要完整标准请到上方自行免费下载完整标准文档。
标准图片预览:





- 热门标准
- GA公共安全标准
- GA563-2009 警服 春秋执勤服
- GA407.1-2003 进口机动车制造厂品牌名称代码 第1部分:制造厂各称代码
- GA470-2004 法庭科学DNA数据库现场生物样品和被采样人信息项及其数据结构
- GA899-2010 大型焰火燃放作业单位资质条件及管理
- GA300.1-2001 看守所在押人员信息管理代码 第1部分:看守所编码
- GA/T368-2001 入侵报警系统技术要求
- GA40-2004 交通事故案卷文书
- GA385-2002 火灾声和/或光警报器
- GA/T704.15-2007 出入境管理信息代码 第15部分:中国机读护照证件名称及种类代码
- GA/T704.11-2007 出入境管理信息代码 第11部分:入出境人员乘坐交通工具类型代码
- GA473-2004 抗人精液血清试剂
- GA/T536.4-2005 易燃易爆危险品 火灾危险性分级及试验方法 第4部分:遇水放出易燃气体物质分级试验方法
- GA/T70-2004 安全防范工程费用预算编制办法
- GA44-1993 消防头盔
- GA209-1999 消防过滤式自救呼吸器
- 行业新闻
网站备案号:湘ICP备2025141790号-2