- 您的位置:
- 标准下载网 >>
- 标准分类 >>
- 公共安全行业标准(GA) >>
- GA/T 1213-2014 安防指静脉识别应用3D数据技术要求
标准号:
GA/T 1213-2014
标准名称:
安防指静脉识别应用3D数据技术要求
标准类别:
公共安全行业标准(GA)
标准状态:
现行出版语种:
简体中文下载格式:
.zip .pdf下载大小:
1.44 MB
点击下载
标准简介:
GA/T 1213-2014.Finger vein recognition applications in security systems-Technical requirements for 3D data.
1范围
GA/T 1213规定了安防指静脉识别应用3D数据的有效区域、坐标系与记录格式。
GA/T 1213适用于安防指静脉识别应用3D数据采集、存储、传输和处理
2规范性引用文件
下列文件对于本文件的应用是必不可少的。凡是注日期的引用文件,仅注日期的版本适用于本文件。凡是不注日期的引用文件,其最新版本(包括所有的修改单)适用于本文件.
GA/T893安防生物特征识别应用术语
GA/T940安防指静脉识别应用系统图像技术要求
3术语和定义
GA/T 893、GA/T 940界定的以及下列术语和定义适用于本文件。
3.1 3D数据
3D data
描述指静脉空间分布的数据.
4有效区域与坐标系
4.1有效区域
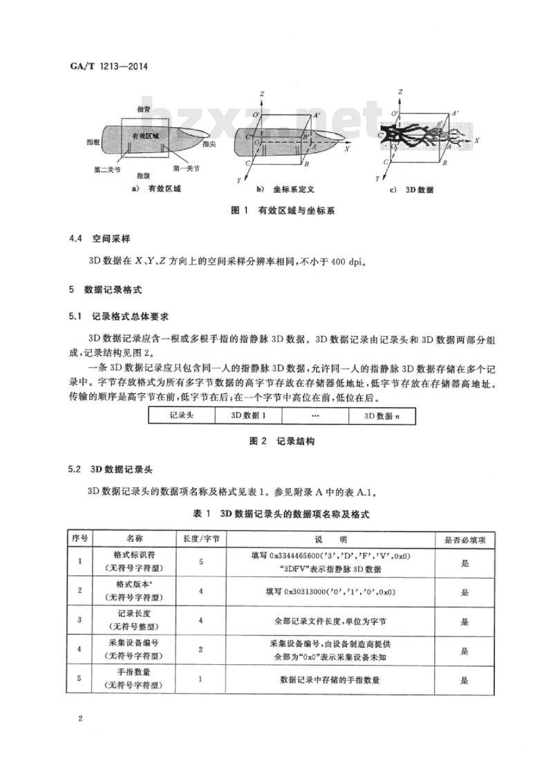
有效区域应包含一个完整的指节区城(两个指关节间的区域),如图1a)所示.
4.2坐标系
3D数据坐标系按GA/T 940设定,如图1b)所示,其中:X Y.Z方向成左手坐标系,X坐标方向从指根指向指尖,Z坐标方向从指腹指向指背;XOY平面与指腹相切;长方体区域OABC-O'A'B'C'包含一个完整的指节。3D数据内容仅存储长方体区域OABC-O'A'B'C'内静脉的空间采样点坐标,如图1c)所示。
4.3有效区域尺寸
在图1b)中,OA(长)不小于3 cm ,OC(宽)不小于2 cm,OO' (高)不小于2 cm.
部分标准内容:
中华人民共和国公共安全行业标准GA/T1213—2014
安防指静脉识别应用
3D数据技术要求
Finger vein recognition applications in security systems-Technical requirementsfor3Ddata2014-12-22发布
中华人民共和国公安部
2015-01-01实施
本标准按照GB/T1.1-2009给出的规则起草。GA/T1213—2014
本标准由全国安全防范报警系统标准化技术委员会人体生物特征识别应用分技术委员会(SAC)TC100/SC2)提出并归口。
本标准起草单位:国防科技大学电子科学与工程学院、公安部第一研究所、北京大学。本标准主要起草人:谢剑斌、侯鸿川、李文新、刘君平、闫玮、刘通、李沛秦。1此内容来自标准下载网
1范围
安防指静脉识别应用
3D数据技术要求
本标准规定了安防指静脉识别应用3D数据的有效区域、坐标系与记录格式。本标准适用于安防指静脉识别应用3D数据采集、存储、传输和处理。2规范性引用文件
GA/T1213—2014
下列文件对于本文件的应用是必不可少的。凡是注日期的引用文件,仅注日期的版本适用于本文件。凡是不注日期的引用文件,其最新版本(包括所有的修改单)适用于本文件。GA/T893安防生物特征识别应用术语安防指静脉识别应用系统图像技术要求GA/T940
3术语和定义
GA/T893、GA/T940界定的以及下列术语和定义适用于本文件。3.1
3D数据3Ddata
描述指静脉空间分布的数据。
4有效区域与坐标系
4.1有效区域
有效区域应包含一个完整的指节区域(两个指关节间的区域),如图1a)所示。4.2
坐标系
3D数据坐标系按GA/T940设定,如图1b)所示,其中:X,Y.Z方向成左手坐标系,X坐标方向从指根指向指尖,Z坐标方向从指腹指向指背;XOY平面与指腹相切;长方体区域OABC-O'A‘B'C'包含一个完整的指节。3D数据内容仅存储长方体区域OABC-O'A‘B'C\内静脉的空间采样点坐标,如图1c)所示。
4.3有效区域尺寸
在图1b)中,OA(长)不小于3cm,OC(宽)不小于2cm,OO(高)不小于2cm。1
GA/T1213—2014
第二关节
有效区域
第一关节
a)有效区域
空间采样
坐标系定义
有效区域与坐标系
3D数据在X、Y、Z方向上的空间采样分辨率相同,不小于400dpi。5
数据记录格式
5.1记录格式总体要求
3D数据
3D数据记录应含一根或多根手指的指静脉3D数据。3D数据记录由记录头和3D数据两部分组成,记录结构见图2。
-条3D数据记录应只包含同一人的指静脉3D数据,允许同一人的指静脉3D数据存储在多个记录中。字节存放格式为所有多字节数据的高字节存放在存储器低地址,低字节存放在存储器高地址。传输的顺序是高字节在前,低字节在后;在一个字节中高位在前,低位在后记录头
5.23D数据记录头
3D数据1
图2记录结构
3D数据n
3D数据记录头的数据项名称及格式见表1。参见附录A中的表A.1。表13D数据记录头的数据项名称及格式序号
格式标识符
(无符号字符型)
格式版本
(无符号字符型)
记录长度
(无符号整型)
采集设备编号
(无符号字符型)
手指数量
(无符号字符型)
长度/字节
填写0x3344465600C3\,D\,F\,V0x0)“3DFV”表示指静脉3D数据
填写0x30313000(0,1\,0\,0x0)全部记录文件长度,单位为字节采集设备编号,由设备制造商提供全部为“0x0”表示采集设备未知数据记录中存储的手指数量
是否必填项
采集光谱
(无符号短整型)
长度/字节
表1(续)
GA/T1213-2014
是否必填项
标识获取3D数据时使用的照明光谱,单位为nm保留,默认值为0x00000000
格式版本规定3D数据格式的引用标准,用3个ACSI字符及一个二进制为0的字节作为结束符表示。第一、第二个字符代表主版本号,第三个字符代表修订版本号,“010”表示第一版无修订。33D数据头
3D数据头的数据项名称及格式见表2。参见附录A中的表A.2。表23D数据头的数据项名称及格式序号
手指序号
(无符号字符型)
空间分辨率
(无符号短整型)
数据单元总数
(无符号整型)
手指序号
长度/字节
标识3D数据对应的手指
X,Y、z方向上的分辨率,单位为dpi全部数据单元总数
手指序号定义应符合GA/T940的要求,见表3。表3手指序号定义
F_LEFT_THUMB左拇指位)
F_LEFT_INDEX(左食指位)
F_LEFT_MIDDLE(左中指位)
F_LEFT_RING(左环指位)
F_LEFT_LITTLE(左小指位)
5.53D数据
数值(二进制)
F_RIGHT_THUMB(右拇指位)
F_RIGHT_INDEX(右食指位)
F_RIGHT_MIDDLE(右中指位)
F_RIGHT_RING(右环指位)
F_RIGHT_LITTLE(右小指位)
是否必填项
数值(二进制)
3D数据由若干个数据单元组成,每个数据单元存储一个静脉区域采样点的3D空间坐标。数据单元的数据项名称及格式见表4。
GA/T1213—2014
X方向坐标
(无符号短整型)
Y方向坐标
(无符号短整型)
Z方向坐标
(无符号短整型)
表4数据单元数据项名称及格式
长度/字节
静脉区域空间采样点X坐标
静脉区域空间采样点Y坐标
静脉区域空间采样点Z坐标
是否必填项
附录A
(资料性附录)
3D数据格式示例
表A.1给出3D数据记录头示例,表A.2给出3D数据头示例。3D数据记录头示例
格式标识符
格式版本
记录长度
采集设备编号
手指数量
采集光谱
手指序号
空间分辨率
数据单元总数
字节相对位置
字节相对位置
值(十六进制)
3344465600
30313000
0018D91F
00000000
GA/T1213—2014
“3DFV”表示指静脉3D数据
“010”
22+(271403×6+7)×1=1628447
采集设备未知
1根手指
3D数据头示例
值(十六进制)
0004242B
左手食指
400dpi
全部数据单元总数(271403)
GA/T1213-2014
打印日期:2015年7月7日F009
中华人民共和国公共安全
行业标准
安防指静脉识别应用
3D数据技术要求
GA/T1213—2014
中国标准出版社出版发行
北京市朝阳区和平里西街甲2号(100029)北京市西城区三里河北街16号(100045)网址spc.net.cn
总编室:(010)68533533发行中心:(010)51780238读者服务部:(010)68523946
中国标准出版社秦皇岛印刷厂印刷各地新华书店经销
开本880×12301/16印张0.75字数12千字2015年4月第一版2015年4月第一次印刷书号:155066·2-28440定价16.00元如有印装差错由本社发行中心调换版权专有侵权必究
举报电话:(010)68510107
小提示:此标准内容仅展示完整标准里的部分截取内容,若需要完整标准请到上方自行免费下载完整标准文档。
标准图片预览:





- 其它标准
- 热门标准
- GA公共安全标准
- GA407.1-2003 进口机动车制造厂品牌名称代码 第1部分:制造厂各称代码
- GA563-2009 警服 春秋执勤服
- GA470-2004 法庭科学DNA数据库现场生物样品和被采样人信息项及其数据结构
- GA899-2010 大型焰火燃放作业单位资质条件及管理
- GA300.1-2001 看守所在押人员信息管理代码 第1部分:看守所编码
- GA/T368-2001 入侵报警系统技术要求
- GA40-2004 交通事故案卷文书
- GA385-2002 火灾声和/或光警报器
- GA/T704.15-2007 出入境管理信息代码 第15部分:中国机读护照证件名称及种类代码
- GA/T704.11-2007 出入境管理信息代码 第11部分:入出境人员乘坐交通工具类型代码
- GA473-2004 抗人精液血清试剂
- GA/T536.4-2005 易燃易爆危险品 火灾危险性分级及试验方法 第4部分:遇水放出易燃气体物质分级试验方法
- GA/T70-2004 安全防范工程费用预算编制办法
- GA/T66-1994 内扣式消防接口产品质量分等
- GA44-1993 消防头盔
- 行业新闻
网站备案号:湘ICP备2025141790号-2