- 您的位置:
- 标准下载网 >>
- 标准分类 >>
- 轻工行业标准(QB) >>
- QB/T 4370-2012 家具用软质阻燃聚氨酯泡沫塑料
标准号:
QB/T 4370-2012
标准名称:
家具用软质阻燃聚氨酯泡沫塑料
标准类别:
轻工行业标准(QB)
标准状态:
现行出版语种:
简体中文下载格式:
.rar .pdf下载大小:
部分标准内容:
ICS 97.140
分类号:Y82
备案号:37988-2013
中华人民共和国轻工行业标准
QB/T 4370--2012
家具用软质阻燃聚氨酯泡沫塑料Flame retardant flexible polyurethane foam for furniture2012-11-07发布
中华人民共和国工业和信息化部2013-03-01实施
本标准按照GB/T1.1一2009给出的规则起草。本标准由中国轻工业联合会提出。本称准由全国家具标准化中心归口,QB/T4370-2012
本标准主要起草单位:国家家具产品质量监暨检验中心(广东)、顺德职业技术学院。本标准参加起草单位:广东美盈家具实业有限公司、湖南省晚安家居实业有限公司、名辉家具(珠海)有限公司。
本标准主要起草人:溺凌超、胡杰、梁德沛、王红强、刘晓红、赖德明、周少英、詹德祥、曹泽云、李衍春、杨建华、陈宝川、赖景鹏。1范围
家具用软质阻燃聚氨酯泡沫塑料QB/T4370-2012
本标准规定了家其用软质阻燃紧氨酯泡沫塑料的术语和定义、要求、试验方法、检验规则、标志包装、运输和贮存。
本标准适用于家具用软质阻燃聚氨酯泡沫塑料。2规范性引用文件
下列文件对于本文件的应川是必不可少的。凡是注H期的引川文件,仅注日期的版本适川于本文件。凡是不注日期的引文件,其最新版本(包括所有的修改单)适川于本文件。GB/T 2918—1998
GB/T 6342
GB/T 6344
塑料试样状态调节和试验的标准环境泡沫塑料与橡胶线性尺寸的测定软质泡沫塑料聚台材料拉伸强度和断裂伸长率的测定GB/T 6669—2008
GB/T 6670--2008
GB/T 9640
软质泡沫塑料聚合材料压缩永久变形的测定软质沫塑料聚合材料落球法回性能的测定软质和硬质泡洙案合材料加速老化试验方法GB20286公共场所阻燃制品及组件燃烧性能要求和标识GB/T24451—2009慢回弹软质聚氨醋泡沫塑料3术语和定义
下列术语和定义适用于本文件。3. t
软质阻燃聚氨酯泡沫塑料flameretardantflexiblepolyurethanefoam由多元醇化学物与有机异氰酸酯等物质反应发泡,具有阻燃性能的软质泡沫塑料、4要求
4. 1 尺寸偏差
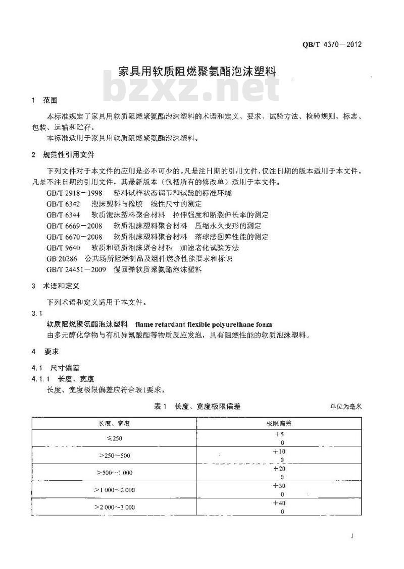
4.1. 1长度、宽度
长度、宽度极限偏差应符合表1要求,表1长度、宽度极限偏差
长度、宽度
250~500
>500-~1000
>1 000~2 000
>2 000-~3 000
极限偏差
单位为毫米
QB/T 4370—2012
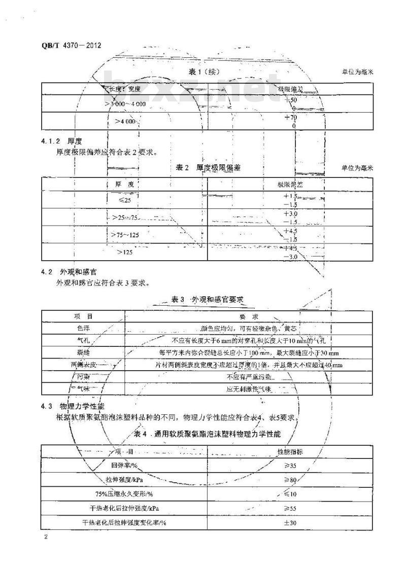
4.1.2厚度
更长度:宽度
2 3-000-·4 000
>4 000 :
厚度极限偏差应符合表2要求。
,厚度;
1- 22575
>75~-125
外观和感官
外观和感官应符合表3要求。
两侧表皮·
上污染—
物力学性能
表1(续)
厚度极限偏差
表3外观和感官要求
极限袭
极限遍差
*手415
颜色应均均,可有径徽杂色、黄芯不应有长度大于6 mm的对穿孔和;长度,人于10 nin的气孔每平方米内弥合裂缝总长应小丁100mm,最大裂缝应小于30mm单位为毫米
单位为毫米
片材两侧斜表皮宽度不应超过厚度的1倍,并最大不应超过40/mm不应有严重污染
应无刺激强汽味
根据软质聚氨酯泡沫料品种的不同,物理力学性能应符合表4、表5要求表4,通用软质聚氨酯泡沫塑料物理力学性能项目
回弹率%
、拉伸强度/kPa
75%压缩永久变形/%
干热老化后拉仲强度/kPa
干热老化后拉伸强度变化率/%
性能指标
湿热老花后拉伸强度/kPa
后拉神强度变化率/%
表4(续)
性能指标www.bzxz.net
表5慢回弹软质聚氨酯泡沫塑料物理力学性能项国
复原时间
回弹率/%
拉伸强度/kpa
干热老化屑拉伸强度变化率/%
湿热老化后拉仲强度变化率%
燃烧性能
性能指标
QB/T 4370—2012
公共场所使用的家具中所润的聚氨醋泡沫塑料的燃烧性能应符合GB20286的规定。家庭使用的家具中所用的聚氨酯泡深塑料的燃烧恨能应符合表6的要求。表6燃烧性能
热释放速率峰仙/(kw/m2)
烟密度等级(SDR>
试验方法
5.1时效和状态调节
白牛产之白起在自然条件下放置72h后进行。试验按GB/T2918试样在温度/(23士2)
5.2尺寸偏差
性能指标
1.998423/50
相对湿度40%~60%的条件下进行不少于16h的状态调节。级环境条件进行,
5.2.1按GB/T6342规定,长度和宽度用最小分度值为1mm的卷尺测量,长、宽各测3点,计算平均值,梭限偏差为实测值与产品标识值之差。按GB/r6342规定,厚度用精度不低于0.1.mm的卡尺测量,!在距宽度方向边缘30mm以外及5.2.2
距长度方向边缘80mm以外并始测量厚度值,测量3点:i-算平均值,极限偏差为实测值与产品标识值之差。
5.3外观和感官
亏染和气味项目由3人共同进行,以多数相向结论为评定值。色泽和污染项倡,应在自然光色泽
或光照度3001x
(~6001x的近似自然光下,以多数相同结论为评定值。气孔、两侧表皮用精确度为0.1mm的下尺测量,裂缝长度用最小分度值为Imm的卷尺测量。气味的感官检验项目用鼻闻。5.4回弹率
按GB/T6670--2008.规定的方法A进行。5.5拉伸强度
按GB/T6344的规定进行,试验速度(500士50)mm/min,试样厚度10mm,有效标距50mm,试样数量5个。
QB/T4370-2012
5.675%压缩永久变形
按GB/T6669一2008规定的方法A进行,试验温度(70土2)℃C,试验时间22h,压缩试样厚度的75%(压缩至试样厚度的25%)。
5.7干热老化后的拉伸强度及其变化率按GB/T9640规定进行十热老化试验,试验温度140℃,放置16h,再按5.5测量拉仲强度,并计算变化率。
5.8湿热老化后的拉伸强度及其变化率按GB/T9640规定进行湿热老化试验,试验温度105℃和相对湿度100%或过饱和蒸汽条件下放置3h。再按5.5测量拉伸强度,并计算变化率。5. 9复原时间
按GB/T24451一2009附录A的规定进行。试样数量3·个,5.10燃烧性能
按GB20286的规定进行。
6检验规则
6.1检验分类
6.1.1出广检验
出厂检验是产品出厂或交货时逊行的检验,检验项目为尺寸偏差、外观和感官。6.1.2型式检验
型式检验应包括本标准要求的金部项目,有下列情况之一时应进行型式检验:新产品试制的定型鉴定:
正式生产后,如结构、原料、工艺有重大改变,可能影响产品性能时:正常生产时每半作进行1次检验:产品长期停产半年后,恢复生产时;出广检验结果与上次型式检验结果有较大差异时:e
国家质贯监督机构提山进行型式检验的要求时。f)
6.2组批和抽样
6.2.1组批
同一原料、同一配方、同一工艺条件,连续生产数量不大于100t为1批。6.2.2抽样
尺寸偏差及外观和感官每组批任取3块产品进行检验,物理力学性能、燃烧性能随机从样品中部取样检验,
6.3判定原则
6.3.1尺寸偏差及外观和感它3块全部合格,该批为合格。其中1块任何1项不合格时,整批别除不合格品后重新抽样,仍不合格,则该批为不合格。6.3.2凡是物埋力学性能和燃烧性能中的任何1项不合格时,应重新从原批中双倍取样,对不合格项目进行复检,复检结果全部合格,则该批为合格。复检结果仍不合格,则该批为不合格,7标志、包装、运输和购存
7.1标志
产品标志弃少应包括以下内容:a)产品名称、型号规格、使用场合及阻燃性能等级:4
执行标准编号:
检验合格证明、牛产日期;
生产者文名称和地址。
品可川塑料袋,编织袋等包装。7.3运输
产品在运输中严禁烟火,防止日晒、雨淋,避免长期受压和机械损伤。7.4贮存
QB/T4370—2012
产品应贮存在于净、通风、干燥的库房内,不应按近热源,产严棘与化学药品接触。
QB/T4370-2012
中监人民共和国
轻工行业标准
家具用软质阻燃聚氨酯泡沫塑料QB/T 4370—2012
中国轻工业出版社出版发行
地址:北京东长安街6号
邮政编码:100740
发行电话:(010)65241695
网址:http:/chlip.com.cnEmail; club@chlip.com.cn
轻工业标准化编辑出版委员会编辑地址:北京西城区下斜街29号
邮政编码:100053
电话:(010)68049923/24/25
版权所有侵权必究
书号:155019·3903
印数:1·-200删
定价:16.00元
小提示:此标准内容仅展示完整标准里的部分截取内容,若需要完整标准请到上方自行免费下载完整标准文档。
分类号:Y82
备案号:37988-2013
中华人民共和国轻工行业标准
QB/T 4370--2012
家具用软质阻燃聚氨酯泡沫塑料Flame retardant flexible polyurethane foam for furniture2012-11-07发布
中华人民共和国工业和信息化部2013-03-01实施
本标准按照GB/T1.1一2009给出的规则起草。本标准由中国轻工业联合会提出。本称准由全国家具标准化中心归口,QB/T4370-2012
本标准主要起草单位:国家家具产品质量监暨检验中心(广东)、顺德职业技术学院。本标准参加起草单位:广东美盈家具实业有限公司、湖南省晚安家居实业有限公司、名辉家具(珠海)有限公司。
本标准主要起草人:溺凌超、胡杰、梁德沛、王红强、刘晓红、赖德明、周少英、詹德祥、曹泽云、李衍春、杨建华、陈宝川、赖景鹏。1范围
家具用软质阻燃聚氨酯泡沫塑料QB/T4370-2012
本标准规定了家其用软质阻燃紧氨酯泡沫塑料的术语和定义、要求、试验方法、检验规则、标志包装、运输和贮存。
本标准适用于家具用软质阻燃聚氨酯泡沫塑料。2规范性引用文件
下列文件对于本文件的应川是必不可少的。凡是注H期的引川文件,仅注日期的版本适川于本文件。凡是不注日期的引文件,其最新版本(包括所有的修改单)适川于本文件。GB/T 2918—1998
GB/T 6342
GB/T 6344
塑料试样状态调节和试验的标准环境泡沫塑料与橡胶线性尺寸的测定软质泡沫塑料聚台材料拉伸强度和断裂伸长率的测定GB/T 6669—2008
GB/T 6670--2008
GB/T 9640
软质泡沫塑料聚合材料压缩永久变形的测定软质沫塑料聚合材料落球法回性能的测定软质和硬质泡洙案合材料加速老化试验方法GB20286公共场所阻燃制品及组件燃烧性能要求和标识GB/T24451—2009慢回弹软质聚氨醋泡沫塑料3术语和定义
下列术语和定义适用于本文件。3. t
软质阻燃聚氨酯泡沫塑料flameretardantflexiblepolyurethanefoam由多元醇化学物与有机异氰酸酯等物质反应发泡,具有阻燃性能的软质泡沫塑料、4要求
4. 1 尺寸偏差
4.1. 1长度、宽度
长度、宽度极限偏差应符合表1要求,表1长度、宽度极限偏差
长度、宽度
250~500
>500-~1000
>1 000~2 000
>2 000-~3 000
极限偏差
单位为毫米
QB/T 4370—2012
4.1.2厚度
更长度:宽度
2 3-000-·4 000
>4 000 :
厚度极限偏差应符合表2要求。
,厚度;
1- 22575
>75~-125
外观和感官
外观和感官应符合表3要求。
两侧表皮·
上污染—
物力学性能
表1(续)
厚度极限偏差
表3外观和感官要求
极限袭
极限遍差
*手415
颜色应均均,可有径徽杂色、黄芯不应有长度大于6 mm的对穿孔和;长度,人于10 nin的气孔每平方米内弥合裂缝总长应小丁100mm,最大裂缝应小于30mm单位为毫米
单位为毫米
片材两侧斜表皮宽度不应超过厚度的1倍,并最大不应超过40/mm不应有严重污染
应无刺激强汽味
根据软质聚氨酯泡沫料品种的不同,物理力学性能应符合表4、表5要求表4,通用软质聚氨酯泡沫塑料物理力学性能项目
回弹率%
、拉伸强度/kPa
75%压缩永久变形/%
干热老化后拉仲强度/kPa
干热老化后拉伸强度变化率/%
性能指标
湿热老花后拉伸强度/kPa
后拉神强度变化率/%
表4(续)
性能指标www.bzxz.net
表5慢回弹软质聚氨酯泡沫塑料物理力学性能项国
复原时间
回弹率/%
拉伸强度/kpa
干热老化屑拉伸强度变化率/%
湿热老化后拉仲强度变化率%
燃烧性能
性能指标
QB/T 4370—2012
公共场所使用的家具中所润的聚氨醋泡沫塑料的燃烧性能应符合GB20286的规定。家庭使用的家具中所用的聚氨酯泡深塑料的燃烧恨能应符合表6的要求。表6燃烧性能
热释放速率峰仙/(kw/m2)
烟密度等级(SDR>
试验方法
5.1时效和状态调节
白牛产之白起在自然条件下放置72h后进行。试验按GB/T2918试样在温度/(23士2)
5.2尺寸偏差
性能指标
1.998423/50
相对湿度40%~60%的条件下进行不少于16h的状态调节。级环境条件进行,
5.2.1按GB/T6342规定,长度和宽度用最小分度值为1mm的卷尺测量,长、宽各测3点,计算平均值,梭限偏差为实测值与产品标识值之差。按GB/r6342规定,厚度用精度不低于0.1.mm的卡尺测量,!在距宽度方向边缘30mm以外及5.2.2
距长度方向边缘80mm以外并始测量厚度值,测量3点:i-算平均值,极限偏差为实测值与产品标识值之差。
5.3外观和感官
亏染和气味项目由3人共同进行,以多数相向结论为评定值。色泽和污染项倡,应在自然光色泽
或光照度3001x
(~6001x的近似自然光下,以多数相同结论为评定值。气孔、两侧表皮用精确度为0.1mm的下尺测量,裂缝长度用最小分度值为Imm的卷尺测量。气味的感官检验项目用鼻闻。5.4回弹率
按GB/T6670--2008.规定的方法A进行。5.5拉伸强度
按GB/T6344的规定进行,试验速度(500士50)mm/min,试样厚度10mm,有效标距50mm,试样数量5个。
QB/T4370-2012
5.675%压缩永久变形
按GB/T6669一2008规定的方法A进行,试验温度(70土2)℃C,试验时间22h,压缩试样厚度的75%(压缩至试样厚度的25%)。
5.7干热老化后的拉伸强度及其变化率按GB/T9640规定进行十热老化试验,试验温度140℃,放置16h,再按5.5测量拉仲强度,并计算变化率。
5.8湿热老化后的拉伸强度及其变化率按GB/T9640规定进行湿热老化试验,试验温度105℃和相对湿度100%或过饱和蒸汽条件下放置3h。再按5.5测量拉伸强度,并计算变化率。5. 9复原时间
按GB/T24451一2009附录A的规定进行。试样数量3·个,5.10燃烧性能
按GB20286的规定进行。
6检验规则
6.1检验分类
6.1.1出广检验
出厂检验是产品出厂或交货时逊行的检验,检验项目为尺寸偏差、外观和感官。6.1.2型式检验
型式检验应包括本标准要求的金部项目,有下列情况之一时应进行型式检验:新产品试制的定型鉴定:
正式生产后,如结构、原料、工艺有重大改变,可能影响产品性能时:正常生产时每半作进行1次检验:产品长期停产半年后,恢复生产时;出广检验结果与上次型式检验结果有较大差异时:e
国家质贯监督机构提山进行型式检验的要求时。f)
6.2组批和抽样
6.2.1组批
同一原料、同一配方、同一工艺条件,连续生产数量不大于100t为1批。6.2.2抽样
尺寸偏差及外观和感官每组批任取3块产品进行检验,物理力学性能、燃烧性能随机从样品中部取样检验,
6.3判定原则
6.3.1尺寸偏差及外观和感它3块全部合格,该批为合格。其中1块任何1项不合格时,整批别除不合格品后重新抽样,仍不合格,则该批为不合格。6.3.2凡是物埋力学性能和燃烧性能中的任何1项不合格时,应重新从原批中双倍取样,对不合格项目进行复检,复检结果全部合格,则该批为合格。复检结果仍不合格,则该批为不合格,7标志、包装、运输和购存
7.1标志
产品标志弃少应包括以下内容:a)产品名称、型号规格、使用场合及阻燃性能等级:4
执行标准编号:
检验合格证明、牛产日期;
生产者文名称和地址。
品可川塑料袋,编织袋等包装。7.3运输
产品在运输中严禁烟火,防止日晒、雨淋,避免长期受压和机械损伤。7.4贮存
QB/T4370—2012
产品应贮存在于净、通风、干燥的库房内,不应按近热源,产严棘与化学药品接触。
QB/T4370-2012
中监人民共和国
轻工行业标准
家具用软质阻燃聚氨酯泡沫塑料QB/T 4370—2012
中国轻工业出版社出版发行
地址:北京东长安街6号
邮政编码:100740
发行电话:(010)65241695
网址:http:/chlip.com.cnEmail; club@chlip.com.cn
轻工业标准化编辑出版委员会编辑地址:北京西城区下斜街29号
邮政编码:100053
电话:(010)68049923/24/25
版权所有侵权必究
书号:155019·3903
印数:1·-200删
定价:16.00元
小提示:此标准内容仅展示完整标准里的部分截取内容,若需要完整标准请到上方自行免费下载完整标准文档。
标准图片预览:





- 其它标准
- 热门标准
- 行业标准
- QB/T5247-2018 箱包配件塑料插扣耐 用性能试验方法
- QB/T2856-2007 毛革服装
- QB/T2425-1998 封箱用再湿性牛皮纸胶粘带
- QB/T3520-1999 500kV油纸套管绝缘纸
- QB2584-2003 蒸汽淋浴房
- QB/T2591-2003 抗菌塑料-抗菌性能试验方法和抗菌效果
- QB/T1439-2005 帐册
- QB/T1584-2005 日用皮手套
- QB/T1756-1993 造纸机械湍流式中浓度浆泵
- QB/T1782-1993 苯乙醇
- QB/T1664-1998 纸板戳穿强度测定仪
- QB/T1702.2-1993 括板升运机
- QB/T2501-2000 重力式自动装料衡器
- QB/T2161-1995 儿童推车整车通用技术条件
- QB/T3510-1999 Y311条粗条干仪用记录纸
- 行业新闻
请牢记:“bzxz.net”即是“标准下载”四个汉字汉语拼音首字母与国际顶级域名“.net”的组合。 ©2025 标准下载网 www.bzxz.net 本站邮件:bzxznet@163.com
网站备案号:湘ICP备2025141790号-2
网站备案号:湘ICP备2025141790号-2