- 您的位置:
- 标准下载网 >>
- 标准分类 >>
- 国家标准(GB) >>
- GB 175-2007/XG1-2009 《通用硅酸盐水泥》国家标准第1号修改单
标准号:
GB 175-2007/XG1-2009
标准名称:
《通用硅酸盐水泥》国家标准第1号修改单
标准类别:
国家标准(GB)
标准状态:
现行-
发布日期:
2009-06-12 -
实施日期:
2009-09-01 出版语种:
简体中文下载格式:
.rar .pdf下载大小:
3.45 MB
替代情况:
替代GB175-1999;GB1344-1999;GB12958-1999采标情况:
ENV 197-1:2000 NEQ
点击下载
标准简介:
标准下载解压密码:www.bzxz.net
本标准规定了通用硅酸盐水泥的定义与分类、组分与材料、强度等级、技术要求、试验方法、检验规则和包装、标志、运输与贮存等。本标准适用于通用硅酸盐水泥。 GB 175-2007/XG1-2009 《通用硅酸盐水泥》国家标准第1号修改单 GB175-2007/XG1-2009
部分标准内容:
ICS 91.100.10
中华人民共和国国家标准
GB175—2007
代替GB175—1999,GB1344--1999,GB12958—1999通用硅酸盐水泥
Commonportlandcement
2007-11-09发布
中华人民共和国国家质量监督检验检疫总局中国国家标准化管理委员会
数码防伪
2008-06-01实施
本标准第7.1、7.3.1、7.3.2、7.3.3、9.4为强制性条款,其余为推荐性条款。本标准与欧洲水泥标准EN197-1:2000《通用波特兰水泥》的一致性程度为非等效。GB175--2007
本标准自实施之日起代替GB175一1999《硅酸盐水泥、普通硅酸盐水泥》、GB1344一1999《矿渣硅酸盐水泥、火山灰质硅酸盐水泥、粉煤灰硅酸盐水泥》、GB12958一1999《复合硅酸盐水泥》三个标准。与GB175—1999、GB1344—1999、GB12958—1999相比,本标准主要变化如下:一全文强制改为条文强制(本版前言);一增加了通用硅酸盐水泥的定义(本版第3章);——将各品种水泥的定义取消(原版GB175—1999、GB1344—1999、GB12958—1999第3章);将组分与材料合并为章(原版GB175—1999、GB1344—1999、GB129581999第4章,本版第5章):
普通硅酸盐水泥中“掺活性混合材料时,最大掺量不超过15%,其中允许用不超过水泥质量5%的窑密灰或不超过水泥质量10%的非活性混合材料来代替”改为“活性混合材料掺加量为>5%且20%,其中允许用不超过水泥质量8%且符合本标准第5.2.4条的非活性混合材料或不超过水泥质量5%且符合本标准第5.2.5条的窑灰代替”(原版GB1751999中第3.2条,本版第5.1条);
一将矿渣硅酸盐水泥中矿渣掺加量由“20%~70%”改为“>20%且≤70%”,并分为A型和B型。A型矿渣掺量>20%且≤50%,代号P·S·A;B型矿渣掺量>50%且≤70%,代号P·S·B(原版GB1344一1999中第3.1条,本版第5.1条);将火山灰质硅酸盐水泥中火山灰质混合材料掺量由“20%~50%”改为“>20%且≤40%”(原版GB1344—1999中第3.2条,本版第5.1条);一将复合硅酸盐水泥中混合材料总掺加量由“应大于15%,但不超过50%”改为“>20%且≤50%”(原版GB12958—1999中第3章,本版第5.1条);材料中增加了粒化高炉矿渣粉(本版第5.2.3、5.2.4条);取消了复合硅酸盐水泥中允许掺加粒化精炼铬铁渣、粒化增钙液态渣、粒化碳素铬铁渣、粒化高炉钛矿渣等混合材料以及符合附录A新开辟的混合材料,并将附录A取消(原版GB129581999中第4.2、4.3条和附录A);—增加了M类混合石膏,取消了A类硬石膏(原版GB175—1999、GB1344—1999和GB12958—1999中第3章,本版第5.2.1.1条);—助磨剂允许掺量由“不超过水泥质量的1%”改为“不超过水泥质量的0.5%”(原版GB175—1999、GB1344—1999和GB12958-1999中第4.5条,本版第5.2.6条);普通水泥强度等级中取消了32.5和32.5R(原版GB175一1999中第5章,本版第6章);一将矿渣硅酸盐水泥、火山灰质硅酸盐水泥、粉煤灰硅酸盐水泥和复合硅酸盐水泥中“熟料中的氧化镁含量”改为“水泥中的氧化镁含量”,其中要求P·S·A型、P·P型、P·F型、P·C型水泥中的氧化镁含量不大于6.0%,并加注b说明“如果水泥中氧化镁含量大于6.0%时,应进行水泥压蒸试验并合格';P·S·B型无要求。(原版GB1344-1999和GB12958—1999中第6.1条,本版第7.1条);
增加了氯离子限量的要求,即水泥中氟离子含量不大于0.06%(本版第7.1条);一将各强度等级的普通硅酸盐水泥的强度指标改为和硅酸盐水泥一致,将各强度等级复合硅酸I
GB1752007
盐水泥的强度指标改为和矿渣硅酸盐水泥、火山灰质硅酸盐水泥、粉煤灰硅酸盐水泥一致(原版GB12958—1999中第6.6条,本版第7.3.3条);增加了45μm方孔筛筛余不大于30%作为选择性指标(本版第7.3.4条);增加了选择水泥组分试验方法的原则和定期校核要求(本版第8.1条);-将“按0.50水灰比和胶砂流动度不小于180mm来确定用水量”的规定的适用水泥品种扩大为火山灰质硅酸盐水泥、粉煤灰硅酸盐水泥、复合硅酸盐水泥和掺火山灰质混合材料的普通硅酸盐水泥(原版GB1344一1999第7.5条,本版第8.5条);一编号与取样中增加了年生产能力“200×10*t以上”的级别,即:200×10°t以上,不超过4000t为一个编号;将\120万吨以上,不超过1200吨为一个编号”改为120×10*t~200×10*t,不超过2400t为—个编号”(原版GB175—1999、GB1344—1999、GB12958—1999中第8.1条,本版第9.1条);
将“出厂水泥应保证出厂强度等级,其余技术要求应符合本标准有关要求”改为“经确认水泥各项技术指标及包装质量符合要求时方可出厂”(原版GB175—1999、GB1344-1999、GB12958—1999中第8.2条,本版第9.2条);一增加了出厂检验项目(本版第9.3条));~取消了废品判定(原版GB175—1999、GB1344—1999、GB12958—1999中第8.3条);-不合格品判定中取消了细度和混合材料掺加量的规定,将判定规则改为“检验结果符合本标准7.1、7.3.1、7.3.2、7.3.3条技术要求为合格品。检验结果不符合本标准7.1、7.3.1、7.3.2、7.3.3条中任何一项技术要求为不合格品。(原版GB175-1999、GB1344一1999、GB12958—1999中第8.3.2条,本版第9.4.1、9.4.2条);检验报告中增加了“合同约定的其他技术要求”(原版GB175一1999、GB1344一1999、GB12958-1999中第8.4条,本版第9.5条);-交货与验收中增加了“安定性仲裁检验时,应在取样之日起10d以内完成”(本版第9.6.2条);包装标志中将“且应不少于标志质量的98%”改为“且应不少于标志质量的99%”(原版GB175—1999、GB1344—1999、GB12958—1999中第9.1条,本版第10.1条);包装标志中将“火山灰质硅酸盐水泥、粉煤灰硅酸盐水泥和复合硅酸盐水泥包装袋的两侧印刷采用黑色”改为“火山灰质硅酸盐水泥、粉煤灰硅酸盐水泥和复合硅酸盐水泥包装袋的两侧印刷采用黑色或蓝色”(原版GB1344—1999、GB12958—1999中第9.2条,本版第10.2条)。本标准由中国建筑材料工业协会提出。本标准由全国水泥标准化技术委员会(SAC/TC184)归口。本标准主要起草单位:中国建筑材料科学研究总院。本标准参加起草单位:唐山冀东水泥股份有限公司、福建水泥股份有限公司、山东丛林集团、都江堰拉法基水泥有限公司、云南国资水泥红河有限公司、云南国资水泥昆明有限公司、合肥水泥设计院、广东省建筑科学研究院、山东省水泥质量监督检验站、上海市建筑科学研究院有限公司、建筑材料工业技术情报研究所、冠鲁集团山东万利水泥有限公司、唐山隆丰水泥有限公司。本标准主要起草人:颜碧兰、江丽珍、肖忠明、刘晨、张秋英、陈萍、霍春明、席劲松、宋立春、王昕、郭俊萍。
本标准所代替标准的历次版本情况为:GB175—1956、GB175—1962、GB175—1977、GB175—1985、GB175—1992、GB175—1999;—GB1344—1956、GB1344—1962、GB1344--1977、GB1344—1985、GB1344—1992、GB1344-1999;
--GB12958—1981、GB12958—1991、GB12958—1999。1范围
通用硅酸盐水泥
GB175-2007
本标准规定了通用硅酸盐水泥的术语和定义、分类、组分与材料、强度等级、技术要求、试验方法、检验规则和包装、标志、运输与贮存等。本标准适用于通用硅酸盐水泥。2规范性引用文件
下列文件中的条款通过本标准的引用而成为本标准的条款。凡是注日期的引用文件,其随后所有的修改单(不包括勘误的内容)或修订版均不适用于本标准,然而,鼓励根据本标准达成协议的各方研究是否可使用这些文件的最新版本。凡是不注日期的引用文件,其最新版本适用于本标准。6水泥化学分析方法(GB/T176—1996,eqvISO680:1990)GB/T176
3用于水泥中的粒化高炉矿渣
GB/T203
GB/T750
GB/T1345
GB/T1346
GB/T1596
GB/T2419
GB/T2847
GB/T5483
GB/T8074
水泥压蒸安定性试验方法
水泥细度检验方法筛析法
水泥标准稠度用水量、凝结时间、安定性检验方法(GB/T1346一2001,eqvISO9597:用于水泥和混凝土中的粉煤灰
水泥胶砂流动度测定方法
用于水泥中的火山灰质混合材料石膏和硬石膏
水泥比表面积测定方法
勃氏法
GB9774水泥包装袋
3水泥取样方法
GB12573
GB/T12960
水泥组分的定量测定
水泥胶砂强度检验方法(ISO法)(GB/T17671—1999,idtISO679:1989)GB/T17671
GB/T18046
用于水泥和混凝土中的粒化高炉矿渣粉)水泥原料中氮离子的化学分析方法JC/T420
JC/T667水泥助磨剂
JC/T742掺入水泥中的回转窑窑灰3术语和定义
下列术语和定义适用于本标准。通用硅酸盐水泥
commonportlandcement
以硅酸盐水泥熟料和适量的石膏,及规定的混合材料制成的水硬性胶凝材料。4分类
本标准规定的通用硅酸盐水泥按混合材料的品种和掺量分为硅酸盐水泥、普通硅酸盐水泥、矿渣硅酸盐水泥、火山灰质硅酸盐水泥、粉煤灰硅酸盐水泥和复合硅酸盐水泥。各品种的组分和代号应符合5.1的规定。
GB175—2007
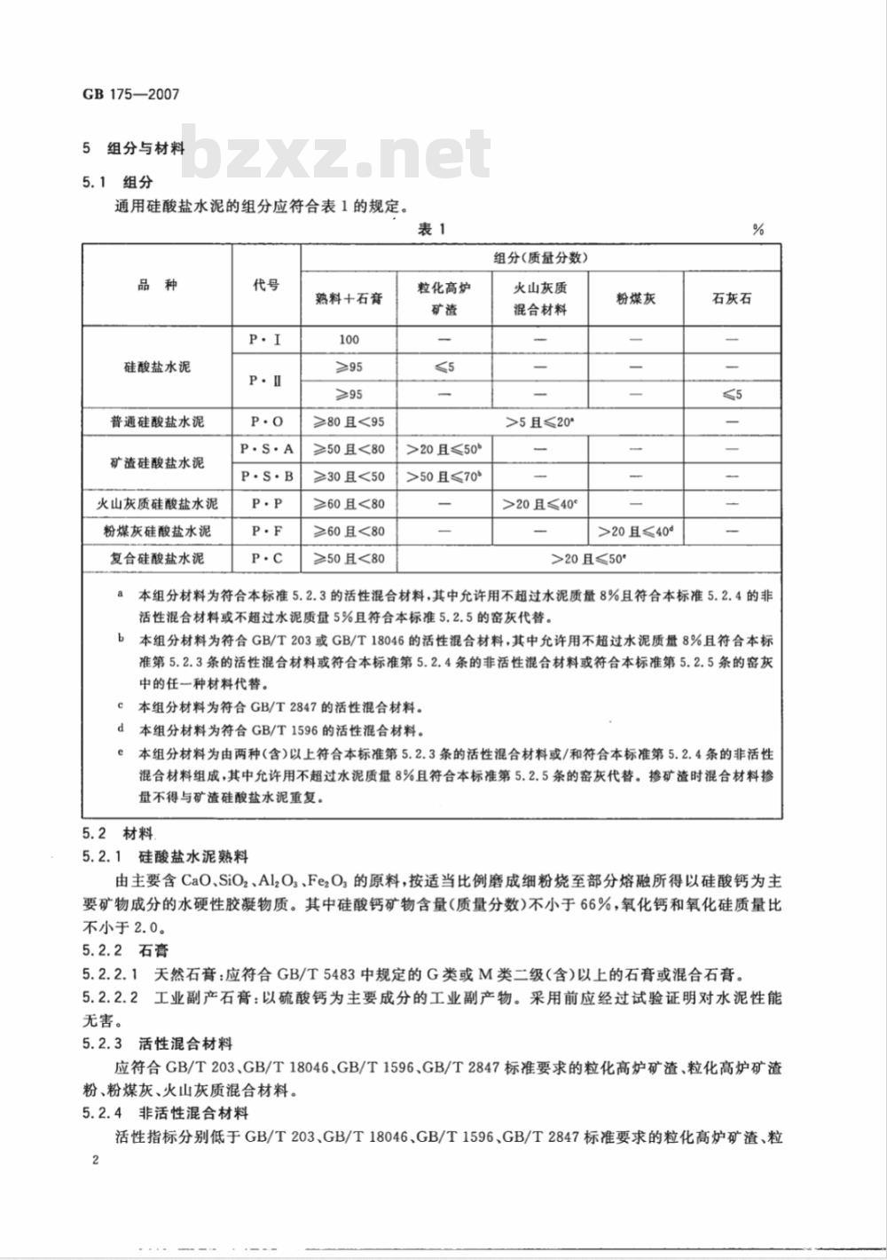
5组分与材料
5.1组分
通用硅酸盐水泥的组分应符合表1的规定。品种
硅酸盐水泥
普通硅酸盐水泥
矿渣硅酸盐水泥
火山灰质硅酸盐水泥
粉煤灰硅酸盐水泥
复合硅酸盐水泥
P·S·B
熟料十石膏
≥80且<95
≥50且<80
≥30且<50
≥60且<80
≥60且<80
≥50且<80
粒化高炉
>20且≤50b
>50且≤70°
组分(质量分数)
火山灰质
混合材料
>5且≤20°
>20且≤40°
粉煤灰
>20且≤40d
>20且≤50°
石灰石
本组分材料为符合本标准5.2.3的活性混合材料,其中允许用不超过水泥质量8%且符合本标准5.2.4的非活性混合材料或不超过水泥质量5%且符合本标准5.2.5的窑灰代替。b本组分材料为符合GB/T203或GB/T18046的活性混合材料,其中允许用不超过水泥质量8%且符合本标准第5.2.3条的活性混合材料或符合本标准第5.2.4条的非活性混合材料或符合本标准第5.2.5条的密灰中的任一种材料代替。
本组分材料为符合GB/T2847的活性混合材料。本组分材料为符合GB/T1596的活性混合材料。本组分材料为由两种(含)以上符合本标准第5.2.3条的活性混合材料或/和符合本标准第5.2.4条的非活性混合材料组成,其中允许用不超过水泥质量8%且符合本标准第5.2.5条的窑灰代替。掺矿渣时混合材料掺量不得与矿渣硅酸盐水泥重复。5.2材料
5.2.1硅酸盐水泥熟料
由主要含CaO、SiO2、Al2O3、Fe2O3的原料,按适当比例磨成细粉烧至部分熔融所得以硅酸钙为主要矿物成分的水硬性胶凝物质。其中硅酸钙矿物含量(质量分数)不小于66%,氧化钙和氧化硅质量比不小于2.0。
5.2.2石膏
5.2.2.1天然石膏:应符合GB/T5483中规定的G类或M类二级(含)以上的石膏或混合石膏。5.2.2.2工业副产石膏:以硫酸钙为主要成分的工业副产物。采用前应经过试验证明对水泥性能无害。
5.2.3活性混合材料
应符合GB/T203、GB/T18046、GB/T1596、GB/T2847标准要求的粒化高炉矿渣、粒化高炉矿渣粉、粉煤灰、火山灰质混合材料。5.2.4非活性混合材料
活性指标分别低于GB/T203、GB/T18046、GB/T1596、GB/T2847标准要求的粒化高炉矿渣、粒2
GB175--2007
化高炉矿渣粉、粉煤灰、火山灰质混合材料;石灰石和砂岩,其中石灰石中的三氧化二铝含量(质量分数)应不大于2.5%。
5.2.5窑灰
应符合JC/T742的规定。
5.2.6助磨剂
水泥粉磨时允许加入助磨剂,其加入量应不大于水泥质量的0.5%,助磨剂应符合JC/T667的规定。
强度等级
硅酸盐水泥的强度等级分为42.5、42.5R、52.5、52.5R、62.5、62.5R六个等级。6.1
6.2普通硅酸盐水泥的强度等级分为42.5、42.5R、52.5、52.5R四个等级。6.3矿渣硅酸盐水泥、火山灰质硅酸盐水泥、粉煤灰硅酸盐水泥、复合硅酸盐水泥的强度等级分为32.5、32.5R、42.5、42.5R、52.5、52.5R六个等级。7技术要求
7.1化学指标
通用硅酸盐水泥化学指标应符合表2的规定。表2
硅酸盐水泥
普通硅酸盐水泥
矿渣硅酸盐水泥
火山灰质硅酸盐水泥
粉煤灰硅酸盐水泥
复合硅酸盐水泥
P·S·A
不溶物
(质量分数)
烧失量
(质量分数)
三氧化硫
(质量分数)
如果水泥压蒸试验合格,则水泥中氧化镁的含量(质量分数)允许放宽至6.0%。氧化镁
(质量分数)
b如果水泥中氧化镁的含量(质量分数)大于6.0%时,需进行水泥压蒸安定性试验并合格。当有更低要求时,该指标由买卖双方确定。7.2碱含量(选择性指标)
氯离子
(质量分数)
≤0.06°
水泥中碱含量按Na2O十0.658K,0计算值表示。若使用活性骨料,用户要求提供低碱水泥时,水泥中的碱含量应不大于0.60%或由买卖双方协商确定。7.3物理指标
7.3.1凝结时间
硅酸盐水泥初凝时间不小于45min,终凝时间不大于390min。普通硅酸盐水泥、矿渣硅酸盐水泥、火山灰质硅酸盐水泥、粉煤灰硅酸盐水泥和复合硅酸盐水泥初凝不小于45min,终凝不大于600min。7.3.2安定性
沸煮法合格。
GB175--2007
3强度
不同品种不同强度等级的通用硅酸盐水泥,其不同龄期的强度应符合表3的规定。表3
硅酸盐水泥
普通硅酸盐水泥
矿渣硅酸盐水泥
火山灰硅酸盐水泥
粉煤灰硅酸盐水泥
复合硅酸盐水泥
强度等级
4细度(选择性指标)bzxZ.net
抗压强度
单位为兆帕
抗折强度
硅酸盐水泥和普通硅酸盐水泥的细度以比表面积表示,其比表面积不小于300m2/kg;矿渣硅酸盐水泥、火山灰质硅酸盐水泥、粉煤灰硅酸盐水泥和复合硅酸盐水泥的细度以筛余表示,其80μm方孔筛筛余不大于10%或45μm方孔筛筛余不大于30%。8试验方法
8.1组分
由生产者按GB/T12960或选择准确度更高的方法进行。在正常生产情况下,生产者应至少每月对水泥组分进行校核,年平均值应符合5.1的规定,单次检验值应不超过本标准规定最大限量的2%。为保证组分测定结果的准确性,生产者应采用适当的生产程序和适宜的方法对所选方法的可靠性进行验证,并将经验证的方法形成文件。8.2不溶物、烧失量、氧化镁、三氧化硫和碱含量按GB/T176进行试验。
8.3压蒸安定性
按GB/T750进行试验。
8.4氯离子
按JC/T420进行试验。
8.5标准稠度用水量、凝结时间和安定性按GB/T1346进行试验。
8.6强度
GB175—2007
按GB/T17671进行试验。火山灰质硅酸盐水泥、粉煤灰硅酸盐水泥、复合硅酸盐水泥和掺火山灰质混合材料的普通硅酸盐水泥在进行胶砂强度检验时,其用水量按0.50水灰比和胶砂流动度不小于180mm来确定。当流动度小于180mm时,应以0.01的整倍数递增的方法将水灰比调整至胶砂流动度不小于180mm。
胶砂流动度试验按GB/T2419进行,其中胶砂制备按GB/T17671规定进行8.7比表面积
按GB/T8074进行试验。
8.880μm和45μm筛余
按GB/T1345进行试验。
9检验规则
9.1编号及取样
水泥出厂前按同品种、同强度等级编号和取样。袋装水泥和散装水泥应分别进行编号和取样。每一编号为一取样单位。水泥出厂编号按年生产能力规定为:200×10*t以上,不超过4000t为一编号;120×10*t~200×10*t,不超过2400t为一编号;60×10*t~120×10*t,不超过1000t为一编号;30×104t~60×104t,不超过600t为一编号;10×10*t~30×10*t,不超过400t为一编号;10×104t以下,不超过200t为一编号。取样方法按GB12573进行。可连续取,亦可从20个以上不同部位取等量样品,总量至少12kg。当散装水泥运输工具的容量超过该厂规定出厂编号吨数时,允许该编号的数量超过取样规定吨数。9.2水泥出厂
经确认水泥各项技术指标及包装质量符合要求时方可出厂。9.3出厂检验
出厂检验项目为7.1、7.3.1、7.3.2、7.3.3条。9.4判定规则
9.4.1检验结果符合7.1、7.3.1、7.3.2、7.3.3的规定为合格品。9.4.2检验结果不符合7.1、7.3.1、7.3.2、7.3.3中的任何一项技术要求为不合格品。9.5检验报告
检验报告内容应包括出厂检验项目、细度、混合材料品种和掺加量、石膏和助磨剂的品种及掺加量、属旋窑或立窑生产及合同约定的其他技术要求。当用户需要时,生产者应在水泥发出之日起7d内寄发除28d强度以外的各项检验结果,32d内补报28d强度的检验结果。9.6交货与验收
9.6.1交货时水泥的质量验收可抽取实物试样以其检验结果为依据,也可以生产者同编号水泥的检验报告为依据。采取何种方法验收由买卖双方商定,并在合同或协议中注明。卖方有告知买方验收方法的责任。当无书面合同或协议,或未在合同、协议中注明验收方法的,卖方应在发货票上注明“以本厂同编号水泥的检验报告为验收依据”字样。9.6.2以抽取实物试样的检验结果为验收依据时,买卖双方应在发货前或交货地共同取样和签封。取样方法按GB12573进行,取样数量为20kg,缩分为二等份。一份由卖方保存40d,一份由买方按本标准规定的项目和方法进行检验。在40d以内,买方检验认为产品质量不符合本标准要求,而卖方又有异议时,则双方应将卖方保存5
GB175—2007
的另一份试样送省级或省级以上国家认可的水泥质量监督检验机构进行仲裁检验。水泥安定性仲裁检验时,应在取样之日起10d以内完成。9.6.3以生产者同编号水泥的检验报告为验收依据时,在发货前或交货时买方在同编号水泥中取样,双方共同签封后由卖方保存90d,或认可卖方自行取样、签封并保存90d的同编号水泥的封存样。在90d内,买方对水泥质量有疑问时,则买卖双方应将共同认可的试样送省级或省级以上国家认可的水泥质量监督检验机构进行仲裁检验。10包装、标志、运输与贮存
10.1包装
水泥可以散装或袋装,袋装水泥每袋净含量为50kg,且应不少于标志质量的99%;随机抽取20袋总质量(含包装袋)应不少于1000kg。其它包装形式由供需双方协商确定,但有关袋装质量要求,应符合上述规定。水泥包装袋应符合GB9774的规定。10.2标志
水泥包装袋上应清楚标明:执行标准、水泥品种、代号、强度等级、生产者名称、生产许可证标志(QS)及编号、出厂编号、包装日期、净含量。包装袋两侧应根据水泥的品种采用不同的颜色印刷水泥名称和强度等级,硅酸盐水泥和普通硅酸盐水泥采用红色,矿渣硅酸盐水泥采用绿色;火山灰质硅酸盐水泥、粉煤灰硅酸盐水泥和复合硅酸盐水泥采用黑色或蓝色。散装发运时应提交与袋装标志相同内容的卡片。10.3运输与贮存
水泥在运输与贮存时不得受潮和混入杂物,不同品种和强度等级的水泥在贮运中避免混杂。6
GB175-2007
中华人民共
国家标准
通用硅酸盐
GB175—2007
中国标准出版社出版发行
北京复兴门外三里河北街16号
邮政编码:100045
网址www.spc.net.cn
电话:6852394668517548
中国标准出版社秦皇岛印刷厂印刷各地新华书店经销
开本880×12301/16
2007年12月第一版
印张0.75
字数15千字
2007年12月第一次印刷
书号:155066·1-30308
如有印装差错
定价.14.00元
由本社发行中心调换
版权专有
侵权必究
举报电话:(010)68533533
小提示:此标准内容仅展示完整标准里的部分截取内容,若需要完整标准请到上方自行免费下载完整标准文档。
中华人民共和国国家标准
GB175—2007
代替GB175—1999,GB1344--1999,GB12958—1999通用硅酸盐水泥
Commonportlandcement
2007-11-09发布
中华人民共和国国家质量监督检验检疫总局中国国家标准化管理委员会
数码防伪
2008-06-01实施
本标准第7.1、7.3.1、7.3.2、7.3.3、9.4为强制性条款,其余为推荐性条款。本标准与欧洲水泥标准EN197-1:2000《通用波特兰水泥》的一致性程度为非等效。GB175--2007
本标准自实施之日起代替GB175一1999《硅酸盐水泥、普通硅酸盐水泥》、GB1344一1999《矿渣硅酸盐水泥、火山灰质硅酸盐水泥、粉煤灰硅酸盐水泥》、GB12958一1999《复合硅酸盐水泥》三个标准。与GB175—1999、GB1344—1999、GB12958—1999相比,本标准主要变化如下:一全文强制改为条文强制(本版前言);一增加了通用硅酸盐水泥的定义(本版第3章);——将各品种水泥的定义取消(原版GB175—1999、GB1344—1999、GB12958—1999第3章);将组分与材料合并为章(原版GB175—1999、GB1344—1999、GB129581999第4章,本版第5章):
普通硅酸盐水泥中“掺活性混合材料时,最大掺量不超过15%,其中允许用不超过水泥质量5%的窑密灰或不超过水泥质量10%的非活性混合材料来代替”改为“活性混合材料掺加量为>5%且20%,其中允许用不超过水泥质量8%且符合本标准第5.2.4条的非活性混合材料或不超过水泥质量5%且符合本标准第5.2.5条的窑灰代替”(原版GB1751999中第3.2条,本版第5.1条);
一将矿渣硅酸盐水泥中矿渣掺加量由“20%~70%”改为“>20%且≤70%”,并分为A型和B型。A型矿渣掺量>20%且≤50%,代号P·S·A;B型矿渣掺量>50%且≤70%,代号P·S·B(原版GB1344一1999中第3.1条,本版第5.1条);将火山灰质硅酸盐水泥中火山灰质混合材料掺量由“20%~50%”改为“>20%且≤40%”(原版GB1344—1999中第3.2条,本版第5.1条);一将复合硅酸盐水泥中混合材料总掺加量由“应大于15%,但不超过50%”改为“>20%且≤50%”(原版GB12958—1999中第3章,本版第5.1条);材料中增加了粒化高炉矿渣粉(本版第5.2.3、5.2.4条);取消了复合硅酸盐水泥中允许掺加粒化精炼铬铁渣、粒化增钙液态渣、粒化碳素铬铁渣、粒化高炉钛矿渣等混合材料以及符合附录A新开辟的混合材料,并将附录A取消(原版GB129581999中第4.2、4.3条和附录A);—增加了M类混合石膏,取消了A类硬石膏(原版GB175—1999、GB1344—1999和GB12958—1999中第3章,本版第5.2.1.1条);—助磨剂允许掺量由“不超过水泥质量的1%”改为“不超过水泥质量的0.5%”(原版GB175—1999、GB1344—1999和GB12958-1999中第4.5条,本版第5.2.6条);普通水泥强度等级中取消了32.5和32.5R(原版GB175一1999中第5章,本版第6章);一将矿渣硅酸盐水泥、火山灰质硅酸盐水泥、粉煤灰硅酸盐水泥和复合硅酸盐水泥中“熟料中的氧化镁含量”改为“水泥中的氧化镁含量”,其中要求P·S·A型、P·P型、P·F型、P·C型水泥中的氧化镁含量不大于6.0%,并加注b说明“如果水泥中氧化镁含量大于6.0%时,应进行水泥压蒸试验并合格';P·S·B型无要求。(原版GB1344-1999和GB12958—1999中第6.1条,本版第7.1条);
增加了氯离子限量的要求,即水泥中氟离子含量不大于0.06%(本版第7.1条);一将各强度等级的普通硅酸盐水泥的强度指标改为和硅酸盐水泥一致,将各强度等级复合硅酸I
GB1752007
盐水泥的强度指标改为和矿渣硅酸盐水泥、火山灰质硅酸盐水泥、粉煤灰硅酸盐水泥一致(原版GB12958—1999中第6.6条,本版第7.3.3条);增加了45μm方孔筛筛余不大于30%作为选择性指标(本版第7.3.4条);增加了选择水泥组分试验方法的原则和定期校核要求(本版第8.1条);-将“按0.50水灰比和胶砂流动度不小于180mm来确定用水量”的规定的适用水泥品种扩大为火山灰质硅酸盐水泥、粉煤灰硅酸盐水泥、复合硅酸盐水泥和掺火山灰质混合材料的普通硅酸盐水泥(原版GB1344一1999第7.5条,本版第8.5条);一编号与取样中增加了年生产能力“200×10*t以上”的级别,即:200×10°t以上,不超过4000t为一个编号;将\120万吨以上,不超过1200吨为一个编号”改为120×10*t~200×10*t,不超过2400t为—个编号”(原版GB175—1999、GB1344—1999、GB12958—1999中第8.1条,本版第9.1条);
将“出厂水泥应保证出厂强度等级,其余技术要求应符合本标准有关要求”改为“经确认水泥各项技术指标及包装质量符合要求时方可出厂”(原版GB175—1999、GB1344-1999、GB12958—1999中第8.2条,本版第9.2条);一增加了出厂检验项目(本版第9.3条));~取消了废品判定(原版GB175—1999、GB1344—1999、GB12958—1999中第8.3条);-不合格品判定中取消了细度和混合材料掺加量的规定,将判定规则改为“检验结果符合本标准7.1、7.3.1、7.3.2、7.3.3条技术要求为合格品。检验结果不符合本标准7.1、7.3.1、7.3.2、7.3.3条中任何一项技术要求为不合格品。(原版GB175-1999、GB1344一1999、GB12958—1999中第8.3.2条,本版第9.4.1、9.4.2条);检验报告中增加了“合同约定的其他技术要求”(原版GB175一1999、GB1344一1999、GB12958-1999中第8.4条,本版第9.5条);-交货与验收中增加了“安定性仲裁检验时,应在取样之日起10d以内完成”(本版第9.6.2条);包装标志中将“且应不少于标志质量的98%”改为“且应不少于标志质量的99%”(原版GB175—1999、GB1344—1999、GB12958—1999中第9.1条,本版第10.1条);包装标志中将“火山灰质硅酸盐水泥、粉煤灰硅酸盐水泥和复合硅酸盐水泥包装袋的两侧印刷采用黑色”改为“火山灰质硅酸盐水泥、粉煤灰硅酸盐水泥和复合硅酸盐水泥包装袋的两侧印刷采用黑色或蓝色”(原版GB1344—1999、GB12958—1999中第9.2条,本版第10.2条)。本标准由中国建筑材料工业协会提出。本标准由全国水泥标准化技术委员会(SAC/TC184)归口。本标准主要起草单位:中国建筑材料科学研究总院。本标准参加起草单位:唐山冀东水泥股份有限公司、福建水泥股份有限公司、山东丛林集团、都江堰拉法基水泥有限公司、云南国资水泥红河有限公司、云南国资水泥昆明有限公司、合肥水泥设计院、广东省建筑科学研究院、山东省水泥质量监督检验站、上海市建筑科学研究院有限公司、建筑材料工业技术情报研究所、冠鲁集团山东万利水泥有限公司、唐山隆丰水泥有限公司。本标准主要起草人:颜碧兰、江丽珍、肖忠明、刘晨、张秋英、陈萍、霍春明、席劲松、宋立春、王昕、郭俊萍。
本标准所代替标准的历次版本情况为:GB175—1956、GB175—1962、GB175—1977、GB175—1985、GB175—1992、GB175—1999;—GB1344—1956、GB1344—1962、GB1344--1977、GB1344—1985、GB1344—1992、GB1344-1999;
--GB12958—1981、GB12958—1991、GB12958—1999。1范围
通用硅酸盐水泥
GB175-2007
本标准规定了通用硅酸盐水泥的术语和定义、分类、组分与材料、强度等级、技术要求、试验方法、检验规则和包装、标志、运输与贮存等。本标准适用于通用硅酸盐水泥。2规范性引用文件
下列文件中的条款通过本标准的引用而成为本标准的条款。凡是注日期的引用文件,其随后所有的修改单(不包括勘误的内容)或修订版均不适用于本标准,然而,鼓励根据本标准达成协议的各方研究是否可使用这些文件的最新版本。凡是不注日期的引用文件,其最新版本适用于本标准。6水泥化学分析方法(GB/T176—1996,eqvISO680:1990)GB/T176
3用于水泥中的粒化高炉矿渣
GB/T203
GB/T750
GB/T1345
GB/T1346
GB/T1596
GB/T2419
GB/T2847
GB/T5483
GB/T8074
水泥压蒸安定性试验方法
水泥细度检验方法筛析法
水泥标准稠度用水量、凝结时间、安定性检验方法(GB/T1346一2001,eqvISO9597:用于水泥和混凝土中的粉煤灰
水泥胶砂流动度测定方法
用于水泥中的火山灰质混合材料石膏和硬石膏
水泥比表面积测定方法
勃氏法
GB9774水泥包装袋
3水泥取样方法
GB12573
GB/T12960
水泥组分的定量测定
水泥胶砂强度检验方法(ISO法)(GB/T17671—1999,idtISO679:1989)GB/T17671
GB/T18046
用于水泥和混凝土中的粒化高炉矿渣粉)水泥原料中氮离子的化学分析方法JC/T420
JC/T667水泥助磨剂
JC/T742掺入水泥中的回转窑窑灰3术语和定义
下列术语和定义适用于本标准。通用硅酸盐水泥
commonportlandcement
以硅酸盐水泥熟料和适量的石膏,及规定的混合材料制成的水硬性胶凝材料。4分类
本标准规定的通用硅酸盐水泥按混合材料的品种和掺量分为硅酸盐水泥、普通硅酸盐水泥、矿渣硅酸盐水泥、火山灰质硅酸盐水泥、粉煤灰硅酸盐水泥和复合硅酸盐水泥。各品种的组分和代号应符合5.1的规定。
GB175—2007
5组分与材料
5.1组分
通用硅酸盐水泥的组分应符合表1的规定。品种
硅酸盐水泥
普通硅酸盐水泥
矿渣硅酸盐水泥
火山灰质硅酸盐水泥
粉煤灰硅酸盐水泥
复合硅酸盐水泥
P·S·B
熟料十石膏
≥80且<95
≥50且<80
≥30且<50
≥60且<80
≥60且<80
≥50且<80
粒化高炉
>20且≤50b
>50且≤70°
组分(质量分数)
火山灰质
混合材料
>5且≤20°
>20且≤40°
粉煤灰
>20且≤40d
>20且≤50°
石灰石
本组分材料为符合本标准5.2.3的活性混合材料,其中允许用不超过水泥质量8%且符合本标准5.2.4的非活性混合材料或不超过水泥质量5%且符合本标准5.2.5的窑灰代替。b本组分材料为符合GB/T203或GB/T18046的活性混合材料,其中允许用不超过水泥质量8%且符合本标准第5.2.3条的活性混合材料或符合本标准第5.2.4条的非活性混合材料或符合本标准第5.2.5条的密灰中的任一种材料代替。
本组分材料为符合GB/T2847的活性混合材料。本组分材料为符合GB/T1596的活性混合材料。本组分材料为由两种(含)以上符合本标准第5.2.3条的活性混合材料或/和符合本标准第5.2.4条的非活性混合材料组成,其中允许用不超过水泥质量8%且符合本标准第5.2.5条的窑灰代替。掺矿渣时混合材料掺量不得与矿渣硅酸盐水泥重复。5.2材料
5.2.1硅酸盐水泥熟料
由主要含CaO、SiO2、Al2O3、Fe2O3的原料,按适当比例磨成细粉烧至部分熔融所得以硅酸钙为主要矿物成分的水硬性胶凝物质。其中硅酸钙矿物含量(质量分数)不小于66%,氧化钙和氧化硅质量比不小于2.0。
5.2.2石膏
5.2.2.1天然石膏:应符合GB/T5483中规定的G类或M类二级(含)以上的石膏或混合石膏。5.2.2.2工业副产石膏:以硫酸钙为主要成分的工业副产物。采用前应经过试验证明对水泥性能无害。
5.2.3活性混合材料
应符合GB/T203、GB/T18046、GB/T1596、GB/T2847标准要求的粒化高炉矿渣、粒化高炉矿渣粉、粉煤灰、火山灰质混合材料。5.2.4非活性混合材料
活性指标分别低于GB/T203、GB/T18046、GB/T1596、GB/T2847标准要求的粒化高炉矿渣、粒2
GB175--2007
化高炉矿渣粉、粉煤灰、火山灰质混合材料;石灰石和砂岩,其中石灰石中的三氧化二铝含量(质量分数)应不大于2.5%。
5.2.5窑灰
应符合JC/T742的规定。
5.2.6助磨剂
水泥粉磨时允许加入助磨剂,其加入量应不大于水泥质量的0.5%,助磨剂应符合JC/T667的规定。
强度等级
硅酸盐水泥的强度等级分为42.5、42.5R、52.5、52.5R、62.5、62.5R六个等级。6.1
6.2普通硅酸盐水泥的强度等级分为42.5、42.5R、52.5、52.5R四个等级。6.3矿渣硅酸盐水泥、火山灰质硅酸盐水泥、粉煤灰硅酸盐水泥、复合硅酸盐水泥的强度等级分为32.5、32.5R、42.5、42.5R、52.5、52.5R六个等级。7技术要求
7.1化学指标
通用硅酸盐水泥化学指标应符合表2的规定。表2
硅酸盐水泥
普通硅酸盐水泥
矿渣硅酸盐水泥
火山灰质硅酸盐水泥
粉煤灰硅酸盐水泥
复合硅酸盐水泥
P·S·A
不溶物
(质量分数)
烧失量
(质量分数)
三氧化硫
(质量分数)
如果水泥压蒸试验合格,则水泥中氧化镁的含量(质量分数)允许放宽至6.0%。氧化镁
(质量分数)
b如果水泥中氧化镁的含量(质量分数)大于6.0%时,需进行水泥压蒸安定性试验并合格。当有更低要求时,该指标由买卖双方确定。7.2碱含量(选择性指标)
氯离子
(质量分数)
≤0.06°
水泥中碱含量按Na2O十0.658K,0计算值表示。若使用活性骨料,用户要求提供低碱水泥时,水泥中的碱含量应不大于0.60%或由买卖双方协商确定。7.3物理指标
7.3.1凝结时间
硅酸盐水泥初凝时间不小于45min,终凝时间不大于390min。普通硅酸盐水泥、矿渣硅酸盐水泥、火山灰质硅酸盐水泥、粉煤灰硅酸盐水泥和复合硅酸盐水泥初凝不小于45min,终凝不大于600min。7.3.2安定性
沸煮法合格。
GB175--2007
3强度
不同品种不同强度等级的通用硅酸盐水泥,其不同龄期的强度应符合表3的规定。表3
硅酸盐水泥
普通硅酸盐水泥
矿渣硅酸盐水泥
火山灰硅酸盐水泥
粉煤灰硅酸盐水泥
复合硅酸盐水泥
强度等级
4细度(选择性指标)bzxZ.net
抗压强度
单位为兆帕
抗折强度
硅酸盐水泥和普通硅酸盐水泥的细度以比表面积表示,其比表面积不小于300m2/kg;矿渣硅酸盐水泥、火山灰质硅酸盐水泥、粉煤灰硅酸盐水泥和复合硅酸盐水泥的细度以筛余表示,其80μm方孔筛筛余不大于10%或45μm方孔筛筛余不大于30%。8试验方法
8.1组分
由生产者按GB/T12960或选择准确度更高的方法进行。在正常生产情况下,生产者应至少每月对水泥组分进行校核,年平均值应符合5.1的规定,单次检验值应不超过本标准规定最大限量的2%。为保证组分测定结果的准确性,生产者应采用适当的生产程序和适宜的方法对所选方法的可靠性进行验证,并将经验证的方法形成文件。8.2不溶物、烧失量、氧化镁、三氧化硫和碱含量按GB/T176进行试验。
8.3压蒸安定性
按GB/T750进行试验。
8.4氯离子
按JC/T420进行试验。
8.5标准稠度用水量、凝结时间和安定性按GB/T1346进行试验。
8.6强度
GB175—2007
按GB/T17671进行试验。火山灰质硅酸盐水泥、粉煤灰硅酸盐水泥、复合硅酸盐水泥和掺火山灰质混合材料的普通硅酸盐水泥在进行胶砂强度检验时,其用水量按0.50水灰比和胶砂流动度不小于180mm来确定。当流动度小于180mm时,应以0.01的整倍数递增的方法将水灰比调整至胶砂流动度不小于180mm。
胶砂流动度试验按GB/T2419进行,其中胶砂制备按GB/T17671规定进行8.7比表面积
按GB/T8074进行试验。
8.880μm和45μm筛余
按GB/T1345进行试验。
9检验规则
9.1编号及取样
水泥出厂前按同品种、同强度等级编号和取样。袋装水泥和散装水泥应分别进行编号和取样。每一编号为一取样单位。水泥出厂编号按年生产能力规定为:200×10*t以上,不超过4000t为一编号;120×10*t~200×10*t,不超过2400t为一编号;60×10*t~120×10*t,不超过1000t为一编号;30×104t~60×104t,不超过600t为一编号;10×10*t~30×10*t,不超过400t为一编号;10×104t以下,不超过200t为一编号。取样方法按GB12573进行。可连续取,亦可从20个以上不同部位取等量样品,总量至少12kg。当散装水泥运输工具的容量超过该厂规定出厂编号吨数时,允许该编号的数量超过取样规定吨数。9.2水泥出厂
经确认水泥各项技术指标及包装质量符合要求时方可出厂。9.3出厂检验
出厂检验项目为7.1、7.3.1、7.3.2、7.3.3条。9.4判定规则
9.4.1检验结果符合7.1、7.3.1、7.3.2、7.3.3的规定为合格品。9.4.2检验结果不符合7.1、7.3.1、7.3.2、7.3.3中的任何一项技术要求为不合格品。9.5检验报告
检验报告内容应包括出厂检验项目、细度、混合材料品种和掺加量、石膏和助磨剂的品种及掺加量、属旋窑或立窑生产及合同约定的其他技术要求。当用户需要时,生产者应在水泥发出之日起7d内寄发除28d强度以外的各项检验结果,32d内补报28d强度的检验结果。9.6交货与验收
9.6.1交货时水泥的质量验收可抽取实物试样以其检验结果为依据,也可以生产者同编号水泥的检验报告为依据。采取何种方法验收由买卖双方商定,并在合同或协议中注明。卖方有告知买方验收方法的责任。当无书面合同或协议,或未在合同、协议中注明验收方法的,卖方应在发货票上注明“以本厂同编号水泥的检验报告为验收依据”字样。9.6.2以抽取实物试样的检验结果为验收依据时,买卖双方应在发货前或交货地共同取样和签封。取样方法按GB12573进行,取样数量为20kg,缩分为二等份。一份由卖方保存40d,一份由买方按本标准规定的项目和方法进行检验。在40d以内,买方检验认为产品质量不符合本标准要求,而卖方又有异议时,则双方应将卖方保存5
GB175—2007
的另一份试样送省级或省级以上国家认可的水泥质量监督检验机构进行仲裁检验。水泥安定性仲裁检验时,应在取样之日起10d以内完成。9.6.3以生产者同编号水泥的检验报告为验收依据时,在发货前或交货时买方在同编号水泥中取样,双方共同签封后由卖方保存90d,或认可卖方自行取样、签封并保存90d的同编号水泥的封存样。在90d内,买方对水泥质量有疑问时,则买卖双方应将共同认可的试样送省级或省级以上国家认可的水泥质量监督检验机构进行仲裁检验。10包装、标志、运输与贮存
10.1包装
水泥可以散装或袋装,袋装水泥每袋净含量为50kg,且应不少于标志质量的99%;随机抽取20袋总质量(含包装袋)应不少于1000kg。其它包装形式由供需双方协商确定,但有关袋装质量要求,应符合上述规定。水泥包装袋应符合GB9774的规定。10.2标志
水泥包装袋上应清楚标明:执行标准、水泥品种、代号、强度等级、生产者名称、生产许可证标志(QS)及编号、出厂编号、包装日期、净含量。包装袋两侧应根据水泥的品种采用不同的颜色印刷水泥名称和强度等级,硅酸盐水泥和普通硅酸盐水泥采用红色,矿渣硅酸盐水泥采用绿色;火山灰质硅酸盐水泥、粉煤灰硅酸盐水泥和复合硅酸盐水泥采用黑色或蓝色。散装发运时应提交与袋装标志相同内容的卡片。10.3运输与贮存
水泥在运输与贮存时不得受潮和混入杂物,不同品种和强度等级的水泥在贮运中避免混杂。6
GB175-2007
中华人民共
国家标准
通用硅酸盐
GB175—2007
中国标准出版社出版发行
北京复兴门外三里河北街16号
邮政编码:100045
网址www.spc.net.cn
电话:6852394668517548
中国标准出版社秦皇岛印刷厂印刷各地新华书店经销
开本880×12301/16
2007年12月第一版
印张0.75
字数15千字
2007年12月第一次印刷
书号:155066·1-30308
如有印装差错
定价.14.00元
由本社发行中心调换
版权专有
侵权必究
举报电话:(010)68533533
小提示:此标准内容仅展示完整标准里的部分截取内容,若需要完整标准请到上方自行免费下载完整标准文档。
标准图片预览:





- 热门标准
- 国家标准(GB)
- GB29140-2024 纯碱单位产品能源消耗限额
- GB/T29633.4-2020 南极地名 第4部分:罗马字母拼写
- GB15193.5-2003 骨髓细胞微核试验
- GB/T15412-1994 应用电视摄像机云台通用技术条件
- GB28129-2011 乙羧氟草醚原药
- GB/T42970-2023 半导体集成电路 视频编解码电路测试方法
- GB/T18721.4-2024 印刷技术 印前数据交换 第4部分:显示用宽色域标准彩色图像数据 [Adobe RGB (1998)/SCID]
- GB/T9771.6-2020 通信用单模光纤 第6部分:宽波长段 光传输用非零色散单模光纤特性
- GB5237.3-2008 铝合金建筑型材 第3部分:电泳涂漆型材
- GB/T15773-1995 水土保持综合治理 验收规范
- GB3302-1982 日用陶瓷器验收、包装、标志、运输、储存规则
- GB30530-2024 二甲基硅氧烷单位产品能源消耗限额
- GB/T39249-2020 橡胶和塑料软管及非增强软管织物增强型 低温压扁试验
- GB/T17424-2019 差分全球卫星导航系统(DGNSS)技术要求
- GB/T5750.13-2006 生活饮用水标准检验方法 放射性指标
- 行业新闻
请牢记:“bzxz.net”即是“标准下载”四个汉字汉语拼音首字母与国际顶级域名“.net”的组合。 ©2025 标准下载网 www.bzxz.net 本站邮件:bzxznet@163.com
网站备案号:湘ICP备2025141790号-2
网站备案号:湘ICP备2025141790号-2