- 您的位置:
- 标准下载网 >>
- 标准分类 >>
- 航空工业行业标准(HB) >>
- HB 6067-6072-2008 21MPa无扩口导管堵帽
标准号:
HB 6067-6072-2008
标准名称:
21MPa无扩口导管堵帽
标准类别:
航空工业行业标准(HB)
标准状态:
现行出版语种:
简体中文下载格式:
.rar.pdf下载大小:
1.53 MB
替代情况:
HB 6067-6072-1996
部分标准内容:
中华人民共和国航空行业标准
FL6320bZxz.net
2008-03-17发布
HB6067~6072-2008
代替HB6067~6072-1996
21MPa无扩口导管堵帽
Cap, pressure seal, flareless tube, 21MPa2008-10-01实施
国防科学技术工业委员会发布
本标准代替HB6067~6072-1996《无扩口导管堵帽》。本标准与HB6067~6072-1996相比,主要变化是增加了规格。本标准由中国航空工业第一集团公司提出。HB6067~6072-2008
本标准由中国航空综合技术研究所归口。本标准起草单位:中国航空综合技术研究所和中国航空工业成都飞机设计研究所。本标准主要起草人:李俊昇、罗建平、孙忠志。本标准于1986年首次发布,1996年第一次修订。标准分享网wWhzfxWrom免费下载1范围
21MPa无扩口导管堵帽
本标准规定了无扩口导管堵帽的结构、尺寸和技术要求。本标准适用于工作压力不大于21MPa的航空导管24°无扩口连接。2规范性引用文件
HB6067~6072-2008
下列文件中的条款通过本标准的引用而成为本标准的条款。凡是注日期的引用文件,其随后所有的修改单(不包含勘误的内容)或修订版均不适用于本标准,然而,鼓励根据本标准达成协议的各方研究是否可使用这些文件的最新版本。凡是不注日期的引用文件,其最新版本适用于本标准。GB/T4358-1995
GJB859.36-1990
重要用途碳素弹簧钢丝
无扩口导管堵帽
HB5800-1999
一般公差
HB5966-200824°无扩口导管连接件通用规范HB5970-2008
24°无扩口外螺纹端头尺寸
HB60596061-200821MPa无扩口外套螺母3要求
3.1无扩口导管堵帽
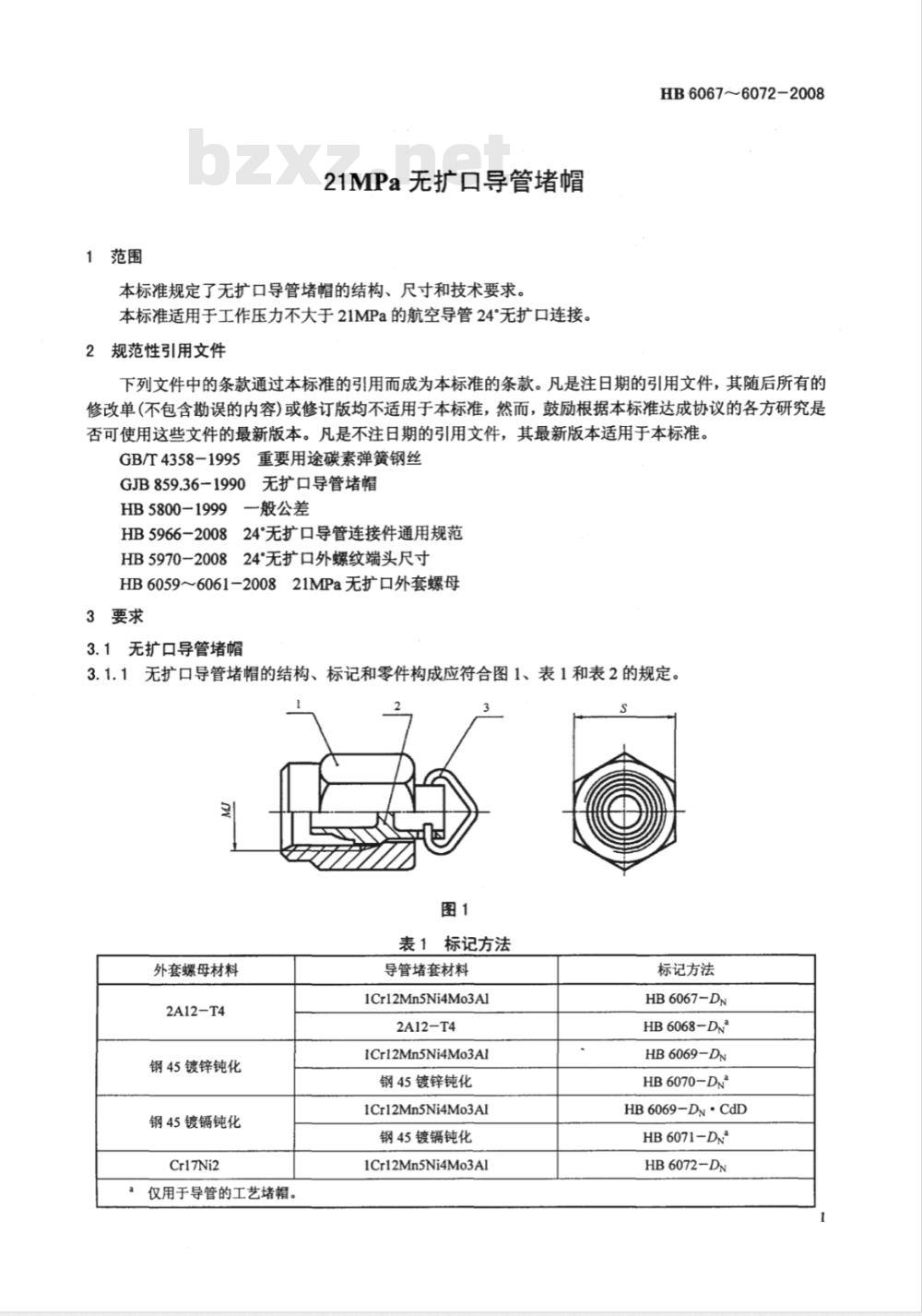
3.1.1无扩口导管堵帽的结构、标记和零件构成应符合图1、表1和表2的规定。3
表1标记方法
外套螺母材料
2A12-T4
钢45镀锌钝化
钢45镀镉钝化
Cr17Ni2
仅用于导管的工艺堵帽。
导管堵套材料
1Cr12Mn5Ni4Mo3Al
2A12-T4
1Cr12Mn5Ni4Mo3Al
钢45镀锌钝化
1Cr12Mn5Ni4Mo3Al
钢45镀钝化
1Cr12Mn5Ni4Mo3Al
标记方法
HB6067-DN
HB6068-DNa
HB6069-DN
HB6070-DNa
HB 6069-D~ · CdD
HB6071-DNa
HB6072-DN
MJ10×1
MJ12X1.25
MJ14×1.5
MJ16×1.5
MJ18×1.5
MJ20×1.5
MJ22×1.5
MJ27×1.5
MJ33×1.5
MJ42×2
2A12-T4
HB6059-5
外套螺母
钢45镀锌钝化
HB60605
钢45镀锯钝化
HB60605·CdD
-6· CdD
8 · CdD
-10· CdD
-12·CdD
14· CdD
16·CdD
-18·CdD
20·CdD
25·CdD
32·CdD
Cr17Ni2
HB6061-5
堵帽的零件构成
1Cr12Mn5
Ni4Mo3Al
1HB60675
MJ50×2
-40·CdD
重量系按2A12制外套螺母与1Cr12Mn5Ni4Mo3AI制导管堵套组合的重量给出-6
锅45镀锌
导管堵套
铜45镀镉钝化
1HB60695
IHB6069-5·CdD
-6·CdD
-8· CdD
10· CdD
-12· CdD
-14· CdD
-16·CdD
18· CdD
-20·CdD
25·CdD
-32· CdD
-40· CdD
标准分享网
bzfxwcom免费下载
2A12-T4
1HB60685
GJB 859.36.25
100件
理论重量
2HB6067-18
GJB 859.36.220
2HB 606732
2HB 606740
首次生产
时给出
HB6067~6072-2008
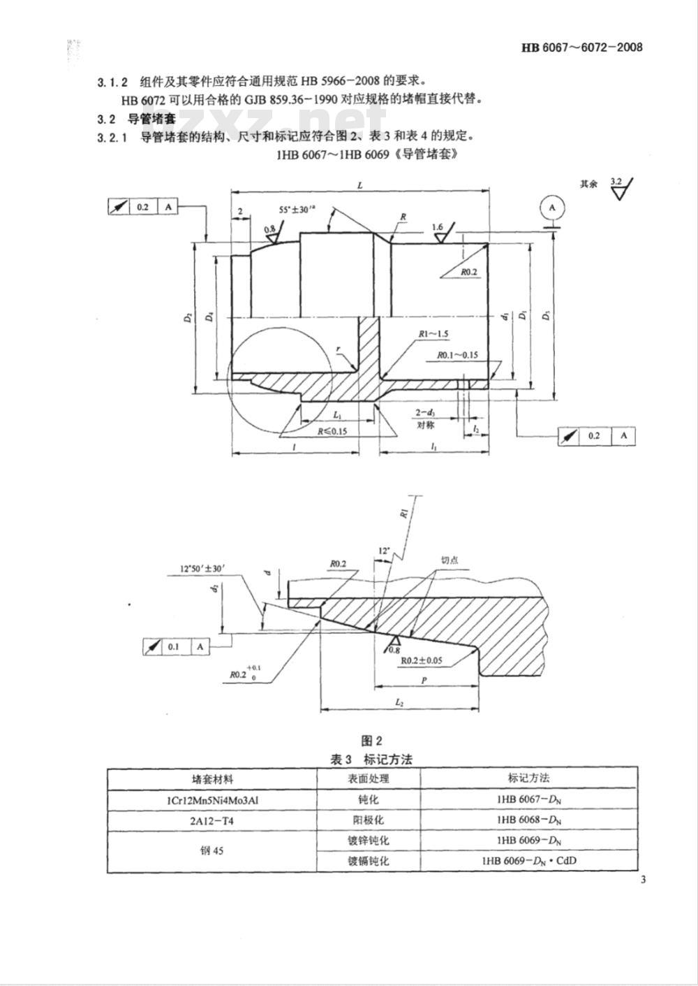
3.1.2组件及其零件应符合通用规范HB5966-2008的要求。HB6072可以用合格的GJB859.36-1990对应规格的堵帽直接代替。3.2导管堵套
3.2.1导管堵套的结构、尺寸和标记应符合图2、表3和表4的规定。1HB6067~1HB6069《导管堵套》0.2
12°50'±30
堵套材料
1Cr12Mn5Ni4Mo3Al
2A12-T4
55*±30
R0.1~0.15
R0.2±0.05
表3标记方法
表面处理
阳极化
镀锌钝化
镀镉钝化
HB6067~6072-2008
标记方法
1HB6067-DN
1HB6068-DN
1HB6069-DN
IHB6069-D·CdD
HB60676072-2008
导管公
称外径
参数表
1Cr12Mn5Ni4Mo3Al制导管堵套应进行荧光检查。一般公差应符合HB5800-1999的规定。一
±0.2±0.2
3.2.4其他技术要求应符合通用规范HB5966-2008的规定。3.3角环
3.3.1角环的结构和尺寸应符合图3和表5的规定。2HB6067《角环》
标准分享网WANhzfyWrnm免费下载5.1
17.242.253.0
100件
理论重量
铝制品钢制品
导管公称外径
参数表
导环的标记方法为在标准代号后增加短线和导管公称外径的毫米数。示例:导管公称外径D=18mm的角环标记为:2HB6067~18。3.3.3材料:E组钢丝应符合GB/T4358-1995。3.3.4热处理:(260~300)℃回火20min。3.3.5表面处理:镀镉钝化。
一般公差应符合HB5800一1999的规定。3.3.6
3.3.7其余技术要求应符合HB5966-2008的规定。HB6067~6072-2008
100件理论重量
中华人民共和国航空行业标准
21MPa无扩口导管堵帽
HB6067~6072-2008
中国航空综合技术研究所出版
(北京东外京顺路7号)
中国航空综合技术研究所印刷车间印刷北京1665信箱发行
版权专有不得翻印
4字数17千字
D1/16印张3/4
开本880×1230
2008年9月第一版2008年9月第一次印刷印数1-200
书号:标301.2459
标准分享网WAWhzfyWrnm免费下载定价8.00元
80009909
小提示:此标准内容仅展示完整标准里的部分截取内容,若需要完整标准请到上方自行免费下载完整标准文档。
FL6320bZxz.net
2008-03-17发布
HB6067~6072-2008
代替HB6067~6072-1996
21MPa无扩口导管堵帽
Cap, pressure seal, flareless tube, 21MPa2008-10-01实施
国防科学技术工业委员会发布
本标准代替HB6067~6072-1996《无扩口导管堵帽》。本标准与HB6067~6072-1996相比,主要变化是增加了规格。本标准由中国航空工业第一集团公司提出。HB6067~6072-2008
本标准由中国航空综合技术研究所归口。本标准起草单位:中国航空综合技术研究所和中国航空工业成都飞机设计研究所。本标准主要起草人:李俊昇、罗建平、孙忠志。本标准于1986年首次发布,1996年第一次修订。标准分享网wWhzfxWrom免费下载1范围
21MPa无扩口导管堵帽
本标准规定了无扩口导管堵帽的结构、尺寸和技术要求。本标准适用于工作压力不大于21MPa的航空导管24°无扩口连接。2规范性引用文件
HB6067~6072-2008
下列文件中的条款通过本标准的引用而成为本标准的条款。凡是注日期的引用文件,其随后所有的修改单(不包含勘误的内容)或修订版均不适用于本标准,然而,鼓励根据本标准达成协议的各方研究是否可使用这些文件的最新版本。凡是不注日期的引用文件,其最新版本适用于本标准。GB/T4358-1995
GJB859.36-1990
重要用途碳素弹簧钢丝
无扩口导管堵帽
HB5800-1999
一般公差
HB5966-200824°无扩口导管连接件通用规范HB5970-2008
24°无扩口外螺纹端头尺寸
HB60596061-200821MPa无扩口外套螺母3要求
3.1无扩口导管堵帽
3.1.1无扩口导管堵帽的结构、标记和零件构成应符合图1、表1和表2的规定。3
表1标记方法
外套螺母材料
2A12-T4
钢45镀锌钝化
钢45镀镉钝化
Cr17Ni2
仅用于导管的工艺堵帽。
导管堵套材料
1Cr12Mn5Ni4Mo3Al
2A12-T4
1Cr12Mn5Ni4Mo3Al
钢45镀锌钝化
1Cr12Mn5Ni4Mo3Al
钢45镀钝化
1Cr12Mn5Ni4Mo3Al
标记方法
HB6067-DN
HB6068-DNa
HB6069-DN
HB6070-DNa
HB 6069-D~ · CdD
HB6071-DNa
HB6072-DN
MJ10×1
MJ12X1.25
MJ14×1.5
MJ16×1.5
MJ18×1.5
MJ20×1.5
MJ22×1.5
MJ27×1.5
MJ33×1.5
MJ42×2
2A12-T4
HB6059-5
外套螺母
钢45镀锌钝化
HB60605
钢45镀锯钝化
HB60605·CdD
-6· CdD
8 · CdD
-10· CdD
-12·CdD
14· CdD
16·CdD
-18·CdD
20·CdD
25·CdD
32·CdD
Cr17Ni2
HB6061-5
堵帽的零件构成
1Cr12Mn5
Ni4Mo3Al
1HB60675
MJ50×2
-40·CdD
重量系按2A12制外套螺母与1Cr12Mn5Ni4Mo3AI制导管堵套组合的重量给出-6
锅45镀锌
导管堵套
铜45镀镉钝化
1HB60695
IHB6069-5·CdD
-6·CdD
-8· CdD
10· CdD
-12· CdD
-14· CdD
-16·CdD
18· CdD
-20·CdD
25·CdD
-32· CdD
-40· CdD
标准分享网
bzfxwcom免费下载
2A12-T4
1HB60685
GJB 859.36.25
100件
理论重量
2HB6067-18
GJB 859.36.220
2HB 606732
2HB 606740
首次生产
时给出
HB6067~6072-2008
3.1.2组件及其零件应符合通用规范HB5966-2008的要求。HB6072可以用合格的GJB859.36-1990对应规格的堵帽直接代替。3.2导管堵套
3.2.1导管堵套的结构、尺寸和标记应符合图2、表3和表4的规定。1HB6067~1HB6069《导管堵套》0.2
12°50'±30
堵套材料
1Cr12Mn5Ni4Mo3Al
2A12-T4
55*±30
R0.1~0.15
R0.2±0.05
表3标记方法
表面处理
阳极化
镀锌钝化
镀镉钝化
HB6067~6072-2008
标记方法
1HB6067-DN
1HB6068-DN
1HB6069-DN
IHB6069-D·CdD
HB60676072-2008
导管公
称外径
参数表
1Cr12Mn5Ni4Mo3Al制导管堵套应进行荧光检查。一般公差应符合HB5800-1999的规定。一
±0.2±0.2
3.2.4其他技术要求应符合通用规范HB5966-2008的规定。3.3角环
3.3.1角环的结构和尺寸应符合图3和表5的规定。2HB6067《角环》
标准分享网WANhzfyWrnm免费下载5.1
17.242.253.0
100件
理论重量
铝制品钢制品
导管公称外径
参数表
导环的标记方法为在标准代号后增加短线和导管公称外径的毫米数。示例:导管公称外径D=18mm的角环标记为:2HB6067~18。3.3.3材料:E组钢丝应符合GB/T4358-1995。3.3.4热处理:(260~300)℃回火20min。3.3.5表面处理:镀镉钝化。
一般公差应符合HB5800一1999的规定。3.3.6
3.3.7其余技术要求应符合HB5966-2008的规定。HB6067~6072-2008
100件理论重量
中华人民共和国航空行业标准
21MPa无扩口导管堵帽
HB6067~6072-2008
中国航空综合技术研究所出版
(北京东外京顺路7号)
中国航空综合技术研究所印刷车间印刷北京1665信箱发行
版权专有不得翻印
4字数17千字
D1/16印张3/4
开本880×1230
2008年9月第一版2008年9月第一次印刷印数1-200
书号:标301.2459
标准分享网WAWhzfyWrnm免费下载定价8.00元
80009909
小提示:此标准内容仅展示完整标准里的部分截取内容,若需要完整标准请到上方自行免费下载完整标准文档。
标准图片预览:





- 其它标准
- 热门标准
- 航空工业行业标准(HB)
- HB7026.24-1994 夹具通用件定位件 带拉环定位插销
- HB/Z177-1990 软件项目管理基本要求
- HB/Z273.10-1995 切削加工操作指南 齿轮加工
- HB5420-1989 电阻焊电极与辅助装置用铜及铜合金
- HB6176-1988 飞机油气式缓冲器起落架
- HB5522-1980 模压橡胶制品尺寸公差(试行)
- HB7774.1-2005 基于UG航空发动机建模要求 第1部分:通用要求
- HB7796-2005 航空产品数据管理通用要求
- HB7878-2008 空地导弹战斗部威力指标仿真试验方法
- HB7882-2008 金属软管组件通用规范
- HB7026.21-1994 夹具通用件定位件 带滚花头定位插销
- HB8029-2002 尼龙半圆头螺钉
- HB6336-2002 平锥头半空心铆钉(6336)
- HB5830.14-1996 机载设备环境条件及试验方法 低气压(高度)
- HB6925-1994 三齿粗加工立铣刀用槽铣刀 用于 HB 6911~6912-94 HB 6914~6915-94 D=63~80mm
- 行业新闻
请牢记:“bzxz.net”即是“标准下载”四个汉字汉语拼音首字母与国际顶级域名“.net”的组合。 ©2025 标准下载网 www.bzxz.net 本站邮件:bzxznet@163.com
网站备案号:湘ICP备2025141790号-2
网站备案号:湘ICP备2025141790号-2