- 您的位置:
- 标准下载网 >>
- 标准分类 >>
- 航天工业行业标准(QJ) >>
- QJ 1135A-2002 固体火箭发动机振动试验方法
标准号:
QJ 1135A-2002
标准名称:
固体火箭发动机振动试验方法
标准类别:
航天工业行业标准(QJ)
标准状态:
现行-
发布日期:
2002-11-20 -
实施日期:
2003-02-01 出版语种:
简体中文下载格式:
.rar.pdf下载大小:
5.57 MB
替代情况:
QJ 1135-1987
点击下载
标准简介:
标准下载解压密码:www.bzxz.net
本标准规定了固体火箭发动机(以下简称发动机)的正弦与随机振动试验的目的、条件、技术要求(含安全技术要求)、程序和结果评定等。本标准适用于战略、战术导弹和宇航运载用发动机的振动试验,也适用于发动机部组件及其结构模型振动试验。 QJ 1135A-2002 固体火箭发动机振动试验方法 QJ1135A-2002
部分标准内容:
中华人民共和国航天行业标准
FL1337
QJ1135A2002
代替QJ1135-1987
固体火箭发动机振动试验方法
Vibration test method for solid rocket motors2002—11—20发布
国防科学技术工业委员会发布
2003一02一01实施
本标准代替QJ1135一1987《战术导弹固体火箭发动机振动试验方法》。本标准与QJ1135一1987相比主要变化如下:QJ1135A2002
关于适用范围的修订:扩大适用范围至战略、战术导弹和宇航运载用发动机。将试验目的调整为考核发动机对振动环境的适应性,为最终评定其结构完整性、性能稳定性和工作可靠性提供试验依据。增加了获得发动机有关部位的振动响应特性,为验证数学模型提供依据。
-增加了正弦试验条件,并对其他措辞进行了相应变动。一调整了试验技术要求的有关内容。一增加了试验安全要求。
一修改了试验程序的有关内容。本标准的附录A为资料性附录。
本标准由中国航天科工集团公司提出。本标准由中国航天标准化研究所归口。本标准起草单位:中国航天科工集团公司六院四十一所,中国航天科技集团公司四院四十一所。本标准主要起草人:王峰、王洪桂、郭占成、张培芳。本标准于2002年11月第一次修订。1
1范围
固体火箭发动机振动试验方法
QJ1135A-2002
本标准规定了固体火箭发动机(以下简称发动机)的正弦与随机振动试验的目的、条件、技术要求(含安全技术要求)、程序和结果评定等。本标准适用于战略、战术导弹和宇航运载用发动机的振动试验,也适用于发动机部组件及其结构模型振动试验
2规范性引用文件
下列文件中的条款通过本标准的引用而成为本标准的条款。凡是注日期的引用文件,其随后所有的修改单(不包含勘误的内容)或修订版均不适用于本标准,然而,鼓励根据本标准达成协议的各方研究是否可使用这些文件的最新版本。凡是不注日期的引用文件,其最新版本适用于本标准。GJB23651995固体火箭发动机静止试验测试方法QJ1167.5一1998研究试验文件管理制度研究试验文件的编写规定QJ14231988特种作业人员安全技术考核管理规定3试验目的
发动机振动试验目的如下:
a)考核发动机对振动环境条件的适应性,为最终评定其结构完整性、性能稳定性和工作可靠性提供试验依据;
获得发动机有关部位的动态响应特性,为验证数学分析模型的正确性提供依据。b)
4试验条件
4.1概述
振动试验条件包括振动类型、振动量级、试验时间、频率范围、激励施加部位和方向、试验允差、安装方式和试验环境的温度、湿度等要求,其具体要求一般由设计部门在试验技术文件中规定若无具体要求,可参照以下规定内容选取。4.2试验量值
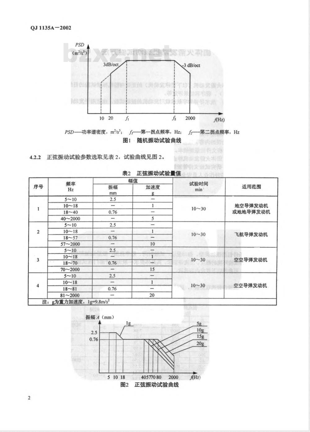
随机振动试验参数选取见表1,试验曲线见图1。4.2.1
随机振动试验量值
功率谱密度
m2/s3(g2/Hz)
拐点频率
注:g为重力加速度,1g-9.8m/s6
总均方根加速度
试验时间
适用范围
地地导弹发动机及其部
组件验收试验
地空导弹发动机
飞航导弹发动机
战略导弹发动机部组件
鉴定试验
空空导弹发动机
QJ1135A-2002
(m2/s)
迎就火堂
3dB/oct
PSD—功率谱密度,m?/s;
五的(标文存
-3dB/oct
精颂宽滑火
最的性歌
f—第一拐点频率,Hz;
随机振动试验曲线
4.2.2正弦振动试验参数选取见表2,试验曲线见图2。表2
J——第二拐点频率,Hz
大热价票
造股创扫文
让特府皮实身火本
超育文身发团
正弦振动试验量值
40~2000
57~2000
70~2000
81~2000
注:g为重力加速度,1g=9.8m/s振幅A(mm)
加速度
405770802000
正弦振动试验曲线
试验时间
适用范围
地空导弹发动机
或地地导弹发动机
飞航导弹发动机
空空导弹发动机
空空导弹发动机
4.3激励施加方向
沿发动机轴向和径向施加激励。4.4振动参数容差
4.4.1随机振动
QJ1135A—2002
4.4.1.1当用窄带分析仪测量激励功率谱密度时,控制点测得的功率谱密度与规定的功率谱密度相差值应在土3dB范围内。在500Hz~2000Hz范围内,允许容差为-6dB,但累计带宽不得大于试验频率范围的5%。在整个试验频率范围内,总均方根加速度值与规定值的相差值应在土10%范围内。4.4.1.2功率谱密度测量应满足B·t≥50。B、1分别为分析系统的带宽和平均时间。对各种分析仪的分析带宽具体规定如下:
10Hz~200Hz之间最大带宽B=25Hz;200Hz~1000Hz之间最大带宽B=50Hz;1000Hz~2000Hz之间最大带宽B=100Hz。4.4.1.3当分析带宽小于最大带宽的20%时,允许个别点超出规定容差。当确认在该点上欠试验时,则应在相应频段内做补充试验。4.4.2正弦振动
在整个频率范围内控制点上测得的容差为:a)加速度量值:土10%:
b)振幅量值:土10%;
c)振动频率:0.5Hz(f<25Hz),±2%(f≥25Hz)。5试验技术要求
5.1试验系统
振动试验系统一般包括振动台、水平滑台、试验工装、振动控制系统及测量系统,所有的试验设备均应满足试验技术要求和精度要求,并在计量检定或校准合格有效期内。一般振动试验系统的组成见图3。加速度
传感器
振动台
电荷或电压放大器
电荷或电压放大器
功率放大器
振动控制器
图3振动试验系统的组成示意图
记录仪
频谱分析仪
QJ1135A-2002
5.1.1振动台应满足以下要求:
a)振动台的额定推力应大于根据试验条件所估算出的需用推力,见附录A,并根据发动机特点适当考虑余量,一般情况下试验所需推力以不超过振动台额定推力的80%为宜:振动台的最大位移和频率范围应满足试验条件的要求;b)
c)振动台额定静负载应大于发动机及工装的质量总和;d)
装配有对电磁兼容性要求的部组件的发动机,电磁振动台台面漏磁量应符合有关试验技术规定的要求;
当被试发动机质量和尺寸都较大,振动台激振力不足时,可利用多个振动台并联进行振动e
试验。
5.1.2水平滑台应满足以下要求:a)水平滑台应具有平坦的频响特性:b)水平滑台应具有大的刚度质量比:c)水平滑台应具有良好的导向装置。5.1.3试验工装应满足以下要求:a)工装频响特性应平坦:
0量元
b)工装的刚度质量比应尽可能大,优先采用铝镁合金或铝合金材料整体铸造成型结构,或采用焊接结构,尽量避免采用螺纹连接或铆接结构:c)工装的设计应使工装同发动机安装后质量分布尽量对称,以使不平衡载荷减到最小;d)工装的阻尼应尽量大。
5.1.4振动控制系统应满足以下要求:a)控制用的振动控制仪、电荷放大器、控制加速度计,其测量不确定度应小于或等于振动容差的1/3。对于重要或大型发动机试验,使用前应进行校准;b)
控制用传感器一般采用压电式加速度计,其灵敏度应根据试验振级高低来选择,使电荷放大器在最佳的信噪比下工作:
控制加速度计应具有平坦的频响特性,其第一阶自振频率应为试验上限频率的2.5倍以上:c)
d)控制加速度计的横向灵敏度应小于或等于3%。5.1.5测量系统应满足下列要求:a)测量系统的测量不确定度应小于或等于10%,对重要或大型发动机试验,测量用的记录仪、电荷放大器、加速度计等,试验前要进行校准;b)根据被测部位的刚度和质量来选择不同质量的加速度计,从而减小附加质量的影响;测量用加速度计应具有平坦的频响特性,其第一阶自振频率应为试验最高频率的2.5倍以c)
测量用的加速度计,应具有低的横向灵敏度,其值小于或等于5%。d)
5.2试验控制点和控制方式
5.2.1单点控制
试验控制点一般应选择在发动机与工装或发动机与振动台的对接面上,同时应远离干扰源(如产生撞击及电噪声较大的部位)。采用单点控制时,控制点的选择应先在试验条件下的1/5~1/3振动量级下进行正弦扫描,测出发动机和工装或振动台对接面上多个点(不少于3点)的响应,再选出响应值处于中间的点作为控制点。5.2.2多点控制
当试验发动机较大,按5.2.1选用控制点不合适时,可以将振动台、工装和发动机上各部位综合考虑,即将各部位响应信号的平均值、最大值或最小值作为控制信号。发动机试验优先采用多点平均控制,控制点数一般应多于或等于3点。4
5.2.3响应控制
QJ1135A-2002
由于试验系统的共振影响,发动机结构上或关键部组件在振动时的响应值不充许超过实际环境的允许值,可以采用响应控制方法。即除按试验条件控制输人振动量级外,还应在发动机的一些关键部位安装监测传感器,当这些部位的振动响应在某些频率上超过允许值时,降低这些频率的振动输人量级,防止因发动机的一些关键部位或组件的响应过大而导致对发动机的损伤。试验中通常采用多点平均控制和响应控制相结合的方法。5.3发动机安装与固定
5.3.1当振动台竖直使用时,发动机通过工装安装在振动台台面上,其安装要求如下:a)发动机与工装的合成质心应尽量在振动台台面的中心线上,并保证合成质心偏离振动台中心线所产生的倾覆力矩小于或等于振动台的允许值;b)
发动机与工装的连接应尽可能模拟弹上的实际边界条件:当发动机连同工装的质量超过振动台的额定静负载,应通过附加支撑来减少台面所承受的c)
负载,附加支撑装置一般采用空气弹簧或航空缓冲绳,附加支撑装置应受力均匀,其自振频率应小于或等于试验下限频率的1/3。5.3.2当使用水平滑台进行发动机横向振动试验时.应尽可能保证发动机与夹具的组合质心垂线与滑台中心基本重合,发动机安装后,应启动滑台,检查滑台工作是否正常。5.4连接螺栓
5.4.1发动机与工装或振动台台面的连接螺栓一-般应与发动机在弹上实际安装时的螺栓相同。5.4.2工装与振动台台面的连接螺栓的强度刚度及个数应保证在整个试验频率范围内,使输出平稳传递,螺栓的有效长度应减至最短。5.4.3连接螺栓的拧紧力矩应符合试验任务书要求,如无特殊规定,一般应使螺栓的拧紧拉伸应力达到螺栓材料强度极限的1/5~1/3,并小于或等于振动台允许的拧紧力矩。5.4.4连接螺栓应经常检查,如发现损坏,应立即更换。5.5加速度计的安装
5.5.1加速度计-一般采用螺纹连接或胶接,其安装方法按GJB2365一1995中方法501的有关规定执行。
5.5.2加速度计电缆,应选用低噪声电缆,其走向和固定应减少电磁的干扰及因抖动产生的摩擦电噪声,
5.6被试发动机
5.6.1被试发动机在试验前,-般应把点火装置卸下.装上结构与质量均相同的模拟件。被试发动机和点火装置应分别进行振动试验。5.6.2因结构特性无法卸下点火装置的被试发动机,试验时应保证其点火线路处于安全状态。6试验安全技术要求
6.1试验安全技术文件
在编写试验技术方案的同时,应编制发动机振动试验技术安全规程,其中包括:试验产品安全试验设备安全、操作人员安全等规程。必要时,还应编制发动机起吊、翻转和安装操作规程。6.2试验现场安全技术要求
6.2.1振动试验现场应具有专用接地地线,其接地电阻值应小于或等于42。6.2.2振动试验间与测试间之间应具有防爆隔离设施。6.2.3振动试验间所有电器应有防闪弧装置。6.2.4振动试验现场应保持整洁、有序,不得存放与试验无关的物品,不得放置多余发动机或其它易燃易爆物品。
QJ1135A-2002
6.2.5试验现场应设立安全警戒线和安全标识,杜绝明火,6.2.6消防设施状态良好,并在使用周期内。6.3试验安全要求
试验操作人员须符合QJ1423-1988中5.1~5.4和7.1、7.3、7.4的规定。6.3.1
装有点火装置的发动机,试验时其点火线路必须处于良好可靠的安全状态。6.3.2
被试发动机在进行试验或存放过程中,应连接在专用接地地线上。使用的吊具及工装应状态良好,并在检定合格有效期内。6.3.4
使用附加支撑或悬吊系统,试验前应进行静载荷强度试验和发动机模拟试件试验对于长时间、大振动量级的试验,应定时检查被试发动机的温度变化。6.3.6
现场工作人员必须按规定穿着防静电工作服和工作鞋。6.3.8
非工作人员不得进人试验现场
雷雨天气不得进行振动试验。
试验程序
7.1试验前准备
7.1.1根据试验任务书要求,编制试验大纲或试验操作规程。7.1.2根据试验技术要求选择振动台、控制仪、数据记录仪、控制用加速度计、电荷放大器和测量振动响应的传感器及二次仪表,并检查所选用的仪器设备工作状态是否良好。7.1.3验收被试发动机,核对被试发动机及其配套件型号、编号与试验任务书是否一致。同时对被试发动机进行外观是否有机械损伤、对接部位有无松动等项目的检查。7.1.4按发动机试验技术条件和5.3的规定完成发动机的安装。7.1.5按5.2的规定确定控制点位置,按5.5的规定安装控制加速度计和测量加速度计。7.1.6完成控制系统和测量系统接线以及试验前回路的检查。7.2试验
7.2.1按试验条件设置各项试验参数7.2.1.1正弦扫描振动时,按试验条件规定的频率范围、振动参数、扫描方式和持续时间等完成试验参数的设置。
7.2.1.2随机振动试验时,按试验条件规定的频率范围、振动量级、参考谱、试验持续时间等完成试验参数的设置
7.2.2试验程序
7.2.2.1首先以试验条件的1/51/2的振动量级对发动机进行预振,测量结构响应,并检查控制测量通道和试验夹具。
7.2.2.2按试验条件和操作规程进行试验。对随机振动试验,试验量级应逐渐加到试验要求的量级。7.2.2.3重复7.1.4~7.2.2,完成其它方向的振动试验。7.2.3试验后检测和数据处理
7.2.3.1对发动机进行外观和对接部位检查,并记录检查结果。7.2.3.2对试验测量数据进行处理,给出试验响应测量结果。7.3试验中断及其处理原则
7.3.1试验中断一般有以下几种情况:a)试验设备故障造成的中断;
b)电器干扰或测试仪器设备的故障造成的中断;国号
c)试验出现欠试验或过试验而不能满足试验技术文件要求时的中断;d)因被试发动机异常造成的试验中断。6
7.3.2试验中断按以下原则处理:QJ1135A-2002bzxZ.net
a)试验设备故障造成的中断,在故障排除后继续试验前,应判断中断对被试发动机无影响后,方可按规定的试验条件继续试验,累计试验时间。因电器干扰或测试设备本身故障引起的试验中断,在干扰和故障排除后,可继续试验,中b)
断前的试验持续时间应计算在总的试验时间之内欠试验或过试验引起的中断,在找出原因采取措施后方可继续试验。欠试验以前未超差的c)
试验时间计入总试验时间内;过试验的试验时间应累计在总试验时间内,但须征得试验任务提出单位的同意,确认过试验条件不会造成被试发动机的损坏后,方可按规定的试验条件继续试验
d)试验过程中因被试发动机发生异常现象造成的试验中断,是否继续进行试验,由试验任务提出单位确定。
8试验结果评定
试验结果评定要求与判据
按试验任务书或有关设计技术条件要求,对试验后的发动机外观和测试数据进行检查。当检查结果符合试验任务书要求时,则认为试验结果有效。若检查结果不满足试验任务书要求,则须与试验任务提出单位协商是否重新进行试验,8.2提供试验依据
根据被试发动机在试验前后的检测情况,为评定发动机对振动环境条件的适应性(含结构完整性、性能稳定性和工作可靠性)提供试验依据。9试验原始记录和试验报告
9.1原始记录
原始记录除按QJ1167.5一1998中5.7.6的规定进行外,还应包括以下内容:a)试验前,被试发动机的试验履历;试验仪器设备及测量和控制加速度计安装位置;b)
随机振动功率谱谱形及相关振动量级、试验时间、频率范围、激励施加部位和方向、试验允差和安装方式等参数,或正弦扫描振动的频率范围、振动参数、扫描方式和试验时间等;试验初始和最终的检测结果;
e)试验中出现的异常情况和故障。9.2试验报告
试验报告除按QJ1167.5一1998中的5.7.7的规定编写外,还应包括以下内容a)试验件的试验技术状态;
随机试验谱形或正弦扫描振动的频率范围和振动量级;b)
试验持续时间和试验方向;
试验步骤、试验中异常现象和排除措施;d)
试验结果(含试验数据、测点位置图、现场照片、被试发动机试验前后状态等);e)
试验结果分析。
QJ1135A-2002
A.1振动试验设备能力的估算
A.1.1正弦振动试验
A.1.1.1推力的估算
附录A
(资料性附录)
有关计算公式
根据包括试件、工装、振动台活动部分以及水平滑台的总质量和试验条件按公式A.1估算出的推力应小于振动台的额定推力,即:F,=mga式中:
F一所估算的需用推力,单位为牛(顿)(N):头
包括试件、工装、振动台活动部分及水平滑台的总有效质量,通常以普通质量代替,单mg
位为千克(kg);
—试验条件中给定的最大加速度,单位为米每二次方秒(m/s2);Fp振动台额定正弦推力,单位为牛(顿)(N)。A.1.1.2最大位移计算
试验条件中所给最大位移幅值或根据加速度按公式A.2所计算出的最大位移幅值应小于振动台的最大额定位移:
式中:
D一计算出的最大位移幅值,单位为米(m):a
一相应频率处的加速度幅值,单位为米每二次方秒(m/s):-可能出现最大位移时的频率,单位为赫兹(Hz):Dmax
一振动台给定的最大位移,单位为米(m)。A.1.2随机振动试验
A.1.2.1推力的估算
绝大多数振动台只给出正弦额定推力,可按公式A.3估算出振动台的随机额定推力:E
式中:
F一一估算的振动台随机额定推力,单位为牛(顿)(N)。(A.2)
公式A.3是最保守的估算,实际上振动台的随机推力与振动台动框潜力、功率放大器的潜力及功率放大器的耦合方式有关。一般情况下,正弦推力为随机推力的1.1至2.5倍,随机推力通常是指有效推力。
根据包括试件、夹具、振动台活动部分以及水平滑台的总质量和试验条件给定的总均方根加速度按公式A.4估算出的推力应小于振动台的额定随机推力:8
F=mg-arma< F,
式中:
F—估算出的需用随机推力,单位为牛(顿)(N);arma
一试验条件给定的总均方根加速度,单位为米每二次方秒(m/s2)。A.1.2.2最大位移估算
QJ1135A-2002
...(A.4)
根据试验条件所估算出的最大位移幅值应小于振动台的最大额定位移。最大位移通常按公式(A.5)近似计算:
D= 5.223 /W。/ f3
式中:
D半峰值,单位为米(m):
Wo—频率fo处的加速度功率谱密度,单位为二次方米每三次方秒(m2/s3):o可能出现最大位移的频率,单位为赫兹(Hz)(A.5)
小提示:此标准内容仅展示完整标准里的部分截取内容,若需要完整标准请到上方自行免费下载完整标准文档。
FL1337
QJ1135A2002
代替QJ1135-1987
固体火箭发动机振动试验方法
Vibration test method for solid rocket motors2002—11—20发布
国防科学技术工业委员会发布
2003一02一01实施
本标准代替QJ1135一1987《战术导弹固体火箭发动机振动试验方法》。本标准与QJ1135一1987相比主要变化如下:QJ1135A2002
关于适用范围的修订:扩大适用范围至战略、战术导弹和宇航运载用发动机。将试验目的调整为考核发动机对振动环境的适应性,为最终评定其结构完整性、性能稳定性和工作可靠性提供试验依据。增加了获得发动机有关部位的振动响应特性,为验证数学模型提供依据。
-增加了正弦试验条件,并对其他措辞进行了相应变动。一调整了试验技术要求的有关内容。一增加了试验安全要求。
一修改了试验程序的有关内容。本标准的附录A为资料性附录。
本标准由中国航天科工集团公司提出。本标准由中国航天标准化研究所归口。本标准起草单位:中国航天科工集团公司六院四十一所,中国航天科技集团公司四院四十一所。本标准主要起草人:王峰、王洪桂、郭占成、张培芳。本标准于2002年11月第一次修订。1
1范围
固体火箭发动机振动试验方法
QJ1135A-2002
本标准规定了固体火箭发动机(以下简称发动机)的正弦与随机振动试验的目的、条件、技术要求(含安全技术要求)、程序和结果评定等。本标准适用于战略、战术导弹和宇航运载用发动机的振动试验,也适用于发动机部组件及其结构模型振动试验
2规范性引用文件
下列文件中的条款通过本标准的引用而成为本标准的条款。凡是注日期的引用文件,其随后所有的修改单(不包含勘误的内容)或修订版均不适用于本标准,然而,鼓励根据本标准达成协议的各方研究是否可使用这些文件的最新版本。凡是不注日期的引用文件,其最新版本适用于本标准。GJB23651995固体火箭发动机静止试验测试方法QJ1167.5一1998研究试验文件管理制度研究试验文件的编写规定QJ14231988特种作业人员安全技术考核管理规定3试验目的
发动机振动试验目的如下:
a)考核发动机对振动环境条件的适应性,为最终评定其结构完整性、性能稳定性和工作可靠性提供试验依据;
获得发动机有关部位的动态响应特性,为验证数学分析模型的正确性提供依据。b)
4试验条件
4.1概述
振动试验条件包括振动类型、振动量级、试验时间、频率范围、激励施加部位和方向、试验允差、安装方式和试验环境的温度、湿度等要求,其具体要求一般由设计部门在试验技术文件中规定若无具体要求,可参照以下规定内容选取。4.2试验量值
随机振动试验参数选取见表1,试验曲线见图1。4.2.1
随机振动试验量值
功率谱密度
m2/s3(g2/Hz)
拐点频率
注:g为重力加速度,1g-9.8m/s6
总均方根加速度
试验时间
适用范围
地地导弹发动机及其部
组件验收试验
地空导弹发动机
飞航导弹发动机
战略导弹发动机部组件
鉴定试验
空空导弹发动机
QJ1135A-2002
(m2/s)
迎就火堂
3dB/oct
PSD—功率谱密度,m?/s;
五的(标文存
-3dB/oct
精颂宽滑火
最的性歌
f—第一拐点频率,Hz;
随机振动试验曲线
4.2.2正弦振动试验参数选取见表2,试验曲线见图2。表2
J——第二拐点频率,Hz
大热价票
造股创扫文
让特府皮实身火本
超育文身发团
正弦振动试验量值
40~2000
57~2000
70~2000
81~2000
注:g为重力加速度,1g=9.8m/s振幅A(mm)
加速度
405770802000
正弦振动试验曲线
试验时间
适用范围
地空导弹发动机
或地地导弹发动机
飞航导弹发动机
空空导弹发动机
空空导弹发动机
4.3激励施加方向
沿发动机轴向和径向施加激励。4.4振动参数容差
4.4.1随机振动
QJ1135A—2002
4.4.1.1当用窄带分析仪测量激励功率谱密度时,控制点测得的功率谱密度与规定的功率谱密度相差值应在土3dB范围内。在500Hz~2000Hz范围内,允许容差为-6dB,但累计带宽不得大于试验频率范围的5%。在整个试验频率范围内,总均方根加速度值与规定值的相差值应在土10%范围内。4.4.1.2功率谱密度测量应满足B·t≥50。B、1分别为分析系统的带宽和平均时间。对各种分析仪的分析带宽具体规定如下:
10Hz~200Hz之间最大带宽B=25Hz;200Hz~1000Hz之间最大带宽B=50Hz;1000Hz~2000Hz之间最大带宽B=100Hz。4.4.1.3当分析带宽小于最大带宽的20%时,允许个别点超出规定容差。当确认在该点上欠试验时,则应在相应频段内做补充试验。4.4.2正弦振动
在整个频率范围内控制点上测得的容差为:a)加速度量值:土10%:
b)振幅量值:土10%;
c)振动频率:0.5Hz(f<25Hz),±2%(f≥25Hz)。5试验技术要求
5.1试验系统
振动试验系统一般包括振动台、水平滑台、试验工装、振动控制系统及测量系统,所有的试验设备均应满足试验技术要求和精度要求,并在计量检定或校准合格有效期内。一般振动试验系统的组成见图3。加速度
传感器
振动台
电荷或电压放大器
电荷或电压放大器
功率放大器
振动控制器
图3振动试验系统的组成示意图
记录仪
频谱分析仪
QJ1135A-2002
5.1.1振动台应满足以下要求:
a)振动台的额定推力应大于根据试验条件所估算出的需用推力,见附录A,并根据发动机特点适当考虑余量,一般情况下试验所需推力以不超过振动台额定推力的80%为宜:振动台的最大位移和频率范围应满足试验条件的要求;b)
c)振动台额定静负载应大于发动机及工装的质量总和;d)
装配有对电磁兼容性要求的部组件的发动机,电磁振动台台面漏磁量应符合有关试验技术规定的要求;
当被试发动机质量和尺寸都较大,振动台激振力不足时,可利用多个振动台并联进行振动e
试验。
5.1.2水平滑台应满足以下要求:a)水平滑台应具有平坦的频响特性:b)水平滑台应具有大的刚度质量比:c)水平滑台应具有良好的导向装置。5.1.3试验工装应满足以下要求:a)工装频响特性应平坦:
0量元
b)工装的刚度质量比应尽可能大,优先采用铝镁合金或铝合金材料整体铸造成型结构,或采用焊接结构,尽量避免采用螺纹连接或铆接结构:c)工装的设计应使工装同发动机安装后质量分布尽量对称,以使不平衡载荷减到最小;d)工装的阻尼应尽量大。
5.1.4振动控制系统应满足以下要求:a)控制用的振动控制仪、电荷放大器、控制加速度计,其测量不确定度应小于或等于振动容差的1/3。对于重要或大型发动机试验,使用前应进行校准;b)
控制用传感器一般采用压电式加速度计,其灵敏度应根据试验振级高低来选择,使电荷放大器在最佳的信噪比下工作:
控制加速度计应具有平坦的频响特性,其第一阶自振频率应为试验上限频率的2.5倍以上:c)
d)控制加速度计的横向灵敏度应小于或等于3%。5.1.5测量系统应满足下列要求:a)测量系统的测量不确定度应小于或等于10%,对重要或大型发动机试验,测量用的记录仪、电荷放大器、加速度计等,试验前要进行校准;b)根据被测部位的刚度和质量来选择不同质量的加速度计,从而减小附加质量的影响;测量用加速度计应具有平坦的频响特性,其第一阶自振频率应为试验最高频率的2.5倍以c)
测量用的加速度计,应具有低的横向灵敏度,其值小于或等于5%。d)
5.2试验控制点和控制方式
5.2.1单点控制
试验控制点一般应选择在发动机与工装或发动机与振动台的对接面上,同时应远离干扰源(如产生撞击及电噪声较大的部位)。采用单点控制时,控制点的选择应先在试验条件下的1/5~1/3振动量级下进行正弦扫描,测出发动机和工装或振动台对接面上多个点(不少于3点)的响应,再选出响应值处于中间的点作为控制点。5.2.2多点控制
当试验发动机较大,按5.2.1选用控制点不合适时,可以将振动台、工装和发动机上各部位综合考虑,即将各部位响应信号的平均值、最大值或最小值作为控制信号。发动机试验优先采用多点平均控制,控制点数一般应多于或等于3点。4
5.2.3响应控制
QJ1135A-2002
由于试验系统的共振影响,发动机结构上或关键部组件在振动时的响应值不充许超过实际环境的允许值,可以采用响应控制方法。即除按试验条件控制输人振动量级外,还应在发动机的一些关键部位安装监测传感器,当这些部位的振动响应在某些频率上超过允许值时,降低这些频率的振动输人量级,防止因发动机的一些关键部位或组件的响应过大而导致对发动机的损伤。试验中通常采用多点平均控制和响应控制相结合的方法。5.3发动机安装与固定
5.3.1当振动台竖直使用时,发动机通过工装安装在振动台台面上,其安装要求如下:a)发动机与工装的合成质心应尽量在振动台台面的中心线上,并保证合成质心偏离振动台中心线所产生的倾覆力矩小于或等于振动台的允许值;b)
发动机与工装的连接应尽可能模拟弹上的实际边界条件:当发动机连同工装的质量超过振动台的额定静负载,应通过附加支撑来减少台面所承受的c)
负载,附加支撑装置一般采用空气弹簧或航空缓冲绳,附加支撑装置应受力均匀,其自振频率应小于或等于试验下限频率的1/3。5.3.2当使用水平滑台进行发动机横向振动试验时.应尽可能保证发动机与夹具的组合质心垂线与滑台中心基本重合,发动机安装后,应启动滑台,检查滑台工作是否正常。5.4连接螺栓
5.4.1发动机与工装或振动台台面的连接螺栓一-般应与发动机在弹上实际安装时的螺栓相同。5.4.2工装与振动台台面的连接螺栓的强度刚度及个数应保证在整个试验频率范围内,使输出平稳传递,螺栓的有效长度应减至最短。5.4.3连接螺栓的拧紧力矩应符合试验任务书要求,如无特殊规定,一般应使螺栓的拧紧拉伸应力达到螺栓材料强度极限的1/5~1/3,并小于或等于振动台允许的拧紧力矩。5.4.4连接螺栓应经常检查,如发现损坏,应立即更换。5.5加速度计的安装
5.5.1加速度计-一般采用螺纹连接或胶接,其安装方法按GJB2365一1995中方法501的有关规定执行。
5.5.2加速度计电缆,应选用低噪声电缆,其走向和固定应减少电磁的干扰及因抖动产生的摩擦电噪声,
5.6被试发动机
5.6.1被试发动机在试验前,-般应把点火装置卸下.装上结构与质量均相同的模拟件。被试发动机和点火装置应分别进行振动试验。5.6.2因结构特性无法卸下点火装置的被试发动机,试验时应保证其点火线路处于安全状态。6试验安全技术要求
6.1试验安全技术文件
在编写试验技术方案的同时,应编制发动机振动试验技术安全规程,其中包括:试验产品安全试验设备安全、操作人员安全等规程。必要时,还应编制发动机起吊、翻转和安装操作规程。6.2试验现场安全技术要求
6.2.1振动试验现场应具有专用接地地线,其接地电阻值应小于或等于42。6.2.2振动试验间与测试间之间应具有防爆隔离设施。6.2.3振动试验间所有电器应有防闪弧装置。6.2.4振动试验现场应保持整洁、有序,不得存放与试验无关的物品,不得放置多余发动机或其它易燃易爆物品。
QJ1135A-2002
6.2.5试验现场应设立安全警戒线和安全标识,杜绝明火,6.2.6消防设施状态良好,并在使用周期内。6.3试验安全要求
试验操作人员须符合QJ1423-1988中5.1~5.4和7.1、7.3、7.4的规定。6.3.1
装有点火装置的发动机,试验时其点火线路必须处于良好可靠的安全状态。6.3.2
被试发动机在进行试验或存放过程中,应连接在专用接地地线上。使用的吊具及工装应状态良好,并在检定合格有效期内。6.3.4
使用附加支撑或悬吊系统,试验前应进行静载荷强度试验和发动机模拟试件试验对于长时间、大振动量级的试验,应定时检查被试发动机的温度变化。6.3.6
现场工作人员必须按规定穿着防静电工作服和工作鞋。6.3.8
非工作人员不得进人试验现场
雷雨天气不得进行振动试验。
试验程序
7.1试验前准备
7.1.1根据试验任务书要求,编制试验大纲或试验操作规程。7.1.2根据试验技术要求选择振动台、控制仪、数据记录仪、控制用加速度计、电荷放大器和测量振动响应的传感器及二次仪表,并检查所选用的仪器设备工作状态是否良好。7.1.3验收被试发动机,核对被试发动机及其配套件型号、编号与试验任务书是否一致。同时对被试发动机进行外观是否有机械损伤、对接部位有无松动等项目的检查。7.1.4按发动机试验技术条件和5.3的规定完成发动机的安装。7.1.5按5.2的规定确定控制点位置,按5.5的规定安装控制加速度计和测量加速度计。7.1.6完成控制系统和测量系统接线以及试验前回路的检查。7.2试验
7.2.1按试验条件设置各项试验参数7.2.1.1正弦扫描振动时,按试验条件规定的频率范围、振动参数、扫描方式和持续时间等完成试验参数的设置。
7.2.1.2随机振动试验时,按试验条件规定的频率范围、振动量级、参考谱、试验持续时间等完成试验参数的设置
7.2.2试验程序
7.2.2.1首先以试验条件的1/51/2的振动量级对发动机进行预振,测量结构响应,并检查控制测量通道和试验夹具。
7.2.2.2按试验条件和操作规程进行试验。对随机振动试验,试验量级应逐渐加到试验要求的量级。7.2.2.3重复7.1.4~7.2.2,完成其它方向的振动试验。7.2.3试验后检测和数据处理
7.2.3.1对发动机进行外观和对接部位检查,并记录检查结果。7.2.3.2对试验测量数据进行处理,给出试验响应测量结果。7.3试验中断及其处理原则
7.3.1试验中断一般有以下几种情况:a)试验设备故障造成的中断;
b)电器干扰或测试仪器设备的故障造成的中断;国号
c)试验出现欠试验或过试验而不能满足试验技术文件要求时的中断;d)因被试发动机异常造成的试验中断。6
7.3.2试验中断按以下原则处理:QJ1135A-2002bzxZ.net
a)试验设备故障造成的中断,在故障排除后继续试验前,应判断中断对被试发动机无影响后,方可按规定的试验条件继续试验,累计试验时间。因电器干扰或测试设备本身故障引起的试验中断,在干扰和故障排除后,可继续试验,中b)
断前的试验持续时间应计算在总的试验时间之内欠试验或过试验引起的中断,在找出原因采取措施后方可继续试验。欠试验以前未超差的c)
试验时间计入总试验时间内;过试验的试验时间应累计在总试验时间内,但须征得试验任务提出单位的同意,确认过试验条件不会造成被试发动机的损坏后,方可按规定的试验条件继续试验
d)试验过程中因被试发动机发生异常现象造成的试验中断,是否继续进行试验,由试验任务提出单位确定。
8试验结果评定
试验结果评定要求与判据
按试验任务书或有关设计技术条件要求,对试验后的发动机外观和测试数据进行检查。当检查结果符合试验任务书要求时,则认为试验结果有效。若检查结果不满足试验任务书要求,则须与试验任务提出单位协商是否重新进行试验,8.2提供试验依据
根据被试发动机在试验前后的检测情况,为评定发动机对振动环境条件的适应性(含结构完整性、性能稳定性和工作可靠性)提供试验依据。9试验原始记录和试验报告
9.1原始记录
原始记录除按QJ1167.5一1998中5.7.6的规定进行外,还应包括以下内容:a)试验前,被试发动机的试验履历;试验仪器设备及测量和控制加速度计安装位置;b)
随机振动功率谱谱形及相关振动量级、试验时间、频率范围、激励施加部位和方向、试验允差和安装方式等参数,或正弦扫描振动的频率范围、振动参数、扫描方式和试验时间等;试验初始和最终的检测结果;
e)试验中出现的异常情况和故障。9.2试验报告
试验报告除按QJ1167.5一1998中的5.7.7的规定编写外,还应包括以下内容a)试验件的试验技术状态;
随机试验谱形或正弦扫描振动的频率范围和振动量级;b)
试验持续时间和试验方向;
试验步骤、试验中异常现象和排除措施;d)
试验结果(含试验数据、测点位置图、现场照片、被试发动机试验前后状态等);e)
试验结果分析。
QJ1135A-2002
A.1振动试验设备能力的估算
A.1.1正弦振动试验
A.1.1.1推力的估算
附录A
(资料性附录)
有关计算公式
根据包括试件、工装、振动台活动部分以及水平滑台的总质量和试验条件按公式A.1估算出的推力应小于振动台的额定推力,即:F,=mga
F一所估算的需用推力,单位为牛(顿)(N):头
包括试件、工装、振动台活动部分及水平滑台的总有效质量,通常以普通质量代替,单mg
位为千克(kg);
—试验条件中给定的最大加速度,单位为米每二次方秒(m/s2);Fp振动台额定正弦推力,单位为牛(顿)(N)。A.1.1.2最大位移计算
试验条件中所给最大位移幅值或根据加速度按公式A.2所计算出的最大位移幅值应小于振动台的最大额定位移:
式中:
D一计算出的最大位移幅值,单位为米(m):a
一相应频率处的加速度幅值,单位为米每二次方秒(m/s):-可能出现最大位移时的频率,单位为赫兹(Hz):Dmax
一振动台给定的最大位移,单位为米(m)。A.1.2随机振动试验
A.1.2.1推力的估算
绝大多数振动台只给出正弦额定推力,可按公式A.3估算出振动台的随机额定推力:E
式中:
F一一估算的振动台随机额定推力,单位为牛(顿)(N)。(A.2)
公式A.3是最保守的估算,实际上振动台的随机推力与振动台动框潜力、功率放大器的潜力及功率放大器的耦合方式有关。一般情况下,正弦推力为随机推力的1.1至2.5倍,随机推力通常是指有效推力。
根据包括试件、夹具、振动台活动部分以及水平滑台的总质量和试验条件给定的总均方根加速度按公式A.4估算出的推力应小于振动台的额定随机推力:8
F=mg-arma< F,
式中:
F—估算出的需用随机推力,单位为牛(顿)(N);arma
一试验条件给定的总均方根加速度,单位为米每二次方秒(m/s2)。A.1.2.2最大位移估算
QJ1135A-2002
...(A.4)
根据试验条件所估算出的最大位移幅值应小于振动台的最大额定位移。最大位移通常按公式(A.5)近似计算:
D= 5.223 /W。/ f3
式中:
D半峰值,单位为米(m):
Wo—频率fo处的加速度功率谱密度,单位为二次方米每三次方秒(m2/s3):o可能出现最大位移的频率,单位为赫兹(Hz)(A.5)
小提示:此标准内容仅展示完整标准里的部分截取内容,若需要完整标准请到上方自行免费下载完整标准文档。
标准图片预览:





- 其它标准
- 热门标准
- 航天工业行业标准(QJ)
- QJA1796-1998 分离(脱落)电连接器通用规范
- QJ3307-2008 固体火箭发动机离心静止试验方法
- QJ946A-1996 减压阀规范
- QJ903-1A-1995 航天产品工艺文件管理制度
- QJ1943-1990 S01-3聚氨酯清漆涂装通用工艺
- QJ990.3-1986 涂层检验方法 涂层厚度检验方法
- QJ990.14-1986 涂层检验方法 涂层附着力检验方法
- QJ2078A-1998 电液伺服阀试验方法
- QJ903.17A-1995 航天产品工艺文件管理制度 焊接工艺文件编制规则
- QJ2226-1992 星载行波管功率放大器 通用技术条件
- QJ2076.16-1991 管道法兰 凹凸面管道法兰用铝垫片
- QJ1078.3-1992 2 JL 0.5--3型微型 (10mm X 10mm X 11mm) 高环境灵敏继电器详细规范
- QJ1145.3-1987 焊接夹具零件及部件 三角压板
- QJ982-1986 普通螺纹选用规定
- QJ2227-1992 航天用电子器件贮存和超期复验要求
- 行业新闻
请牢记:“bzxz.net”即是“标准下载”四个汉字汉语拼音首字母与国际顶级域名“.net”的组合。 ©2025 标准下载网 www.bzxz.net 本站邮件:bzxznet@163.com
网站备案号:湘ICP备2025141790号-2
网站备案号:湘ICP备2025141790号-2