- 您的位置:
- 标准下载网 >>
- 标准分类 >>
- 有色金属行业标准(YS) >>
- YS/T 285-2007 铝电解用预焙阳极
标准号:
YS/T 285-2007
标准名称:
铝电解用预焙阳极
标准类别:
有色金属行业标准(YS)
标准状态:
现行-
发布日期:
2007-04-13 -
实施日期:
2007-10-01 出版语种:
简体中文下载格式:
.rar.pdf下载大小:
1.81 MB
替代情况:
替代YS/T 285-1998
点击下载
标准简介:
标准下载解压密码:www.bzxz.net
本标准规定了铝电解用预焙阳极的要求、试验方法、检验规则、包装、运输、贮存及合同内容等。 YS/T 285-2007 铝电解用预焙阳极 YS/T285-2007
部分标准内容:
ICS71.100.10
中华人民共和国有色金属行业标准YS/T285—2007
代替YS/T285-1998
铝电解用预焙阳极電
Prebaked anode for aluminium electrolysis2007-04-13发布
数码防伪
中华人民共和国国家发展和改革委员会2007-10-01实施
本标准代替YS/T285—1998《铝电解用预焙阳极》。本标准与YS/T285-1998相比主要变化如下:取消了牌号TY-3;
一对原标准部分理化性能指标值进行了修改;增加CO2反应性(残极率)作为常规分析指标;YS/T285-2007
一增加了抗折强度、热导率、空气渗透率、空气反应性、微量元素含量作为参考指标;取消原标准中附录A,理化性能试验方法直接引用相关标准。本标准由全国有色金属标准化技术委员会提出并归口。本标准由中国铝业股份有限公司河南分公司、山东晨阳碳素股份有限公司负责起草。本标准由包头铝业股份有限公司、云南铝业股份有限公司、山西阳泉铝业股份有限公司、镇江李裕碳素有限公司参加起草。
本标准主要起草人:罗梅、于易如、郝永琴、李庆义、李涛、聂爱红、李德坤、贾鲁宁、董仕毅、王云利、沈清华。
本标准由全国有色金属标准化技术委员会负责解释。本标准所代替标准的历次版本发布情况为:—YS/T285-1994、YS/T285-1998。1范围
铝电解用预焙阳极
YS/T285-—2007
本标准规定了铝电解用预焙阳极的要求、试验方法、检验规则、包装、运输、贮存及合同内容等。本标准适用于铝电解用预焙阳极(以下简称预焙阳极)。2规范性引用文件
下列文件中的条款通过本标准的引用而成为本标准的条款。凡是注日期的引用文件,其随后所有的修改单(不包括勘误的内容)或修订版均不适用于本标准,鼓励根据本标准达成协议的各方研究是否可使用这些文件的最新版本。凡是不注日期的引用文件,其最新版本适用于本标准。GB/T8170数值修约规则
预焙阳极
第3部分
铝用炭素材料取样方法
阴极炭块和预焙阳极室温电阻率的测定铝用炭素材料检测方法
第2部分
YS/T63.10
YS/T63.11
铝用炭素材料检测方法
第3部分
热导率的测定比较法
铝用炭素材料检测方法
第4部分
铝用炭素材料检测方法
第7部分
铝用炭素材料检测方法
第9部分
热膨胀系数的测定
表观密度的测定尺寸法
真密度的测定氮比重计法
第10部分
铝用炭素材料检测方法
铝用炭素材料检测方法
YS/T63.12
YS/T63.14
YS/T63.15
YS/T63.16
铝用炭素材料检测方法
铝用炭素材料检测方法
铝用炭素材料检测方法
第11部分
第12部分
第14部分
第15部分
第16部分
铝用炭素材料检测方法
YS/T63.19
铝用炭素材料检测方法
3要求
3.1产品分类
第19部分
空气渗透率的测定
空气反应性的测定
质量损失法
预焙阳极CO2反应性的测定质量损失法抗折强度的测定
三点法
耐压强度的测定
X射线荧光光谱分析方法
微量元素的测定
灰分含量的测定
预焙阳极用“TY”标注,按理化性能分为2个牌号:TY-1、TY-2。3.2理化性能
3.2.1预焙阳极的表观密度、真密度、耐压强度、CO2反应性(残极率)、室温电阻率、热膨胀系数、灰分含量等性能应符合表1的规定。
3.2.2需方对表1规定以外的性能如抗折强度、热导率、空气渗透率、空气反应性和微量元素含量(钒、镍、硅、铁、钠、钙)等有要求时应向供方提出,由供需双方协商确定并在合同中注明。3.2.3预焙阳极性能的数值修约按照GB/T8170的规定进行。3.2.4对于有残极返回生产的产品指标要求,由供需双方协商确定并在合同中注明。3.3预焙阳极的规格及尺寸充许偏差3.3.1预焙阳极的规格由供需双方商定。3.3.2预焙阳极的尺寸允许偏差应符合表2的规定。3.4外观质量
3.4.1预焙阳极表面粘接的填充料必须清理干净。1
YS/T285—2007
预焙阳极表面的氧化面面积不得大于该表面面积的20%,深度不得超过20mm。表1
理化性能
表观密度/
(g/cm2)
真密度/
(g/cm2)
耐压强度/
不小于
不直度
CO:反应性
(残极率)/%
室温电阻率
热膨胀系数
(10-6/K)
不大于
相对允许偏差
不大于±1.0%
不大于±1.5%
不大于±3.0%
不大于长度的1%
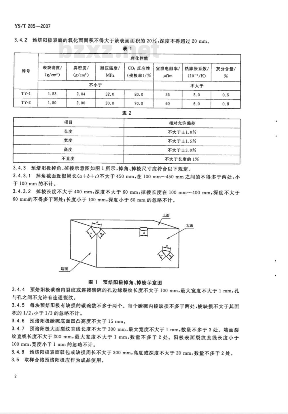
3.4.3预焙阳极掉角、掉棱示意图如图1所示,掉角、掉棱尺寸应符合以下规定。灰分含量/
3.4.3.1掉角截面近似周长a十b十c)不大于450mm,在100mm~450mm之间的不得多于两处,小于100mm的不计。
3.4.3.2掉棱长度不大于400mm,深度不大于60mm;掉棱长度在100mm~400mm,深度不大于60mm的不得多于两处;长度小于100mm,深度小于60mm的忽略不计。上面
图1预焙阳极掉角、掉棱示意图
3.4.4预焙阳极碳碗内裂纹或连接碳碗的孔边缘裂纹长度不大于100mm,最大宽度不大于1mm,孔与孔之间不允许有连通裂纹。
3.4.5每块预焙阳极有缺损的碳碗数不多于两个。每个碳碗内棱缺损不多于两处,棱缺损不大于其面积的1/2,小于1/3的忽略不计。3.4.6预焙阳极碳碗底面凹凸高度不大于15mm。3.4.7预焙阳极大面裂纹直线长度不大于300mm,最大宽度不大于1mm,数量不多于3处。端面裂纹直线长度不大于200mm,最大宽度不大于1mm,数量不多于2处。阳极表面裂纹直线长度小于100mm,宽度小于1mm的忽略不计。3.4.8预焙阳极表面鼓包或缺损周长不大于300mm,高度或深度不大于20mm,数量不多于2处。3.5取样合格预焙阳极应作为成品使用。2
4试验方法
4.1预焙阳极理化性能检验方法Www.bzxZ.net
表观密度的检验按YS/T63.7的规定进行。4.1.1
真密度的检验按YS/T63.9的规定进行。4.1.2
耐压强度的检验按YS/T63.15的规定进行。4.1.3
CO2反应性的检验按YS/T63.12的规定进行。4.1.4
室温电阻率的检验按YS/T63.2的规定进行。热膨胀系数的检验按YS/T63.4的规定进行。4.1.6
灰分含量的检验按YS/T63.19的规定进行。4.1.7
抗折强度的检验按YS/T63.14的规定进行。热导率的检验按YS/T63.3的规定进行。空气渗透率的检验按YS/T63.10的规定进行。4.1.10
空气反应性的检验按YS/T63.11的规定进行。2微量元素含量检验按YS/T63.16的规定进行。4.1.12
4.2尺寸及允许偏差测量方法
预焙阳极的尺寸及允许偏差用相应精度的测量工具进行测量。4.3外观质量检验方法
YS/T285-2007
预焙阳极表面缺陷的尺寸用相应精度的测量工具进行测量,其他外观质量用肉眼检查。5检验规则
5.1检查和验收
5.1.1预焙阳极应由供方技术监督部门进行检验,保证产品质量符合本标准(或订货合同)的规定,并填写质量证明书。
5.1.2需方应对收到的产品按本标准的规定进行检验,如检验结果与本标准(或订货合同)的规定不符时,应在收到产品之日起1个月内向供方提出,由供需双方协商解决。5.2组批
预焙阳极应成批提交检验,每批应由同一牌号的预焙阳极组成。每批不超过100块或按合同约定。5.3检验项目
每批产品均应进行表观密度、真密度、耐压强度、CO2反应性(残极率)、室温电阻率、热膨胀系数、灰分含量、尺寸及允许偏差、外观质量的检验。供需双方在合同中约定的其他性能指标(抗折强度、热导率、空气渗透率、空气反应性和微量元素含量等也应同时进行检验。5.4取样
预焙阳极的取样按照表3的规定进行。表3
检验项目
理化性能
尺寸及允许偏差
外观质量
5.5检验结果的判定
取样规定
按YS/T62.3的规定进行
逐块检验
逐块检验
要求的章条号
检验的章条号
5.5.1理化性能分析结果中有任何一项结果不合格时,应取双倍数量的试样对不合格项目进行重复试验,若重复试验中有一个试样仍不合格,则判该批产品不合格。YS/T285—2007
5.5.2尺寸偏差、外观质量不合格时,判该块不合格。6标志、包装、运输、贮存
6.1包装
预焙阳极产品一般用塑料薄膜简易包装,或由供需双方商定其他方式包装。6.2运输、贮存
预焙阳极在运输、贮存过程中应保持清洁、干燥,避免受潮、破损。6.3质量证明书
每批产品应附有质量证明书,其上注明:供方名称;
b)产品名称、规格和牌号;
批号;
d)净重和块数;
性能分析结果和技术监督部门印记;本标准编号;
出厂日期。
订货单(或合同)内容
本标准所列材料的订货单(或合同)内应包括下列内容:a)产品名称;
b)夫
规格和牌号:
c)数量;
d)本标准编号;
e)本标准要求的其他需要在合同中注明的内容。YS/T285-2007
版权专有侵权必究
书号:155066·2-17861
定价:
200—582 L/S
中华人民共和国有色金属
行业标准
铝电解用预焙阳极
YS/T285—2007
中国标准出版社出版发行
北京复兴门外三里河北街16号
邮政编码:100045
网址www.spc.net.cn
电话:6852394668517548
中国标准出版社秦皇岛印刷厂印刷各地新华书店经销
开本880×12301/16印张0.5字数9千字2007年7月第一版
2007年7月第一次印刷
书号:155066·2-17861
定价10.00元
如有印装差错由本社发行中心调换版权专有
侵权必究
举报电话:(010)68533533
小提示:此标准内容仅展示完整标准里的部分截取内容,若需要完整标准请到上方自行免费下载完整标准文档。
中华人民共和国有色金属行业标准YS/T285—2007
代替YS/T285-1998
铝电解用预焙阳极電
Prebaked anode for aluminium electrolysis2007-04-13发布
数码防伪
中华人民共和国国家发展和改革委员会2007-10-01实施
本标准代替YS/T285—1998《铝电解用预焙阳极》。本标准与YS/T285-1998相比主要变化如下:取消了牌号TY-3;
一对原标准部分理化性能指标值进行了修改;增加CO2反应性(残极率)作为常规分析指标;YS/T285-2007
一增加了抗折强度、热导率、空气渗透率、空气反应性、微量元素含量作为参考指标;取消原标准中附录A,理化性能试验方法直接引用相关标准。本标准由全国有色金属标准化技术委员会提出并归口。本标准由中国铝业股份有限公司河南分公司、山东晨阳碳素股份有限公司负责起草。本标准由包头铝业股份有限公司、云南铝业股份有限公司、山西阳泉铝业股份有限公司、镇江李裕碳素有限公司参加起草。
本标准主要起草人:罗梅、于易如、郝永琴、李庆义、李涛、聂爱红、李德坤、贾鲁宁、董仕毅、王云利、沈清华。
本标准由全国有色金属标准化技术委员会负责解释。本标准所代替标准的历次版本发布情况为:—YS/T285-1994、YS/T285-1998。1范围
铝电解用预焙阳极
YS/T285-—2007
本标准规定了铝电解用预焙阳极的要求、试验方法、检验规则、包装、运输、贮存及合同内容等。本标准适用于铝电解用预焙阳极(以下简称预焙阳极)。2规范性引用文件
下列文件中的条款通过本标准的引用而成为本标准的条款。凡是注日期的引用文件,其随后所有的修改单(不包括勘误的内容)或修订版均不适用于本标准,鼓励根据本标准达成协议的各方研究是否可使用这些文件的最新版本。凡是不注日期的引用文件,其最新版本适用于本标准。GB/T8170数值修约规则
预焙阳极
第3部分
铝用炭素材料取样方法
阴极炭块和预焙阳极室温电阻率的测定铝用炭素材料检测方法
第2部分
YS/T63.10
YS/T63.11
铝用炭素材料检测方法
第3部分
热导率的测定比较法
铝用炭素材料检测方法
第4部分
铝用炭素材料检测方法
第7部分
铝用炭素材料检测方法
第9部分
热膨胀系数的测定
表观密度的测定尺寸法
真密度的测定氮比重计法
第10部分
铝用炭素材料检测方法
铝用炭素材料检测方法
YS/T63.12
YS/T63.14
YS/T63.15
YS/T63.16
铝用炭素材料检测方法
铝用炭素材料检测方法
铝用炭素材料检测方法
第11部分
第12部分
第14部分
第15部分
第16部分
铝用炭素材料检测方法
YS/T63.19
铝用炭素材料检测方法
3要求
3.1产品分类
第19部分
空气渗透率的测定
空气反应性的测定
质量损失法
预焙阳极CO2反应性的测定质量损失法抗折强度的测定
三点法
耐压强度的测定
X射线荧光光谱分析方法
微量元素的测定
灰分含量的测定
预焙阳极用“TY”标注,按理化性能分为2个牌号:TY-1、TY-2。3.2理化性能
3.2.1预焙阳极的表观密度、真密度、耐压强度、CO2反应性(残极率)、室温电阻率、热膨胀系数、灰分含量等性能应符合表1的规定。
3.2.2需方对表1规定以外的性能如抗折强度、热导率、空气渗透率、空气反应性和微量元素含量(钒、镍、硅、铁、钠、钙)等有要求时应向供方提出,由供需双方协商确定并在合同中注明。3.2.3预焙阳极性能的数值修约按照GB/T8170的规定进行。3.2.4对于有残极返回生产的产品指标要求,由供需双方协商确定并在合同中注明。3.3预焙阳极的规格及尺寸充许偏差3.3.1预焙阳极的规格由供需双方商定。3.3.2预焙阳极的尺寸允许偏差应符合表2的规定。3.4外观质量
3.4.1预焙阳极表面粘接的填充料必须清理干净。1
YS/T285—2007
预焙阳极表面的氧化面面积不得大于该表面面积的20%,深度不得超过20mm。表1
理化性能
表观密度/
(g/cm2)
真密度/
(g/cm2)
耐压强度/
不小于
不直度
CO:反应性
(残极率)/%
室温电阻率
热膨胀系数
(10-6/K)
不大于
相对允许偏差
不大于±1.0%
不大于±1.5%
不大于±3.0%
不大于长度的1%
3.4.3预焙阳极掉角、掉棱示意图如图1所示,掉角、掉棱尺寸应符合以下规定。灰分含量/
3.4.3.1掉角截面近似周长a十b十c)不大于450mm,在100mm~450mm之间的不得多于两处,小于100mm的不计。
3.4.3.2掉棱长度不大于400mm,深度不大于60mm;掉棱长度在100mm~400mm,深度不大于60mm的不得多于两处;长度小于100mm,深度小于60mm的忽略不计。上面
图1预焙阳极掉角、掉棱示意图
3.4.4预焙阳极碳碗内裂纹或连接碳碗的孔边缘裂纹长度不大于100mm,最大宽度不大于1mm,孔与孔之间不允许有连通裂纹。
3.4.5每块预焙阳极有缺损的碳碗数不多于两个。每个碳碗内棱缺损不多于两处,棱缺损不大于其面积的1/2,小于1/3的忽略不计。3.4.6预焙阳极碳碗底面凹凸高度不大于15mm。3.4.7预焙阳极大面裂纹直线长度不大于300mm,最大宽度不大于1mm,数量不多于3处。端面裂纹直线长度不大于200mm,最大宽度不大于1mm,数量不多于2处。阳极表面裂纹直线长度小于100mm,宽度小于1mm的忽略不计。3.4.8预焙阳极表面鼓包或缺损周长不大于300mm,高度或深度不大于20mm,数量不多于2处。3.5取样合格预焙阳极应作为成品使用。2
4试验方法
4.1预焙阳极理化性能检验方法Www.bzxZ.net
表观密度的检验按YS/T63.7的规定进行。4.1.1
真密度的检验按YS/T63.9的规定进行。4.1.2
耐压强度的检验按YS/T63.15的规定进行。4.1.3
CO2反应性的检验按YS/T63.12的规定进行。4.1.4
室温电阻率的检验按YS/T63.2的规定进行。热膨胀系数的检验按YS/T63.4的规定进行。4.1.6
灰分含量的检验按YS/T63.19的规定进行。4.1.7
抗折强度的检验按YS/T63.14的规定进行。热导率的检验按YS/T63.3的规定进行。空气渗透率的检验按YS/T63.10的规定进行。4.1.10
空气反应性的检验按YS/T63.11的规定进行。2微量元素含量检验按YS/T63.16的规定进行。4.1.12
4.2尺寸及允许偏差测量方法
预焙阳极的尺寸及允许偏差用相应精度的测量工具进行测量。4.3外观质量检验方法
YS/T285-2007
预焙阳极表面缺陷的尺寸用相应精度的测量工具进行测量,其他外观质量用肉眼检查。5检验规则
5.1检查和验收
5.1.1预焙阳极应由供方技术监督部门进行检验,保证产品质量符合本标准(或订货合同)的规定,并填写质量证明书。
5.1.2需方应对收到的产品按本标准的规定进行检验,如检验结果与本标准(或订货合同)的规定不符时,应在收到产品之日起1个月内向供方提出,由供需双方协商解决。5.2组批
预焙阳极应成批提交检验,每批应由同一牌号的预焙阳极组成。每批不超过100块或按合同约定。5.3检验项目
每批产品均应进行表观密度、真密度、耐压强度、CO2反应性(残极率)、室温电阻率、热膨胀系数、灰分含量、尺寸及允许偏差、外观质量的检验。供需双方在合同中约定的其他性能指标(抗折强度、热导率、空气渗透率、空气反应性和微量元素含量等也应同时进行检验。5.4取样
预焙阳极的取样按照表3的规定进行。表3
检验项目
理化性能
尺寸及允许偏差
外观质量
5.5检验结果的判定
取样规定
按YS/T62.3的规定进行
逐块检验
逐块检验
要求的章条号
检验的章条号
5.5.1理化性能分析结果中有任何一项结果不合格时,应取双倍数量的试样对不合格项目进行重复试验,若重复试验中有一个试样仍不合格,则判该批产品不合格。YS/T285—2007
5.5.2尺寸偏差、外观质量不合格时,判该块不合格。6标志、包装、运输、贮存
6.1包装
预焙阳极产品一般用塑料薄膜简易包装,或由供需双方商定其他方式包装。6.2运输、贮存
预焙阳极在运输、贮存过程中应保持清洁、干燥,避免受潮、破损。6.3质量证明书
每批产品应附有质量证明书,其上注明:供方名称;
b)产品名称、规格和牌号;
批号;
d)净重和块数;
性能分析结果和技术监督部门印记;本标准编号;
出厂日期。
订货单(或合同)内容
本标准所列材料的订货单(或合同)内应包括下列内容:a)产品名称;
b)夫
规格和牌号:
c)数量;
d)本标准编号;
e)本标准要求的其他需要在合同中注明的内容。YS/T285-2007
版权专有侵权必究
书号:155066·2-17861
定价:
200—582 L/S
中华人民共和国有色金属
行业标准
铝电解用预焙阳极
YS/T285—2007
中国标准出版社出版发行
北京复兴门外三里河北街16号
邮政编码:100045
网址www.spc.net.cn
电话:6852394668517548
中国标准出版社秦皇岛印刷厂印刷各地新华书店经销
开本880×12301/16印张0.5字数9千字2007年7月第一版
2007年7月第一次印刷
书号:155066·2-17861
定价10.00元
如有印装差错由本社发行中心调换版权专有
侵权必究
举报电话:(010)68533533
小提示:此标准内容仅展示完整标准里的部分截取内容,若需要完整标准请到上方自行免费下载完整标准文档。
标准图片预览:





- 其它标准
- 热门标准
- 有色金属行业标准(YS)
- YS/T667.2-2009 化学品氧化铝化学分析方法 第2部分 填料用氢氧化铝及拟薄水铝石中砷、汞、铅含量的测定 氢化物发生-电感耦合等离子体发射光谱法
- YS/T12-2012 铝及铝合金火焰熔炼炉、保温炉
- YS/T1014.1-2014 三氧化二铋化学分析方法 第1部分:三氧化二铋量的测定 Na2EDTA滴定法
- YS/T833-2012 铼酸铵化学分析方法 铼酸铵中铍、镁、铝、钾、钙、钛、铬、锰、铁、钴、铜、锌和钼量的测定 电感耦合等离子体原子发射光谱法
- YS/T420-2000 铝合金韦氏硬度试验方法
- YS/T950-2014 散装红土镍矿取制样方法
- YS/T820.25-2012 红土镍矿化学分析方法 第25部分:化合水量的测定 重量法
- YS/T218-2011 超细羰基镍粉
- YS/T276.3-2011 铟化学分析方法 第3部分铊量的测定 甲基绿分光光度法
- YS/T820.4-2012 红土镍矿化学分析方法 第4部分 磷量的测定 钼蓝分光光度法
- YS/T521.6-2009 粗铜化学分析方法 第6部分:砷、锑、铋、铅、锌和镍量的测定 电感耦合等离子体原子发射光谱法
- YS/T555.2-2006 钼精矿化学分析方法 二氧化硅量的测定
- YS/T438.3-2001 砂状氧化铝物理性能测定方法 安息角的测定
- YS/T883-2013 锌精矿焙砂
- YS/T830-2012 正丁基锂
- 行业新闻
请牢记:“bzxz.net”即是“标准下载”四个汉字汉语拼音首字母与国际顶级域名“.net”的组合。 ©2025 标准下载网 www.bzxz.net 本站邮件:bzxznet@163.com
网站备案号:湘ICP备2025141790号-2
网站备案号:湘ICP备2025141790号-2