- 您的位置:
- 标准下载网 >>
- 标准分类 >>
- 国家标准(GB) >>
- GB/T 20707-2006 可可脂
标准号:
GB/T 20707-2006
标准名称:
可可脂
标准类别:
国家标准(GB)
标准状态:
现行-
发布日期:
2007-03-26 -
实施日期:
2007-06-01 出版语种:
简体中文下载格式:
.rar.pdf下载大小:
79.68 KB
标准ICS号:
食品技术>>茶、咖啡、可可>>67.140.30可可中标分类号:
食品>>食品加工与制品>>X24果类加工与制品
点击下载
标准简介:
标准下载解压密码:www.bzxz.net
本标准规定了可可脂的技术要求、试验方法、检验规则和标签要求。 本标准适用于可可脂(不包括脱臭可可脂)的生产、销售和监督。 GB/T 20707-2006 可可脂 GB/T20707-2006
部分标准内容:
JCS 67. 140. 30
中华人民共和国国家标准
GB/T20707—2006
可可脂
Cocoa butter
2006-12-07发布
中华人民共和国国家质量监督检验检疫总局中国国家标准化管理委员会
数码肪伪
2007-06-01实施
GB/T 20707—2006
本标谁是在S13/110210-1994名可可脂》实施多年的基础上,参考了国际食品法典委员会制定的CadexStan85-1981Rev1—2001可可脂标准(StandardforCcauttcrs)的有关内容,并结合我国可川脂生产现状制定的。
本标准的附录 A 为规范性附录。本标准出中国商业联合会提出。本标推由中国商业联台会归口。本标准起草单位:中国商业联合会商业标雅中心,中国焙烤食品糖制品.1业协会可可专业委员会、中国食品发酵业研究院,中国茶叶股份有限公司,上海大明叮可制品有限公司上海天可可食能有限公司,1海古原可可食品有限公司,上海天坛国际贸易有限公司、上海申卡食品有隧公司、上海加纳可可食品有限公司、无锡华东可可食品有限公司、上海金丝猴集团无锡可可制品有限公司,绍兴启利兴光川可制品有限公司、爱芬食品(北京)有限公司。本标准主要起草人:陈岩、赵燕萍、郭卫平、冯荣华、张惠出、朱华晋、余诗庆、陶峻骏、钱晨哟、徐长庚,施饪平、徐春利、钱春英、董虹。范固
本标准规定了可可脂的技术要求,试验方法,检验规则和标签要求。本标雅适用于川可脂(不包括脱臭可川脂)的生产,销售和监督。2规范性引用文件
GB/T 20707-2006
下列文件中的条款通过本标准的引用而成为木标准的条款。凡是注日期的引用文件,其随后所有的修改单(不包括勘误的内容)或修订版均不适用于本标准,然而,鼓励根据本标准达成协议的各方研究是否可使用这些文件的最新版本。凡是不注日期的引用文件,其最新版本适用于本标准。CB/T0.11食品中总种及无机神的测定GB/T5525—1985植物汕脂检验透明度,色译、气味、滋味鉴定法GR/T 5527
GB1 5528
GB/T 5530
Gh/T 5532
植物油脂检验:折光指数测定法植物油脂水分及挥发物含录测定法动植物油脂酸值和酸度的测定
1995植物油碘价测定
动植物油脂自化值的测定
GB/T 5534
GB/T5535.1动植物油脂不皂化物测定第1部分:乙醛提取法(第一方法)GB/T 5535. 2 动植物油脂
不皂化物测定第2部分:凹烷提取快速法GB/T5535植物油脂检验熔点测定法GH7718预包装食品标签通则
3术语和定义
下列术语和定义适用于本标准..3. 1
可可脂
cocoa butter
以纯可可为原料、经清理、筛选、焙炒、脱壳、磨浆、机榨等1艺制成的产品4技术要求
4.1感官要求
应符合表1的规定:
透明度
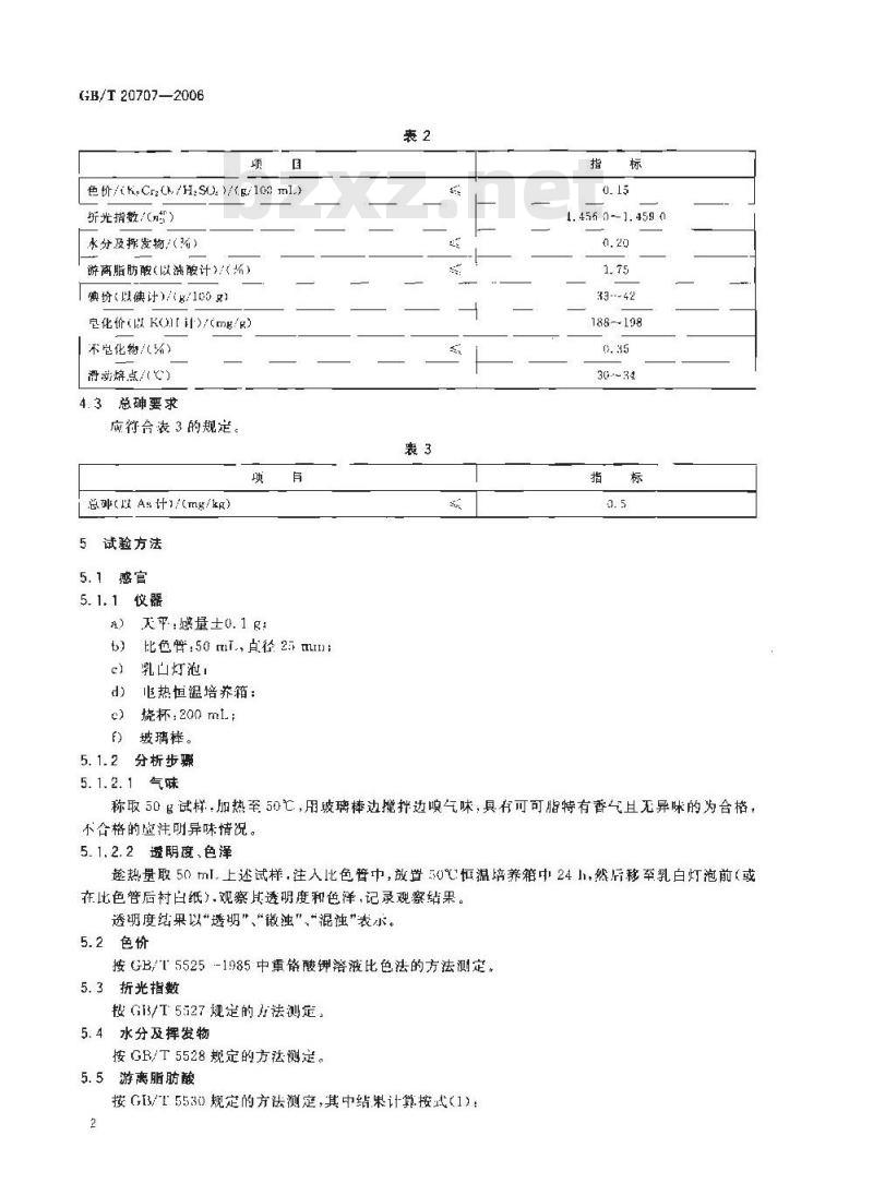
4.2理化要求
应符合表2的规定。
炼化后的色评呈明亮的柠榛黄至淡金黄色。澄清透幸微神
熔化后H有止常的可可香气,无恶味、味、哈败味或其他异咪GB/T 20707—2006
色价/(k.CrCh/H.s/g/10nml)
折光指数)
水分及挥发物)
游离脂肪酸(以洲酸计)拓)
【典价<以碘计)/(g/100g)
它化价(以K()【计)/(mg/)
【不化物
滑动熔点人)
4.3总砷要求
应符合表 3 的规定。
总(理 As计1/(mg/kg)
试验方法
5.1感官
5. 1. 1 仪器
天平感量士0.1R
比色管:50mT,点径25mm
乳凹灯泡!
电热恒温培养箱:
烧杯:200ml:
坡璃。
分析步骤
5. 1.2. 1气味
1. 456 0--1. 459 0
33---42
188--198
称取50试样:加热至50亡,用玻璃棒边搅拌边嗅气味,具有可可脂特有香气且无异味的为合格不合格的虚注明异味情况。
5.1.2.2透阴度、色泽
趋热量取 50 ml.上述试样,注人比色管中,放置 50℃恒温培养籍中24h,然后移至乳白灯泡前(或在比色管后衬白纸).观察其透明度和色泽,记录观察结果。透期度结果以“透明”、“微浊”、“混独”表尔。5.2色价
按GB/T5525-1985中重铬酸钾落波比色法的方法测定5.3折光指数
按G13/T527规定的力法测定,
5. 4水分及挥发物
按GB/T 5528规定的方法测定。
5.5游离脂肪酸
按G3/T 5530规定的方法测定,其中结果计算按武(1):2
式中:
Y-—游离脂肪酸(以池酸计),K
X酸价:
1, 99--一游离脂肪酸的换算系数。5.6碘价
按GB/T5532(件裁法)或附录A规定的方法测定。5.7皂化价
按GB/T5534舰定的方法测定,
5.8不皂化物
按 G[3/T 5535.1或GH/T 5535.2规定的方法测定。5.9滑动熔点
GB/T 20707—2006
将样品熔化后不断搅拌,让潜热散发,冷却至20左右,插人熔点毛细管,吸取样品达10mm高度,放置4℃~10℃冰箱中12h以上.然后按GI3/T5536规定的方法测定:其中测定结果中,试样在熔化前发牛软化状态,继续加热至试样上升时,立刻读取当时的温度,即为其滑动熔点。5.10总砷
按GB/T 5009,11规定的方法测定,6检验规则
6.1产品出厂前应由质量检验部门进行出厂检验·出!-检验的项目包括感官和理化指标,但不皂化物指标除外:
6.2每半年进行一次型式检验,型式检验的项日包括标准中规定的全部项日。发生下列情况之一时亦应进行型式检验:
- -史改原料时;
一-更改工艺时,
一长期径产后恢复生产时,
出检验结果与上次型式检验结果有较差异时回家质量监督机构提出进行型式检验的要求时:6.3以同一配方,同一批次的产品作为一个检验单位。6.4在成品库中随机抽取样品.销样数量按武(2)计算:A=N3
式中:
A——应取样品包数
B一一待检产品总包数。
计算A时取整数,小数部分向上修约,抽样量应不少于500名。6,5检验结果全部项日符拿本标准规定时,判该批产品为合格品6.6检验(含复验)结果中若有--项指标不符台本标难,则判该批产品为不合格品。(2)
6.7检验样品应妥善保存,以备复验,刘检验结果有异议时,样品应送法定或双方同意的仲裁机构复验仲载。
7标签
产品标上成标示产品名称、净含量、制造者或经销者的名称和地加,牛产口期(包装日期)、保质期、产品标准号,其他参见产品标识标注规定》。3
GB/T 20707—2006
A.1试剂bzxz.net
附录A
(规范性附录)
碘价的测定
溴化碘醋酸溶液(汉氏溶液):将13.2g纯碘溶于1000)ml.冰乙酸中(该冰乙酸应与重铬酸盐和硫酸无还原作用),冷却至25℃C,攻出 20 mL,用 0.1 mnl/l.硫代硫酸钠标准溶液测得其含最,按126,91g碘相当于79.92 g溴,并按溴的密度约 3,1 g/mL计算溴的如人冠,加人溴后,再用U.1 ul/L硫代硫酸钠标准溶液滴定,并校正溴的加人,使加溴后的滴定毫升数刚好为圳溴前的2倍
b)150g/L.碘化钾溶液;
)10 g/淀粉溶腋:
0.1mol/L硫代硫酸钠标准溶液。A.2仪器
同GB5532—1995中\仪器和用具”,A.3分析步骤
操作方法和结果计算,按GB5532的规定,其中以汉氏溶液代替市戊落液藝考文
原国家质量技术监督局技监局临发[19971172号产品标识标注规定》CB/T20707--2006
GB7T20707-2006
中华大民共和国
国家标准
可可脂
GB/T 2870V: 2005
中国标准出版社出版发行
北京复兴门外三里河北街16号
邮政编码:10C045
网址spc.net.cn
电话:6862394668517518
中国标准出版社秦泉岛印刷厂印刷各地新华书店经销
本880×12301/15
印张0.75字数10千字
使2007年3月第一次印刷
200743月第一般
3号:135066-[-2905]
定价14.00元
如有印装差错由本社发行中心调换版权专有侵权必究
举报电话:(010)68533533
小提示:此标准内容仅展示完整标准里的部分截取内容,若需要完整标准请到上方自行免费下载完整标准文档。
中华人民共和国国家标准
GB/T20707—2006
可可脂
Cocoa butter
2006-12-07发布
中华人民共和国国家质量监督检验检疫总局中国国家标准化管理委员会
数码肪伪
2007-06-01实施
GB/T 20707—2006
本标谁是在S13/110210-1994名可可脂》实施多年的基础上,参考了国际食品法典委员会制定的CadexStan85-1981Rev1—2001可可脂标准(StandardforCcauttcrs)的有关内容,并结合我国可川脂生产现状制定的。
本标准的附录 A 为规范性附录。本标准出中国商业联合会提出。本标推由中国商业联台会归口。本标准起草单位:中国商业联合会商业标雅中心,中国焙烤食品糖制品.1业协会可可专业委员会、中国食品发酵业研究院,中国茶叶股份有限公司,上海大明叮可制品有限公司上海天可可食能有限公司,1海古原可可食品有限公司,上海天坛国际贸易有限公司、上海申卡食品有隧公司、上海加纳可可食品有限公司、无锡华东可可食品有限公司、上海金丝猴集团无锡可可制品有限公司,绍兴启利兴光川可制品有限公司、爱芬食品(北京)有限公司。本标准主要起草人:陈岩、赵燕萍、郭卫平、冯荣华、张惠出、朱华晋、余诗庆、陶峻骏、钱晨哟、徐长庚,施饪平、徐春利、钱春英、董虹。范固
本标准规定了可可脂的技术要求,试验方法,检验规则和标签要求。本标雅适用于川可脂(不包括脱臭可川脂)的生产,销售和监督。2规范性引用文件
GB/T 20707-2006
下列文件中的条款通过本标准的引用而成为木标准的条款。凡是注日期的引用文件,其随后所有的修改单(不包括勘误的内容)或修订版均不适用于本标准,然而,鼓励根据本标准达成协议的各方研究是否可使用这些文件的最新版本。凡是不注日期的引用文件,其最新版本适用于本标准。CB/T0.11食品中总种及无机神的测定GB/T5525—1985植物汕脂检验透明度,色译、气味、滋味鉴定法GR/T 5527
GB1 5528
GB/T 5530
Gh/T 5532
植物油脂检验:折光指数测定法植物油脂水分及挥发物含录测定法动植物油脂酸值和酸度的测定
1995植物油碘价测定
动植物油脂自化值的测定
GB/T 5534
GB/T5535.1动植物油脂不皂化物测定第1部分:乙醛提取法(第一方法)GB/T 5535. 2 动植物油脂
不皂化物测定第2部分:凹烷提取快速法GB/T5535植物油脂检验熔点测定法GH7718预包装食品标签通则
3术语和定义
下列术语和定义适用于本标准..3. 1
可可脂
cocoa butter
以纯可可为原料、经清理、筛选、焙炒、脱壳、磨浆、机榨等1艺制成的产品4技术要求
4.1感官要求
应符合表1的规定:
透明度
4.2理化要求
应符合表2的规定。
炼化后的色评呈明亮的柠榛黄至淡金黄色。澄清透幸微神
熔化后H有止常的可可香气,无恶味、味、哈败味或其他异咪GB/T 20707—2006
色价/(k.CrCh/H.s/g/10nml)
折光指数)
水分及挥发物)
游离脂肪酸(以洲酸计)拓)
【典价<以碘计)/(g/100g)
它化价(以K()【计)/(mg/)
【不化物
滑动熔点人)
4.3总砷要求
应符合表 3 的规定。
总(理 As计1/(mg/kg)
试验方法
5.1感官
5. 1. 1 仪器
天平感量士0.1R
比色管:50mT,点径25mm
乳凹灯泡!
电热恒温培养箱:
烧杯:200ml:
坡璃。
分析步骤
5. 1.2. 1气味
1. 456 0--1. 459 0
33---42
188--198
称取50试样:加热至50亡,用玻璃棒边搅拌边嗅气味,具有可可脂特有香气且无异味的为合格不合格的虚注明异味情况。
5.1.2.2透阴度、色泽
趋热量取 50 ml.上述试样,注人比色管中,放置 50℃恒温培养籍中24h,然后移至乳白灯泡前(或在比色管后衬白纸).观察其透明度和色泽,记录观察结果。透期度结果以“透明”、“微浊”、“混独”表尔。5.2色价
按GB/T5525-1985中重铬酸钾落波比色法的方法测定5.3折光指数
按G13/T527规定的力法测定,
5. 4水分及挥发物
按GB/T 5528规定的方法测定。
5.5游离脂肪酸
按G3/T 5530规定的方法测定,其中结果计算按武(1):2
式中:
Y-—游离脂肪酸(以池酸计),K
X酸价:
1, 99--一游离脂肪酸的换算系数。5.6碘价
按GB/T5532(件裁法)或附录A规定的方法测定。5.7皂化价
按GB/T5534舰定的方法测定,
5.8不皂化物
按 G[3/T 5535.1或GH/T 5535.2规定的方法测定。5.9滑动熔点
GB/T 20707—2006
将样品熔化后不断搅拌,让潜热散发,冷却至20左右,插人熔点毛细管,吸取样品达10mm高度,放置4℃~10℃冰箱中12h以上.然后按GI3/T5536规定的方法测定:其中测定结果中,试样在熔化前发牛软化状态,继续加热至试样上升时,立刻读取当时的温度,即为其滑动熔点。5.10总砷
按GB/T 5009,11规定的方法测定,6检验规则
6.1产品出厂前应由质量检验部门进行出厂检验·出!-检验的项目包括感官和理化指标,但不皂化物指标除外:
6.2每半年进行一次型式检验,型式检验的项日包括标准中规定的全部项日。发生下列情况之一时亦应进行型式检验:
- -史改原料时;
一-更改工艺时,
一长期径产后恢复生产时,
出检验结果与上次型式检验结果有较差异时回家质量监督机构提出进行型式检验的要求时:6.3以同一配方,同一批次的产品作为一个检验单位。6.4在成品库中随机抽取样品.销样数量按武(2)计算:A=N3
式中:
A——应取样品包数
B一一待检产品总包数。
计算A时取整数,小数部分向上修约,抽样量应不少于500名。6,5检验结果全部项日符拿本标准规定时,判该批产品为合格品6.6检验(含复验)结果中若有--项指标不符台本标难,则判该批产品为不合格品。(2)
6.7检验样品应妥善保存,以备复验,刘检验结果有异议时,样品应送法定或双方同意的仲裁机构复验仲载。
7标签
产品标上成标示产品名称、净含量、制造者或经销者的名称和地加,牛产口期(包装日期)、保质期、产品标准号,其他参见产品标识标注规定》。3
GB/T 20707—2006
A.1试剂bzxz.net
附录A
(规范性附录)
碘价的测定
溴化碘醋酸溶液(汉氏溶液):将13.2g纯碘溶于1000)ml.冰乙酸中(该冰乙酸应与重铬酸盐和硫酸无还原作用),冷却至25℃C,攻出 20 mL,用 0.1 mnl/l.硫代硫酸钠标准溶液测得其含最,按126,91g碘相当于79.92 g溴,并按溴的密度约 3,1 g/mL计算溴的如人冠,加人溴后,再用U.1 ul/L硫代硫酸钠标准溶液滴定,并校正溴的加人,使加溴后的滴定毫升数刚好为圳溴前的2倍
b)150g/L.碘化钾溶液;
)10 g/淀粉溶腋:
0.1mol/L硫代硫酸钠标准溶液。A.2仪器
同GB5532—1995中\仪器和用具”,A.3分析步骤
操作方法和结果计算,按GB5532的规定,其中以汉氏溶液代替市戊落液藝考文
原国家质量技术监督局技监局临发[19971172号产品标识标注规定》CB/T20707--2006
GB7T20707-2006
中华大民共和国
国家标准
可可脂
GB/T 2870V: 2005
中国标准出版社出版发行
北京复兴门外三里河北街16号
邮政编码:10C045
网址spc.net.cn
电话:6862394668517518
中国标准出版社秦泉岛印刷厂印刷各地新华书店经销
本880×12301/15
印张0.75字数10千字
使2007年3月第一次印刷
200743月第一般
3号:135066-[-2905]
定价14.00元
如有印装差错由本社发行中心调换版权专有侵权必究
举报电话:(010)68533533
小提示:此标准内容仅展示完整标准里的部分截取内容,若需要完整标准请到上方自行免费下载完整标准文档。
标准图片预览:





- 其它标准
- 热门标准
- 国家标准(GB)
- GB29140-2024 纯碱单位产品能源消耗限额
- GB/T29633.4-2020 南极地名 第4部分:罗马字母拼写
- GB15193.5-2003 骨髓细胞微核试验
- GB/T15412-1994 应用电视摄像机云台通用技术条件
- GB28129-2011 乙羧氟草醚原药
- GB/T43225-2023 空间物体登记要求
- GB/T42970-2023 半导体集成电路 视频编解码电路测试方法
- GB/T18721.4-2024 印刷技术 印前数据交换 第4部分:显示用宽色域标准彩色图像数据 [Adobe RGB (1998)/SCID]
- GB/T9771.6-2020 通信用单模光纤 第6部分:宽波长段 光传输用非零色散单模光纤特性
- GB5237.3-2008 铝合金建筑型材 第3部分:电泳涂漆型材
- GB/T15773-1995 水土保持综合治理 验收规范
- GB3302-1982 日用陶瓷器验收、包装、标志、运输、储存规则
- GB30530-2024 二甲基硅氧烷单位产品能源消耗限额
- GB/T17424-2019 差分全球卫星导航系统(DGNSS)技术要求
- GB/T5750.13-2006 生活饮用水标准检验方法 放射性指标
- 行业新闻
请牢记:“bzxz.net”即是“标准下载”四个汉字汉语拼音首字母与国际顶级域名“.net”的组合。 ©2025 标准下载网 www.bzxz.net 本站邮件:bzxznet@163.com
网站备案号:湘ICP备2025141790号-2
网站备案号:湘ICP备2025141790号-2