- 您的位置:
- 标准下载网 >>
- 标准分类 >>
- 有色金属行业标准(YS) >>
- YS/T 255-2000 钴
标准号:
YS/T 255-2000
标准名称:
钴
标准类别:
有色金属行业标准(YS)
标准状态:
现行-
发布日期:
2000-03-29 -
实施日期:
2000-10-01 出版语种:
简体中文下载格式:
.rar.pdf下载大小:
94.77 KB
点击下载
标准简介:
标准下载解压密码:www.bzxz.net
术标雕规定了钻的要求、试验方法、检验规则、包装标志和质量证明书.本标准适用于电解法和火法精炼制取的金属钻多用干市熔(溶)制造合金、钻盐及其他用途. YS/T 255-2000 钴 YS/T255-2000
部分标准内容:
YS/T2552000
本标准是对YS/T255-1994《钻》(原GB6517--1986)的修订。与原标准相比作了如下修改:
1)以牌号代替原标准中的品号、代号;2)增设了Co9980牌号;
3)增加了由电解法制取的钻可按规则或不规则钻片供应的规定。本标准自实施之日起,同时代替YS/T255—1994。本标准由中国有色金属工业标准计量质量研究所提出。本标准由中国有色金属工业标准计量质量研究所归口。本标准起草单位:金川有色金属公司。本标准主要起草人:刘东准。
本标准委托全国有色金属标准化技术委员会负责解释。211
中华人民共和国有色金属行业标准钻
Cobalt
本标准规定了钴的要求、试验方法、检验规则、包装标悲和质量证明书。YS/T255-2000
代替YS/T255
本标准适用十电解法和火法精炼制取的金属钻。多用于重熔(溶)制造合金、钻盐及其他川途2引用标准
下列标准所包含的条文,通过在本标准中引用而成为本标准的条文。本标准出版时,所示版本均为有效。所有标准都会被修订,使用本标准的各方应探讨使用下列标准最新版本的可能性,GB/T8648~-1988钻化学分析方法3订货单(或合同)内容
3.1产品名称;
3.2牌号;
3.3形状、尺小、杂质含量等特殊要求;3.4数量;
3.5标准编号;
3.6其他。
4要求
4.1产品分类
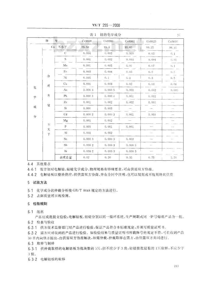
钻产品分为:Co9998、Co9980.Co9965.Co9925、Co9830五个牌号。4.2化学成分
各牌号钻的化学成分应符合表1规定。4.3表面质量
4.3.1Co9998.Co9980.Co9965牌号钻为电解钻板,Co9925牌号为电解钻板或钻锭、Co9830牌号为钻锭。
4.3.2电解钻板应清除的耳,表面洁净,无海绵状物,夹层内无存液及夹杂物。钻锭表面不得有渣及外来杂物。
4.3.3电解钻板边部厚度不小于2mm,钻锭锭重应不超过25kg。4.3.4电解钻板边部不得有树枝状结粒及直径大于2mm的气孔。4.3.5电解钻板面及边缘不得有高于5mm结粒,板面上高于2mm的密集结粒区总面积,不得超过钻板单面面积10%。
注:25mm×25mm电解钴板有5个气孔或结粒称为密集气孔区或密集结粒区。国家有色金属工业局2000-03-29批准212
2000-70-01实施
4.4其他要求
不小于
杂质总量
YS/T255—2000bZxz.net
Co9998
钴的化学成分
Co9980
Co9965
Co9925
4.4.1需方如对电解钻、钻锭化学成分、物理规格有特殊要求,可出供需双方协商。%
Co9830
4.4.2电解钻板以整块供应,但供需双方协商、并在合同中注明,也可以规则或不规则块状供货5试验方法
5.1化学成分的仲裁分析按GB/T8648规定的方法进行。5.2表面质量用用视检测。
6检验规则
6.1组批
产品应成批提交检验;电解钻板、钴锭分别以同一循环系统、生产周期或同·炉号熔炼产品为批。6.2检查与验收
6.2.1供方技术监督部门对产品进行检验,保证产品符合本标准规定,并填写质量证明书,6.2.2需方应对收到的产品进行检验。如检验结果与质量证明书所载牌号的规定不符,可在收到产品30日内问供方提出,由供需双方协商解决,如需仲裁,仲裁取样在需方,由供需双方共同进行。6.3取样与制样
供仲裁取样的电解钻板为批块数的5%,但不应少于3块,钴锭按批锭数的1%取样,不应少于6.3.1
3锭。
电解钻板的取样
YS/T255 ·-2000
6.3.2.1在四边距电解钻板边缘30mm的矩形中t,以棋盘行列均布36点。6.3.2.2以5~~20mm的硬质合金钻头在清除表面污染后的钻板上按6.3.2.1布点钻取试样.钻孔深度应不小-于钻板厚度的1/3。
6.3.3钻锭的取样
6.3.3.1将垂直浇铸的钴锭样品均分为三组,分别在锭中心、锭高1/4及3/4处钻取试样,水平浇铸钻锭按6.3.2.1、6.3.2.2规定钻取试样。6.3.4钻取试样过程不得使用润滑剂,转速以试样不被氧化为宜。6.3.5从每块钻板(锭)钻屑中提取质量相等的钻屑,混匀缩分至200g,均分为四份,分别供伸裁分析、备用、供需双方保存。
6.4检验结果判定
6.4.1化学成分的仲裁分析结果与本标准4.2规定不符时,该批产品为不合格品。6.4.2表面质量检验结果与本标准4.3规定不符时,该块(锭)产品为不合格。7包装、标志和质量证明书
7.1电解钻板以木箱或致密织物袋捆扎包装;钻锭及块状电解钻以木箱或铁箱包装7.2每件产品应注明
a)供方名称;
b)产品名称和牌号。
7.3每批产品须附有质量证明书、注明:a)供方名称;
b)产品名称和牌号;
c)批号;
d)批重;
e)分析检验结果和技术监督部门印记;f)本标准编号;
g)生产日期。
小提示:此标准内容仅展示完整标准里的部分截取内容,若需要完整标准请到上方自行免费下载完整标准文档。
本标准是对YS/T255-1994《钻》(原GB6517--1986)的修订。与原标准相比作了如下修改:
1)以牌号代替原标准中的品号、代号;2)增设了Co9980牌号;
3)增加了由电解法制取的钻可按规则或不规则钻片供应的规定。本标准自实施之日起,同时代替YS/T255—1994。本标准由中国有色金属工业标准计量质量研究所提出。本标准由中国有色金属工业标准计量质量研究所归口。本标准起草单位:金川有色金属公司。本标准主要起草人:刘东准。
本标准委托全国有色金属标准化技术委员会负责解释。211
中华人民共和国有色金属行业标准钻
Cobalt
本标准规定了钴的要求、试验方法、检验规则、包装标悲和质量证明书。YS/T255-2000
代替YS/T255
本标准适用十电解法和火法精炼制取的金属钻。多用于重熔(溶)制造合金、钻盐及其他川途2引用标准
下列标准所包含的条文,通过在本标准中引用而成为本标准的条文。本标准出版时,所示版本均为有效。所有标准都会被修订,使用本标准的各方应探讨使用下列标准最新版本的可能性,GB/T8648~-1988钻化学分析方法3订货单(或合同)内容
3.1产品名称;
3.2牌号;
3.3形状、尺小、杂质含量等特殊要求;3.4数量;
3.5标准编号;
3.6其他。
4要求
4.1产品分类
钻产品分为:Co9998、Co9980.Co9965.Co9925、Co9830五个牌号。4.2化学成分
各牌号钻的化学成分应符合表1规定。4.3表面质量
4.3.1Co9998.Co9980.Co9965牌号钻为电解钻板,Co9925牌号为电解钻板或钻锭、Co9830牌号为钻锭。
4.3.2电解钻板应清除的耳,表面洁净,无海绵状物,夹层内无存液及夹杂物。钻锭表面不得有渣及外来杂物。
4.3.3电解钻板边部厚度不小于2mm,钻锭锭重应不超过25kg。4.3.4电解钻板边部不得有树枝状结粒及直径大于2mm的气孔。4.3.5电解钻板面及边缘不得有高于5mm结粒,板面上高于2mm的密集结粒区总面积,不得超过钻板单面面积10%。
注:25mm×25mm电解钴板有5个气孔或结粒称为密集气孔区或密集结粒区。国家有色金属工业局2000-03-29批准212
2000-70-01实施
4.4其他要求
不小于
杂质总量
YS/T255—2000bZxz.net
Co9998
钴的化学成分
Co9980
Co9965
Co9925
4.4.1需方如对电解钻、钻锭化学成分、物理规格有特殊要求,可出供需双方协商。%
Co9830
4.4.2电解钻板以整块供应,但供需双方协商、并在合同中注明,也可以规则或不规则块状供货5试验方法
5.1化学成分的仲裁分析按GB/T8648规定的方法进行。5.2表面质量用用视检测。
6检验规则
6.1组批
产品应成批提交检验;电解钻板、钴锭分别以同一循环系统、生产周期或同·炉号熔炼产品为批。6.2检查与验收
6.2.1供方技术监督部门对产品进行检验,保证产品符合本标准规定,并填写质量证明书,6.2.2需方应对收到的产品进行检验。如检验结果与质量证明书所载牌号的规定不符,可在收到产品30日内问供方提出,由供需双方协商解决,如需仲裁,仲裁取样在需方,由供需双方共同进行。6.3取样与制样
供仲裁取样的电解钻板为批块数的5%,但不应少于3块,钴锭按批锭数的1%取样,不应少于6.3.1
3锭。
电解钻板的取样
YS/T255 ·-2000
6.3.2.1在四边距电解钻板边缘30mm的矩形中t,以棋盘行列均布36点。6.3.2.2以5~~20mm的硬质合金钻头在清除表面污染后的钻板上按6.3.2.1布点钻取试样.钻孔深度应不小-于钻板厚度的1/3。
6.3.3钻锭的取样
6.3.3.1将垂直浇铸的钴锭样品均分为三组,分别在锭中心、锭高1/4及3/4处钻取试样,水平浇铸钻锭按6.3.2.1、6.3.2.2规定钻取试样。6.3.4钻取试样过程不得使用润滑剂,转速以试样不被氧化为宜。6.3.5从每块钻板(锭)钻屑中提取质量相等的钻屑,混匀缩分至200g,均分为四份,分别供伸裁分析、备用、供需双方保存。
6.4检验结果判定
6.4.1化学成分的仲裁分析结果与本标准4.2规定不符时,该批产品为不合格品。6.4.2表面质量检验结果与本标准4.3规定不符时,该块(锭)产品为不合格。7包装、标志和质量证明书
7.1电解钻板以木箱或致密织物袋捆扎包装;钻锭及块状电解钻以木箱或铁箱包装7.2每件产品应注明
a)供方名称;
b)产品名称和牌号。
7.3每批产品须附有质量证明书、注明:a)供方名称;
b)产品名称和牌号;
c)批号;
d)批重;
e)分析检验结果和技术监督部门印记;f)本标准编号;
g)生产日期。
小提示:此标准内容仅展示完整标准里的部分截取内容,若需要完整标准请到上方自行免费下载完整标准文档。
标准图片预览:




- 其它标准
- 热门标准
- 有色金属行业标准(YS)
- YS/T667.2-2009 化学品氧化铝化学分析方法 第2部分 填料用氢氧化铝及拟薄水铝石中砷、汞、铅含量的测定 氢化物发生-电感耦合等离子体发射光谱法
- YS/T12-2012 铝及铝合金火焰熔炼炉、保温炉
- YS/T420-2000 铝合金韦氏硬度试验方法
- YS/T1014.1-2014 三氧化二铋化学分析方法 第1部分:三氧化二铋量的测定 Na2EDTA滴定法
- YS/T820.25-2012 红土镍矿化学分析方法 第25部分:化合水量的测定 重量法
- YS/T218-2011 超细羰基镍粉
- YS/T833-2012 铼酸铵化学分析方法 铼酸铵中铍、镁、铝、钾、钙、钛、铬、锰、铁、钴、铜、锌和钼量的测定 电感耦合等离子体原子发射光谱法
- YS/T276.3-2011 铟化学分析方法 第3部分铊量的测定 甲基绿分光光度法
- YS/T438.3-2001 砂状氧化铝物理性能测定方法 安息角的测定
- YS/T950-2014 散装红土镍矿取制样方法
- YS/T883-2013 锌精矿焙砂
- YS/T830-2012 正丁基锂
- YS/T820.4-2012 红土镍矿化学分析方法 第4部分 磷量的测定 钼蓝分光光度法
- YS/T521.6-2009 粗铜化学分析方法 第6部分:砷、锑、铋、铅、锌和镍量的测定 电感耦合等离子体原子发射光谱法
- YS/T693-2009 铜精矿生产能源消耗限额
- 行业新闻
请牢记:“bzxz.net”即是“标准下载”四个汉字汉语拼音首字母与国际顶级域名“.net”的组合。 ©2025 标准下载网 www.bzxz.net 本站邮件:bzxznet@163.com
网站备案号:湘ICP备2025141790号-2
网站备案号:湘ICP备2025141790号-2