- 您的位置:
- 标准下载网 >>
- 标准分类 >>
- 烟草行业标准(YC) >>
- YC/T 65-1996 烟草机械 SY111~114、SY21~22、SY25~26型压梗机
【烟草行业标准(YC)】 烟草机械 SY111~114、SY21~22、SY25~26型压梗机
本网站 发布时间:
2024-07-01 20:45:24
- YC/T65-1996
- 已作废
- 点击下载此标准
标准号:
YC/T 65-1996
标准名称:
烟草机械 SY111~114、SY21~22、SY25~26型压梗机
标准类别:
烟草行业标准(YC)
标准状态:
已作废-
发布日期:
1996-07-08 -
实施日期:
1996-11-01 -
作废日期:
2006-02-27 出版语种:
简体中文下载格式:
.rar.pdf下载大小:
209.41 KB
点击下载
标准简介:
标准下载解压密码:www.bzxz.net
YC/T 65-1996 烟草机械 SY111~114、SY21~22、SY25~26型压梗机 YC/T65-1996
部分标准内容:
YC/T65-1996
本标准规定了SY111~114,SY21~22、SY25~~26型压梗机的技术要求、试验方法、检验、标志、包装、运输及贮存等,可作为SY111~114,SY21~22、SY25~26型压梗机生产、质量检验、选购验收、使用维护、修理和洽谈贸易的技术依据。本标准从1996年11月1日起实施,1997年11月1日起所有制造的SY111~114、SY21~22、SY25~26型压梗机均应符合本标准的规定。本标准的附录 A是标准的附录。本标准由国家烟草专卖局提出。本标准由全国烟草标准化技术委员会归口。本标准起草单位:昆明船舶设备集团公司云南曙光机械厂本标准主要起草人:王开义、杨风春、赵华。227
中华人民共和国烟草行业标准
烟草机械
SY 111-114.SY 21-~22,SY 25~26型压梗机
Tobacco machinery
Model SY111to114,SY21to22,SY25to26 stemflattener1范围
YC/T 65—1996
本标准规定了SY111~114、SY21~~22、SY25~~26型压梗机的技术要求、试验方法、检验、标志、包装、运输及贮存等。
本标准适用于SY111~114,SY21~22、SY25~26型压梗机(以下简称整机)。2
引用标准
下列标推所包含的条文,通过在本标谁中引用而构成为本标准的条文。本标准出版时,所示版本均为有效。所有标推都会被修订,使用本标准的各方应探讨使用下列标准最新版本的可能性。GB 2894—1988
安全标志
GB/T 3768—1983
GB/T 13306—1991
噪声源声功率级的测定
YC/T1—1994烟草机械产品型号编制规则YC/T 10.10-1993
YC/T 10.111993
YC/T 10.12—1993
YC/T 10.14—1993
YC/T 10.16—1996
YC/T 11.2—1993
YC/T 15--1994
卷烟工艺规范
3分类与命名
烟草机械
烟草机械
烟草机械
烟草机械
烟草机械
烟草机械
简易法
通用技术条件
通用技术条件
通用技术条件
通用技术条件
通用技术条件
装有电子器件的电控设备
电气装配
产品图样及设计文件基本要求
烟草机械产品命名方法
分类与命名按YC/T1和YC/T15执行。3.1型号
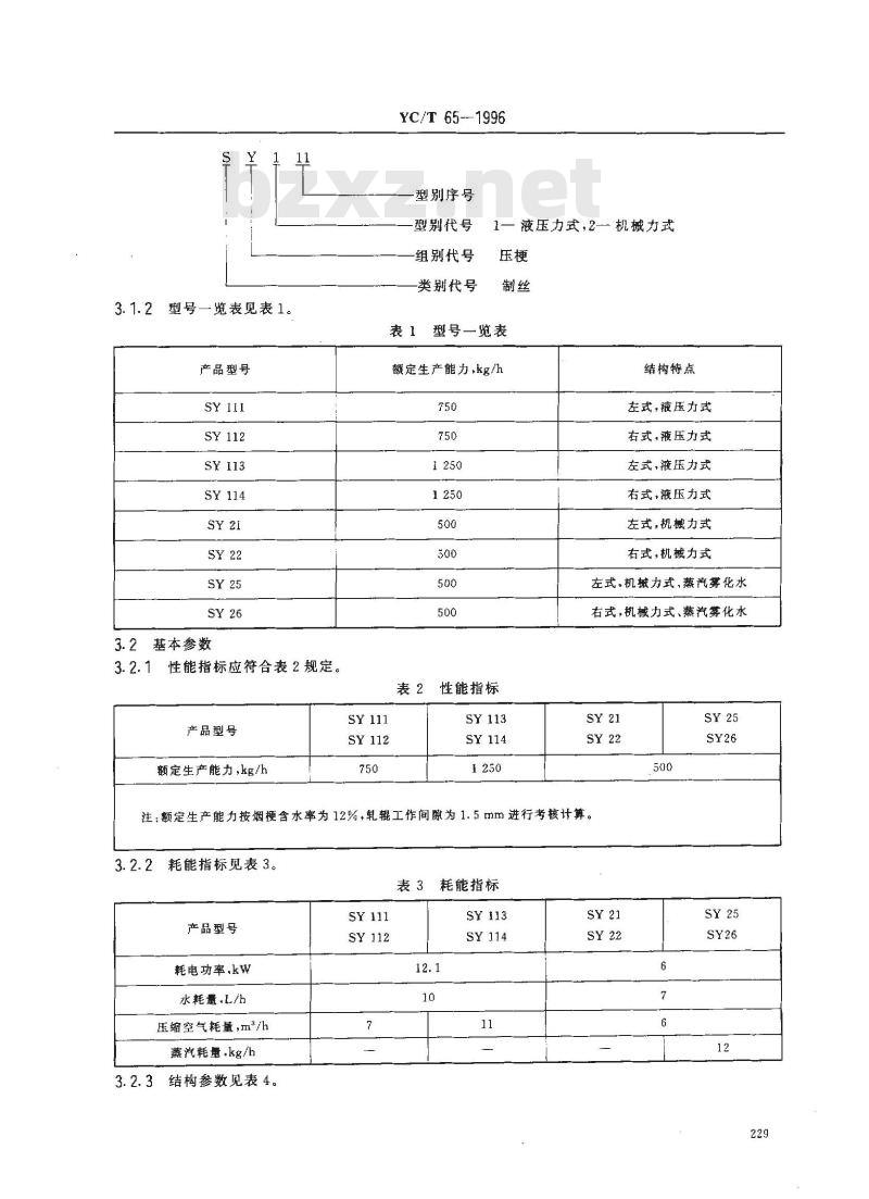
3.1.1型号示例如下:
国家烟草专卖局1996-07-08批准228
1996-11-01实施
3.1.2型号一览表见表1。
产品型号
3.2基本参数
3.2.1性能指标应符合表2规定。产品型号
额定生产能力,kg/h
YC/T 65-1996
型别序号
型别代号
组别代号
类别代号
1一液压力式,2—机械力式
表1型号一览表
额定生产能力,kg/h
性能指标
表22
SY 114
结构特点
左式,掖压力式
右式,液压力式
左式,液压力式
右式,液压力式
左式,机機力式
右式,机械力式
左式,机械力式,蒸汽雾化水
右式,机械力式、蒸汽雾化水
注;额定生产能力按烟梗含水率为12%,轧辊工作间原为1.5mm进行考核计算。耗能指标见表3。
表3耗能指标
产品型号
耗电功率,kw
水耗量-L/h
压缩空气耗量,m*/h
蒸汽耗量.kg/h
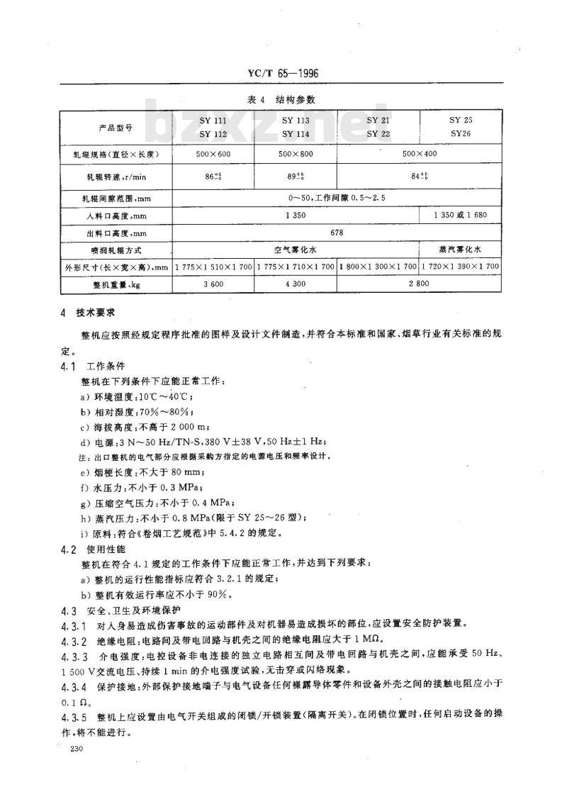
3.2.3结构参数见表4。
产品型号
轧轭规格(直径×长度)
轧辊转速,r/min
乳辊间隙范围,mm
人料口高度,mm
出料口高度,mm
喷润轧辊方式
SY 111
500×600
YC/T 65—1996
结构参数
500X800
0~50,工作间隙0. 5~2. 5
空气雾化水
500X400
1 350或1 680
燕汽募化水
外形尺寸(长×宽×高),mm1775×1510×17001775×1710×17001800×1300×1700|1720×1390×1700整机重量,kg
技术要求www.bzxz.net
整机应按照经规定程序批准的图样及设计文件制造,并符合本标推和国家,烟草行业有关标推的规定。
工作条件
整机在下列条件下应能正常工作:a)环境温度:10℃~40℃;
b)相对湿度:70%~80%;
c)海拔高度:不高于2000m;
d)电源:3N~50Hz/TN-S380V±38V,50Hz±1Hz注:出口整机的电气部分应根据采购方指定的电源电压和频率设计,e)烟梗长度:不大于80mm;
f)水压力:不小于0.3MPa,
g)压缩空气压力:不小于0.4MPa;h)蒸汽压力:不小于0.8MPa(限于SY25~26型);i)原料:符合《卷烟工艺规范》中5.4.2的规定。4.2使用性能
整机在符合4.1规定的工作条件下应能正常工作,并达到下列要求:a)整机的运行性能指标应符合3.2.1的规定;b)整机有效运行率应不小于90%。4.3安全、卫生及环境保护
4.3.1对人身易造成伤害事故的运动部件及对机器易造成损坏的部位,应设置安全防护装置。4.3.2绝缘电阻:电路间及带电回路与机壳之间的绝缘电阻应大于1MQ。4.3.3介电强度:电控设备非电连接的独立电路相互间及带电回路与机壳之间,应能承受50Hz、1500V交流电压、持续1min的介电强度试验,无击穿或闪络现象4.3.4保护接地:外部保护接地端子与电气设备任何裸露导体零件和设备外壳之间的接触电阻应小于0.10。
4.3.5整机上应设置由电气开关组成的闭锁/开锁装置(隔离开关)。在闭锁位置时,任何启动设备的操作,将不能进行。
YC/T 65-1996
4.3.6整机上应设置紧急停车按钮。当出现紧急情况(设备损坏或人身危险)时,按下此按钮即可断电停机。
4.3.7整机噪声不应大于75dB(A)。4.4装配
4.4.1装配应符合YC/T10.11和YC/T10.16的有关规定。4.4.2装配后两只轧辑的径向圆跳动应不大于0.2mm。4.4.3,两轧辑轴线相对于安装基面的不平行度不大于0.3mm,两轴线之间的不平行度不大于0. 13 mm.
4.4.4活动轧辑在导轨上应移动灵活,无卡滞现象。4.4.5管路系统安装后应作密封性检查:a)喷雾水管路进行0.4MPa的水压试验,保压5min,不得有泄漏现象,b)压缩空气管路进行0.6MPa的气压试验,保压5min,不得有泄漏现象!c)蒸汽管路进行1.2MPa的水压试验,保压5min,不得有泄漏现象(限于SY25~~26型);d)由机器液压泵提供压力,轧辊的工作位置在不小于12MPa的压力下,保压4h不得有泄漏现象(限于 SY 111~114 型)。
4.4.6液压系统的压力控制准确,当工作压力低于设定值下限或高于设定值上限时,应能自动启动或关断油泵(限于SY111~114型)。4.4.7活动轧辊退到松开位置时,相应的接近开关应动作可靠(限于SY111~114型)。4.4.8机器的安全防护罩打开时,轧辊应不能启动或停止转动。4.5空载运行
整机应以额定速度连续空载运行4h以上,并达到下列要求:a)控制系统运行正常可靠,应满足空载运行所需的各种功能,b)机器启动平稳、迅速,不应有冲击及异常噪声;c)减速器温升不高于40℃,电机温升不高于65C:d)当光电监测系统的光通道被阻断时,有停止供料信号输出;e)液压系统压力控制符合4.4.6的要求;f)接近开关动作灵敏可靠,
g)各连接件工作可靠。
4.6负载运行
整机应以额定生产能力进行负载运行21h以上,并达到下列要求:a)整机运行正常,控制系统应能满足负载运行所带的各种功能;b)使用性能符合4.2的规定。
注:整机受整线工艺设计的限制达不到额定生产能力时,可以用工艺设计能力代替额定生产能力进行运行。4.7外观
4.7.1整机外表面涂漆层质量应符合YC/T10.10-1993中4.3.5的有关规定。4.7.2整机外观涂漆色泽应与整线设备相协调。5试验方法
5.1试验用仪器、仪表及精度
a)500y兆欧表;
b)点温计0~150℃
c)声级计2型,
d)压力表1.5级。
5.2噪声
YC/T 65-—1996
5.2.1按GB/T3768-1983中6.4测量设备的噪声,并符合以下规定:a)主要测点距离为1000 mm;
b)测点距反射面的高度为1500mm;c)测点数为5点,即4个基本点再加上水平面上A声级最高点的附加测点,见图1。00S
○—基本测点,—附加测点
图1测点布置图
5.2.2背景噪声的修正按GB/T3768-1983中6.5执行。5.2.3测量表面平均声压级的计算按GB/T3768-1983中7.1执行。5.3电气安全性能
电控部分的绝缘电阻、介电强度和保护接地的测试方法按YC/T10.14-1993中4.2~4.4执行。5.4有效运行率
整机应以额定生产能力正常运行,连续三天,每天一班,每班不少于7h的考核运行时间《若不能保证每班7h考核运行时间,应延长该班工作时间或重新考核),有效运行率按式(1)计算:有效运行率(%)=实际盒精品产量 × 100额定产量
式中:额定产量一额定生产能力×(考核时间一非整机故障停机时间)注
1额定生产能力,实际合格品产量均按含水率12%计算。1)
2整机受整线工艺设计的限制达不到额定生产能力时,可以用工艺设计能力代替额定生产能力进行计算:3整机有效运行率的计算与采购方日常使用整机时有效作业率的考核是有区别的,后者存在资源配置、环境条件、企业管理等因素的影响。
6检验
整机的检验分为出厂检验、验收检验和型式检验。6.1出厂检验
6.1.1每台整机出厂检验项目为4.3~4.5和4.7及7.1、7.2.1、7.2.2。6.1.2每台整机经制造厂质量检验部门检验合格,并附有产品合格证书后方可出厂。6.2验收检验
6.2.1每台整机验收检验的项目为4.5和4.6。6.2.2整机的验收检验应在采购方进行。验收检验时,应做好工作条件记录和验收记录,作为验收凭证。工作条件记录和验收记录见附录A(标准的附录)。6.3型式检验
YC/T 65-1996
6. 3. 1有下列情况之-时,应进行型式检验,a)新产品或老产品转厂生产的试制定型鉴定:b)正式生产后,如产品设计有较大改变,可能影响产品性能时,c)正常生产时,积累100台产量后,应周期性进行~次检验,d)停产兰年后恢复生产时;
e)出厂检验结果与上钦型式检验有较大差异时:f)国家技术监督机构提出进行型式检验的要求时。6.3.2型式检验的项目为本标准所有技术要求及产品质量特性重要度分级表中关键特性项目和重要特性项目。
6.3.3型式检验应在经出厂检验合格的产品中随机抽取,抽样率为10%。若整机数量少于10台时,则随机抽取一台。
6.4判定规则
6.4.1在各项检验中,检验结果符合本标准的规定时,则判定产品为合格。6.4.2在检验中,当某项指标未达到标准规定时,允许调试后进行复验,若复验两次仍达不到规定时,则判定产品为不合格。
?标志、包装、运输及贮存
7.1标志
7.1.1标志应符合GB2894和GB/T13306的有关规定。铭牌的内容至少应包括:a)产品型号及名称;
b)额定生产能力;
c)制造厂名称;
d)制造日期和出厂编号。
7.1.2包装、运输及贮存标志应符合YC/T10.12--1993中3.5的规定。7.2包装、运输及贮存
7.2.1包装应符合YC/T10.12的有关要求。7.2.2随机文件应符合YC/T11.2的有关规定。7.2.3运输、贮存应符合YC/T10.12一1993中第4章的规定。在开箱验货前,若采购方在露天放置包装箱时应采取防雨、水措施。
8产品贵任
产品责任宜在采购方与供方签订的合同中予以明确。注:建议至少在合同中明确:采购方在遵守本标准和使用说明书规定的条件下,整机自开箱验货确认无误之日起18个月内,若因制造质量而不能正常使用,供方应及时免费修理或更换。233
A1工作条件记录
工作条件记录见表A1。
产品型号、名称
制造厂名称
制造日期、出厂编号
测试地点、时间
测试人员(签字)
评价:
项目名称
环境温度
相对度
海拨高度
YC/T 65—1996
附录A
(标准的附录】
工作条件记录和验收记录
表 A1工作条件记录
型压梗机
标准规定
10℃~40℃
70%~80%
不高于 2 000 m
电源:3 N~50 Hz/TN-S
烟梗长度
压缩空气压力
燕汽压力
380V±38 V
50 Hz±1 Hz
不大于80mm
≥0.3MPa
≥0.4MPa
≥0. 8 MPa
按卷烟工艺规范》
中5.4.2的规定执行
A2验收记录
验收记录见表A2。
产品型号、名称
制造广名称
制造日期、出厂编号
验收地点、时间
结论:
项目名称
额定生产能力
有效运行率
YC/T 65---1996
表A2验收记录
型压梗机
标准规定
按表2规定
≥90%
整机运行正常,控制系统功能齐全稳定采购方代表(签字):
供方代表(签字):
采购方单位(签章):
供方单位(签章):
年月日
小提示:此标准内容仅展示完整标准里的部分截取内容,若需要完整标准请到上方自行免费下载完整标准文档。
本标准规定了SY111~114,SY21~22、SY25~~26型压梗机的技术要求、试验方法、检验、标志、包装、运输及贮存等,可作为SY111~114,SY21~22、SY25~26型压梗机生产、质量检验、选购验收、使用维护、修理和洽谈贸易的技术依据。本标准从1996年11月1日起实施,1997年11月1日起所有制造的SY111~114、SY21~22、SY25~26型压梗机均应符合本标准的规定。本标准的附录 A是标准的附录。本标准由国家烟草专卖局提出。本标准由全国烟草标准化技术委员会归口。本标准起草单位:昆明船舶设备集团公司云南曙光机械厂本标准主要起草人:王开义、杨风春、赵华。227
中华人民共和国烟草行业标准
烟草机械
SY 111-114.SY 21-~22,SY 25~26型压梗机
Tobacco machinery
Model SY111to114,SY21to22,SY25to26 stemflattener1范围
YC/T 65—1996
本标准规定了SY111~114、SY21~~22、SY25~~26型压梗机的技术要求、试验方法、检验、标志、包装、运输及贮存等。
本标准适用于SY111~114,SY21~22、SY25~26型压梗机(以下简称整机)。2
引用标准
下列标推所包含的条文,通过在本标谁中引用而构成为本标准的条文。本标准出版时,所示版本均为有效。所有标推都会被修订,使用本标准的各方应探讨使用下列标准最新版本的可能性。GB 2894—1988
安全标志
GB/T 3768—1983
GB/T 13306—1991
噪声源声功率级的测定
YC/T1—1994烟草机械产品型号编制规则YC/T 10.10-1993
YC/T 10.111993
YC/T 10.12—1993
YC/T 10.14—1993
YC/T 10.16—1996
YC/T 11.2—1993
YC/T 15--1994
卷烟工艺规范
3分类与命名
烟草机械
烟草机械
烟草机械
烟草机械
烟草机械
烟草机械
简易法
通用技术条件
通用技术条件
通用技术条件
通用技术条件
通用技术条件
装有电子器件的电控设备
电气装配
产品图样及设计文件基本要求
烟草机械产品命名方法
分类与命名按YC/T1和YC/T15执行。3.1型号
3.1.1型号示例如下:
国家烟草专卖局1996-07-08批准228
1996-11-01实施
3.1.2型号一览表见表1。
产品型号
3.2基本参数
3.2.1性能指标应符合表2规定。产品型号
额定生产能力,kg/h
YC/T 65-1996
型别序号
型别代号
组别代号
类别代号
1一液压力式,2—机械力式
表1型号一览表
额定生产能力,kg/h
性能指标
表22
SY 114
结构特点
左式,掖压力式
右式,液压力式
左式,液压力式
右式,液压力式
左式,机機力式
右式,机械力式
左式,机械力式,蒸汽雾化水
右式,机械力式、蒸汽雾化水
注;额定生产能力按烟梗含水率为12%,轧辊工作间原为1.5mm进行考核计算。耗能指标见表3。
表3耗能指标
产品型号
耗电功率,kw
水耗量-L/h
压缩空气耗量,m*/h
蒸汽耗量.kg/h
3.2.3结构参数见表4。
产品型号
轧轭规格(直径×长度)
轧辊转速,r/min
乳辊间隙范围,mm
人料口高度,mm
出料口高度,mm
喷润轧辊方式
SY 111
500×600
YC/T 65—1996
结构参数
500X800
0~50,工作间隙0. 5~2. 5
空气雾化水
500X400
1 350或1 680
燕汽募化水
外形尺寸(长×宽×高),mm1775×1510×17001775×1710×17001800×1300×1700|1720×1390×1700整机重量,kg
技术要求www.bzxz.net
整机应按照经规定程序批准的图样及设计文件制造,并符合本标推和国家,烟草行业有关标推的规定。
工作条件
整机在下列条件下应能正常工作:a)环境温度:10℃~40℃;
b)相对湿度:70%~80%;
c)海拔高度:不高于2000m;
d)电源:3N~50Hz/TN-S380V±38V,50Hz±1Hz注:出口整机的电气部分应根据采购方指定的电源电压和频率设计,e)烟梗长度:不大于80mm;
f)水压力:不小于0.3MPa,
g)压缩空气压力:不小于0.4MPa;h)蒸汽压力:不小于0.8MPa(限于SY25~26型);i)原料:符合《卷烟工艺规范》中5.4.2的规定。4.2使用性能
整机在符合4.1规定的工作条件下应能正常工作,并达到下列要求:a)整机的运行性能指标应符合3.2.1的规定;b)整机有效运行率应不小于90%。4.3安全、卫生及环境保护
4.3.1对人身易造成伤害事故的运动部件及对机器易造成损坏的部位,应设置安全防护装置。4.3.2绝缘电阻:电路间及带电回路与机壳之间的绝缘电阻应大于1MQ。4.3.3介电强度:电控设备非电连接的独立电路相互间及带电回路与机壳之间,应能承受50Hz、1500V交流电压、持续1min的介电强度试验,无击穿或闪络现象4.3.4保护接地:外部保护接地端子与电气设备任何裸露导体零件和设备外壳之间的接触电阻应小于0.10。
4.3.5整机上应设置由电气开关组成的闭锁/开锁装置(隔离开关)。在闭锁位置时,任何启动设备的操作,将不能进行。
YC/T 65-1996
4.3.6整机上应设置紧急停车按钮。当出现紧急情况(设备损坏或人身危险)时,按下此按钮即可断电停机。
4.3.7整机噪声不应大于75dB(A)。4.4装配
4.4.1装配应符合YC/T10.11和YC/T10.16的有关规定。4.4.2装配后两只轧辑的径向圆跳动应不大于0.2mm。4.4.3,两轧辑轴线相对于安装基面的不平行度不大于0.3mm,两轴线之间的不平行度不大于0. 13 mm.
4.4.4活动轧辑在导轨上应移动灵活,无卡滞现象。4.4.5管路系统安装后应作密封性检查:a)喷雾水管路进行0.4MPa的水压试验,保压5min,不得有泄漏现象,b)压缩空气管路进行0.6MPa的气压试验,保压5min,不得有泄漏现象!c)蒸汽管路进行1.2MPa的水压试验,保压5min,不得有泄漏现象(限于SY25~~26型);d)由机器液压泵提供压力,轧辊的工作位置在不小于12MPa的压力下,保压4h不得有泄漏现象(限于 SY 111~114 型)。
4.4.6液压系统的压力控制准确,当工作压力低于设定值下限或高于设定值上限时,应能自动启动或关断油泵(限于SY111~114型)。4.4.7活动轧辊退到松开位置时,相应的接近开关应动作可靠(限于SY111~114型)。4.4.8机器的安全防护罩打开时,轧辊应不能启动或停止转动。4.5空载运行
整机应以额定速度连续空载运行4h以上,并达到下列要求:a)控制系统运行正常可靠,应满足空载运行所需的各种功能,b)机器启动平稳、迅速,不应有冲击及异常噪声;c)减速器温升不高于40℃,电机温升不高于65C:d)当光电监测系统的光通道被阻断时,有停止供料信号输出;e)液压系统压力控制符合4.4.6的要求;f)接近开关动作灵敏可靠,
g)各连接件工作可靠。
4.6负载运行
整机应以额定生产能力进行负载运行21h以上,并达到下列要求:a)整机运行正常,控制系统应能满足负载运行所带的各种功能;b)使用性能符合4.2的规定。
注:整机受整线工艺设计的限制达不到额定生产能力时,可以用工艺设计能力代替额定生产能力进行运行。4.7外观
4.7.1整机外表面涂漆层质量应符合YC/T10.10-1993中4.3.5的有关规定。4.7.2整机外观涂漆色泽应与整线设备相协调。5试验方法
5.1试验用仪器、仪表及精度
a)500y兆欧表;
b)点温计0~150℃
c)声级计2型,
d)压力表1.5级。
5.2噪声
YC/T 65-—1996
5.2.1按GB/T3768-1983中6.4测量设备的噪声,并符合以下规定:a)主要测点距离为1000 mm;
b)测点距反射面的高度为1500mm;c)测点数为5点,即4个基本点再加上水平面上A声级最高点的附加测点,见图1。00S
○—基本测点,—附加测点
图1测点布置图
5.2.2背景噪声的修正按GB/T3768-1983中6.5执行。5.2.3测量表面平均声压级的计算按GB/T3768-1983中7.1执行。5.3电气安全性能
电控部分的绝缘电阻、介电强度和保护接地的测试方法按YC/T10.14-1993中4.2~4.4执行。5.4有效运行率
整机应以额定生产能力正常运行,连续三天,每天一班,每班不少于7h的考核运行时间《若不能保证每班7h考核运行时间,应延长该班工作时间或重新考核),有效运行率按式(1)计算:有效运行率(%)=实际盒精品产量 × 100额定产量
式中:额定产量一额定生产能力×(考核时间一非整机故障停机时间)注
1额定生产能力,实际合格品产量均按含水率12%计算。1)
2整机受整线工艺设计的限制达不到额定生产能力时,可以用工艺设计能力代替额定生产能力进行计算:3整机有效运行率的计算与采购方日常使用整机时有效作业率的考核是有区别的,后者存在资源配置、环境条件、企业管理等因素的影响。
6检验
整机的检验分为出厂检验、验收检验和型式检验。6.1出厂检验
6.1.1每台整机出厂检验项目为4.3~4.5和4.7及7.1、7.2.1、7.2.2。6.1.2每台整机经制造厂质量检验部门检验合格,并附有产品合格证书后方可出厂。6.2验收检验
6.2.1每台整机验收检验的项目为4.5和4.6。6.2.2整机的验收检验应在采购方进行。验收检验时,应做好工作条件记录和验收记录,作为验收凭证。工作条件记录和验收记录见附录A(标准的附录)。6.3型式检验
YC/T 65-1996
6. 3. 1有下列情况之-时,应进行型式检验,a)新产品或老产品转厂生产的试制定型鉴定:b)正式生产后,如产品设计有较大改变,可能影响产品性能时,c)正常生产时,积累100台产量后,应周期性进行~次检验,d)停产兰年后恢复生产时;
e)出厂检验结果与上钦型式检验有较大差异时:f)国家技术监督机构提出进行型式检验的要求时。6.3.2型式检验的项目为本标准所有技术要求及产品质量特性重要度分级表中关键特性项目和重要特性项目。
6.3.3型式检验应在经出厂检验合格的产品中随机抽取,抽样率为10%。若整机数量少于10台时,则随机抽取一台。
6.4判定规则
6.4.1在各项检验中,检验结果符合本标准的规定时,则判定产品为合格。6.4.2在检验中,当某项指标未达到标准规定时,允许调试后进行复验,若复验两次仍达不到规定时,则判定产品为不合格。
?标志、包装、运输及贮存
7.1标志
7.1.1标志应符合GB2894和GB/T13306的有关规定。铭牌的内容至少应包括:a)产品型号及名称;
b)额定生产能力;
c)制造厂名称;
d)制造日期和出厂编号。
7.1.2包装、运输及贮存标志应符合YC/T10.12--1993中3.5的规定。7.2包装、运输及贮存
7.2.1包装应符合YC/T10.12的有关要求。7.2.2随机文件应符合YC/T11.2的有关规定。7.2.3运输、贮存应符合YC/T10.12一1993中第4章的规定。在开箱验货前,若采购方在露天放置包装箱时应采取防雨、水措施。
8产品贵任
产品责任宜在采购方与供方签订的合同中予以明确。注:建议至少在合同中明确:采购方在遵守本标准和使用说明书规定的条件下,整机自开箱验货确认无误之日起18个月内,若因制造质量而不能正常使用,供方应及时免费修理或更换。233
A1工作条件记录
工作条件记录见表A1。
产品型号、名称
制造厂名称
制造日期、出厂编号
测试地点、时间
测试人员(签字)
评价:
项目名称
环境温度
相对度
海拨高度
YC/T 65—1996
附录A
(标准的附录】
工作条件记录和验收记录
表 A1工作条件记录
型压梗机
标准规定
10℃~40℃
70%~80%
不高于 2 000 m
电源:3 N~50 Hz/TN-S
烟梗长度
压缩空气压力
燕汽压力
380V±38 V
50 Hz±1 Hz
不大于80mm
≥0.3MPa
≥0.4MPa
≥0. 8 MPa
按卷烟工艺规范》
中5.4.2的规定执行
A2验收记录
验收记录见表A2。
产品型号、名称
制造广名称
制造日期、出厂编号
验收地点、时间
结论:
项目名称
额定生产能力
有效运行率
YC/T 65---1996
表A2验收记录
型压梗机
标准规定
按表2规定
≥90%
整机运行正常,控制系统功能齐全稳定采购方代表(签字):
供方代表(签字):
采购方单位(签章):
供方单位(签章):
年月日
小提示:此标准内容仅展示完整标准里的部分截取内容,若需要完整标准请到上方自行免费下载完整标准文档。
标准图片预览:





- 热门标准
- 烟草行业标准(YC)
- YC/T288-2009 烟草及烟草制品 多元酸(草酸、苹果酸和柠檬酸)的测定 气相色谱法
- YC/T61-1996 烟草机械 WQ721~726型隧道式梗丝回潮机
- YC/T202-2006 烟草及烟草制品 多酚类化合物 绿原酸、莨菪亭和芸香苷的测定
- YC/T139-1998 卷烟 滤嘴总植物碱截留量的测定 光度法
- YC/T275-2008 卷烟纸中柠檬酸根离子、磷酸根离子和醋酸根离子的测定 离子色谱法
- YC/T79-1996 烟草机械 SJ11~18型加料机
- YC/T213.6-2006 烟草机械产品用物料分类和编码 第6部分:原、辅材料
- YC/T285-2009 卷烟 配方烟丝中薄荷醇的测定 气相色谱法
- YC/T44-1996 烟草国外引种技术规程
- YC/T210.2-2006 烟叶代码 第2部分:烟叶形态代码
- YC/T137.2-1998 复烤片烟包装 木夹板包装
- YC/T100-1996 烟草机械 ZJ15型卷接机组
- YC/T11.9-1996 烟草机械 产品图样及设计文件 计算机辅助设计总则
- YC/T188-2004 高速卷烟胶
- YC/T11.1-2006 烟草机械 产品图样及设计文件 第1部分:总则
- 行业新闻
请牢记:“bzxz.net”即是“标准下载”四个汉字汉语拼音首字母与国际顶级域名“.net”的组合。 ©2025 标准下载网 www.bzxz.net 本站邮件:bzxznet@163.com
网站备案号:湘ICP备2025141790号-2
网站备案号:湘ICP备2025141790号-2