- 您的位置:
- 标准下载网 >>
- 标准分类 >>
- 航天工业行业标准(QJ) >>
- QJ 1721.6-1989 压接端子和接头 HZ.J型中间接点
标准号:
QJ 1721.6-1989
标准名称:
压接端子和接头 HZ.J型中间接点
标准类别:
航天工业行业标准(QJ)
标准状态:
现行-
发布日期:
1989-03-03 -
实施日期:
1989-12-03 出版语种:
简体中文下载格式:
.rar.pdf下载大小:
337.26 KB
部分标准内容:
中华人民共和国航天工业部部标准压接端子和接头
HZ·J型中间接头
1主题内容与适用范围
QJ 1721.6-89
本标准规定了最高工作温度为105℃,压接导线截面范围(以下简称“压线范围\)为0.2~6.5mm2的HZ·J型接头的尺寸系列和技术要求。本标准适用于HZ·J型接头的制造2引用标准
GB1804公差与配合未注公差尺寸的极限偏差HG2-869聚酰胺1010树脂
QJ450金属涂覆层厚度系列与选择原则QJ1746压接端子和接头总技术条件3型号规格命名
接头型号规格命名见图1和QJ1746表2的规定,最大压接导线截面(mm2)
绝缘(有绝缘护套)
中间接头
有限位、尤观察穷门
航天工业部1989-03-03批准
1989-12-03实施
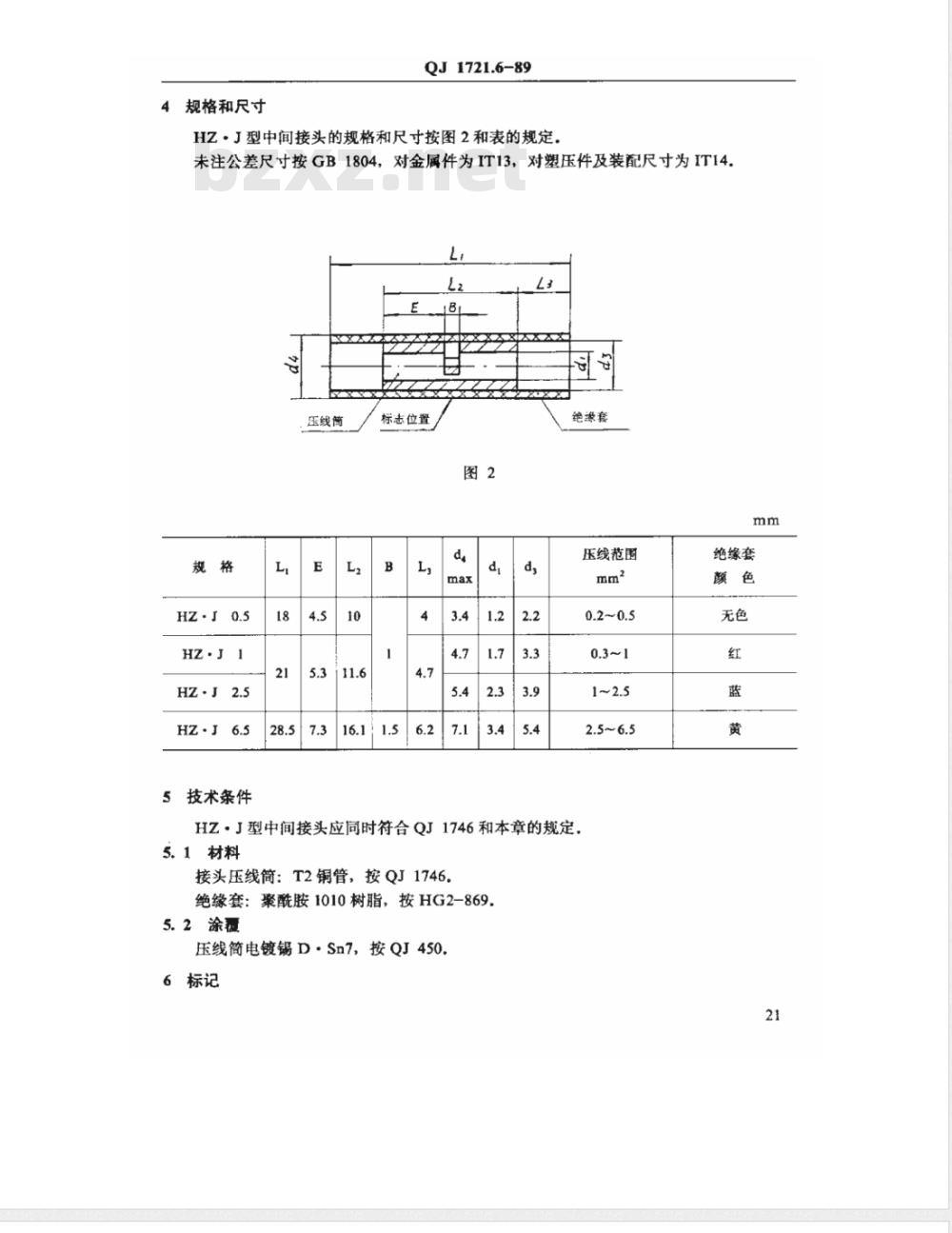
4规格和尺寸
QJ 1721.6-89
HZ·J型中间接头的规格和尺寸按图2和表的规定,未注公差尺寸按GB1804,对金属件为IT13,对塑压件及装配尺寸为IT14.L免费标准bzxz.net
压线簡
5技术条件
标志位置
绝源套
压线范围
HZ·J型中间接头应同时符合QJ1746和本章的规定,5.1材料
接头压线筒:T2铜管,按QJ1746。绝缘套:聚酰胺1010树脂,按HG2-869,5.2涂覆
压线简电镀锡D·Sn7,按QJ450.6标记
绝缘套
QJ1721.6-89
压线范围为0.2~0.5mm2的HZ·J型中间接头的标记示例为:接头HZ·J0.5QJ1721.6
附加说明:
本标准由航天部七○八所提出。本标准由航天部二院技术部负责起草,22
小提示:此标准内容仅展示完整标准里的部分截取内容,若需要完整标准请到上方自行免费下载完整标准文档。
HZ·J型中间接头
1主题内容与适用范围
QJ 1721.6-89
本标准规定了最高工作温度为105℃,压接导线截面范围(以下简称“压线范围\)为0.2~6.5mm2的HZ·J型接头的尺寸系列和技术要求。本标准适用于HZ·J型接头的制造2引用标准
GB1804公差与配合未注公差尺寸的极限偏差HG2-869聚酰胺1010树脂
QJ450金属涂覆层厚度系列与选择原则QJ1746压接端子和接头总技术条件3型号规格命名
接头型号规格命名见图1和QJ1746表2的规定,最大压接导线截面(mm2)
绝缘(有绝缘护套)
中间接头
有限位、尤观察穷门
航天工业部1989-03-03批准
1989-12-03实施
4规格和尺寸
QJ 1721.6-89
HZ·J型中间接头的规格和尺寸按图2和表的规定,未注公差尺寸按GB1804,对金属件为IT13,对塑压件及装配尺寸为IT14.L免费标准bzxz.net
压线簡
5技术条件
标志位置
绝源套
压线范围
HZ·J型中间接头应同时符合QJ1746和本章的规定,5.1材料
接头压线筒:T2铜管,按QJ1746。绝缘套:聚酰胺1010树脂,按HG2-869,5.2涂覆
压线简电镀锡D·Sn7,按QJ450.6标记
绝缘套
QJ1721.6-89
压线范围为0.2~0.5mm2的HZ·J型中间接头的标记示例为:接头HZ·J0.5QJ1721.6
附加说明:
本标准由航天部七○八所提出。本标准由航天部二院技术部负责起草,22
小提示:此标准内容仅展示完整标准里的部分截取内容,若需要完整标准请到上方自行免费下载完整标准文档。
标准图片预览:



- 热门标准
- 航天工业行业标准(QJ)
- QJ1943-1990 S01-3聚氨酯清漆涂装通用工艺
- QJA1796-1998 分离(脱落)电连接器通用规范
- QJ990.3-1986 涂层检验方法 涂层厚度检验方法
- QJ3132-2001 航天产品设计文件编写指南
- QJ2226-1992 星载行波管功率放大器 通用技术条件
- QJ903.17A-1995 航天产品工艺文件管理制度 焊接工艺文件编制规则
- QJ2016-1990 空气动力学大气环境基本物理参数的符号与代码
- QJ2136.3-1991 金属材料理化复验试样规定金相检验试样
- QJ2227-1992 航天用电子器件贮存和超期复验要求
- QJ982-1986 普通螺纹选用规定
- QJ1078.3-1992 2 JL 0.5--3型微型 (10mm X 10mm X 11mm) 高环境灵敏继电器详细规范
- QJ2221-1992 弹上应答机通用技术条件
- QJ2223-1992 液体火箭发动机振动测量 数据处理方法
- QJ2018-1990 集成电路型号命名方法
- QJ1953-1990 固体火箭发动机理论标准比冲计算
- 行业新闻
请牢记:“bzxz.net”即是“标准下载”四个汉字汉语拼音首字母与国际顶级域名“.net”的组合。 ©2025 标准下载网 www.bzxz.net 本站邮件:bzxznet@163.com
网站备案号:湘ICP备2025141790号-2
网站备案号:湘ICP备2025141790号-2