- 您的位置:
- 标准下载网 >>
- 标准分类 >>
- 航天工业行业标准(QJ) >>
- QJ 1284.1-1987 铝及铝合金轴向内槽管
标准号:
QJ 1284.1-1987
标准名称:
铝及铝合金轴向内槽管
标准类别:
航天工业行业标准(QJ)
标准状态:
现行-
发布日期:
1987-08-10 -
实施日期:
1988-04-01 出版语种:
简体中文下载格式:
.rar.pdf下载大小:
564.90 KB
相关标签:
铝合金
部分标准内容:
中华人民共和国航天工业部部标准QJ1284.1--87
铝及铝合金轴向内槽管
1987—08-10发布
1988—04—01实施
中华人民共和国航天工业部批准中华人民共和国航天工业部部标准铝及铝合金轴向内槽管
QJ1284.1—87
本标准适用于挤压生产的铝及铝合金轴间内槽管材。这种内槽管可用于轴向槽热管。1品种规格
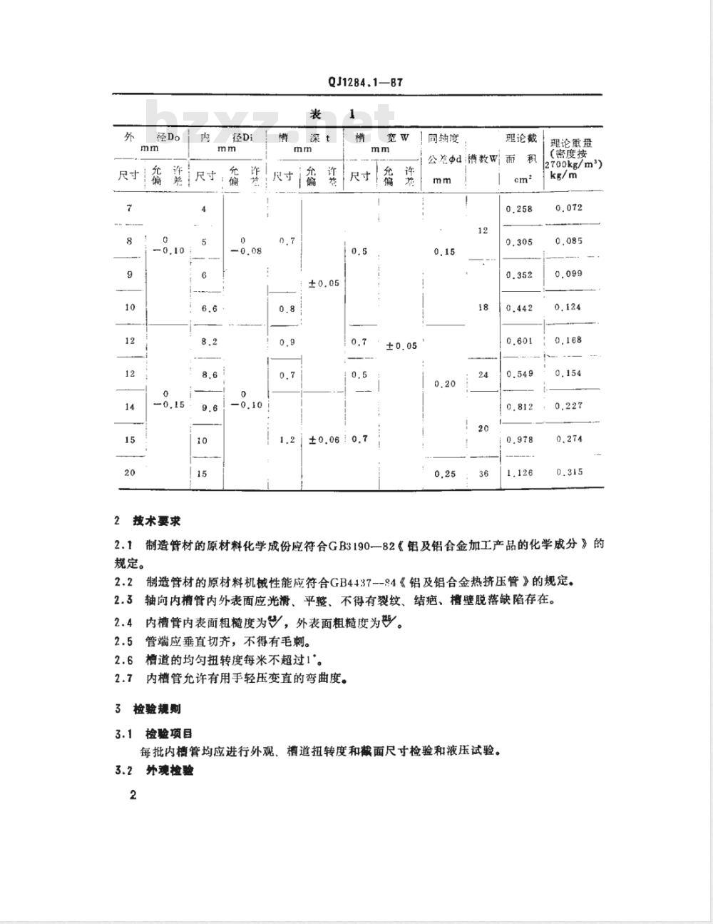
1.1内槽管材料的牌号为工业纯铝L2、L3、L4和防锈铝LF21,按热挤压状态(R)供应。1.2铝及铝合金轴向内槽管的截面形状和尺寸应符合图1和表1的规定。图
1.3横截面外部轮廓为非圆形的内槽管,其外部轮廊形状及尺寸可由供需双方协商确定,但内径、槽深、槽宽和槽数应按1.2。1.4标记示例:
L2热挤压状态、横截面外部轮廊为圆形,外径7inm、槽深0.7mm、槽宽0.5m、槽数12的轴向内槽管标记为:
轴向内槽管L2R圆形7×0.7×0.5×12QJ1284.1--87航天工业部1987—08—10发布
1988-—04—01实施
尺寸!
2技术要求
QJ1284.1—87
±0.0610.7
!同轴度
理论截
公差中d槽数w面
理论重量
(密度接
2700kg/m2)
2.1制造管材的原材料化学成份应符合GB3190—82《铝及铝合金加工产品的化学成分》的规定。
2.2制造管材的原材料机械性能应符合GB4437-84《铝及铝合金热挤压管》的规定。2.3轴向内槽管内外表面应光、苹整、不得有裂纹、结疤、槽壁脱落缺陷存在。2.4内槽管内表面粗糙度为,外表面粗糙度为。2.5管端应垂直切齐,不得有毛刺。2.6槽道的均匀扭转度每米不超过1°。2.7
内槽管允许有用手轻压变直的弯曲度。检验规则
3.1检验项目
每批内槽管均应进行外观、槽道扭转度和截面尺寸检验和液压试验。3.2外观检验
QJ1284.1—87
全部产品都应按2.3、2.4、2.5的要求进行外观检验。3.3槽遭扭转度检验
每批管材按根数抽样5%进行槽道扭转度检验·扭转度应符合2,6的要求。3.4截面尺寸检验
3.4.1每批管材取2%但不少于2根进行截面尺寸检验。从受验的每根管材上取一个试样进行检验。
3.4.2试样两端应存细研磨,轮廓清楚,无毛刺。3.4.3截面尺寸检验在投影仪或其他放大仪上进行。检验结果应符合1.2表中规定的尺寸要求。即使有一个试样不合格,则自该批中的其他管材取双倍数最试样进行重复检验,如重复检验仍有不合格的试样时,则全批报废。3.5液压试验Www.bzxZ.net
3.5.1每批管材取2根按GB241--82《金属管液压试验方法》进行液压试验。3.5.2试样在试验压力5×10°N/m条件下保持0.5小时。3.5.3即使有-一个试样的试验结果不合格,则自该批中的其他管材取双倍数量试样进行重复试验,若重复试验的结果仍有一个试样不合格时,则该批管材不予验收。4包装、标志、运输、贮存
4.1包装、运输和贮存按GR3199一82《铝及铝合金加工产品的包装、标志、运输、贮存》的规定。
4.2产品包装箱标志应符合GB3199一82的规定。4.3每批(箱)管材至少应拴五个具有供方技术监督部门检印、批号、牌号和供货状态的标签。
附加说明:
本标准由航天工业部第七○八研究所提出本标准由航天工业部第五研究院第五○一设计部起草。本标准主要起草人:文耀普。
小提示:此标准内容仅展示完整标准里的部分截取内容,若需要完整标准请到上方自行免费下载完整标准文档。
铝及铝合金轴向内槽管
1987—08-10发布
1988—04—01实施
中华人民共和国航天工业部批准中华人民共和国航天工业部部标准铝及铝合金轴向内槽管
QJ1284.1—87
本标准适用于挤压生产的铝及铝合金轴间内槽管材。这种内槽管可用于轴向槽热管。1品种规格
1.1内槽管材料的牌号为工业纯铝L2、L3、L4和防锈铝LF21,按热挤压状态(R)供应。1.2铝及铝合金轴向内槽管的截面形状和尺寸应符合图1和表1的规定。图
1.3横截面外部轮廓为非圆形的内槽管,其外部轮廊形状及尺寸可由供需双方协商确定,但内径、槽深、槽宽和槽数应按1.2。1.4标记示例:
L2热挤压状态、横截面外部轮廊为圆形,外径7inm、槽深0.7mm、槽宽0.5m、槽数12的轴向内槽管标记为:
轴向内槽管L2R圆形7×0.7×0.5×12QJ1284.1--87航天工业部1987—08—10发布
1988-—04—01实施
尺寸!
2技术要求
QJ1284.1—87
±0.0610.7
!同轴度
理论截
公差中d槽数w面
理论重量
(密度接
2700kg/m2)
2.1制造管材的原材料化学成份应符合GB3190—82《铝及铝合金加工产品的化学成分》的规定。
2.2制造管材的原材料机械性能应符合GB4437-84《铝及铝合金热挤压管》的规定。2.3轴向内槽管内外表面应光、苹整、不得有裂纹、结疤、槽壁脱落缺陷存在。2.4内槽管内表面粗糙度为,外表面粗糙度为。2.5管端应垂直切齐,不得有毛刺。2.6槽道的均匀扭转度每米不超过1°。2.7
内槽管允许有用手轻压变直的弯曲度。检验规则
3.1检验项目
每批内槽管均应进行外观、槽道扭转度和截面尺寸检验和液压试验。3.2外观检验
QJ1284.1—87
全部产品都应按2.3、2.4、2.5的要求进行外观检验。3.3槽遭扭转度检验
每批管材按根数抽样5%进行槽道扭转度检验·扭转度应符合2,6的要求。3.4截面尺寸检验
3.4.1每批管材取2%但不少于2根进行截面尺寸检验。从受验的每根管材上取一个试样进行检验。
3.4.2试样两端应存细研磨,轮廓清楚,无毛刺。3.4.3截面尺寸检验在投影仪或其他放大仪上进行。检验结果应符合1.2表中规定的尺寸要求。即使有一个试样不合格,则自该批中的其他管材取双倍数最试样进行重复检验,如重复检验仍有不合格的试样时,则全批报废。3.5液压试验Www.bzxZ.net
3.5.1每批管材取2根按GB241--82《金属管液压试验方法》进行液压试验。3.5.2试样在试验压力5×10°N/m条件下保持0.5小时。3.5.3即使有-一个试样的试验结果不合格,则自该批中的其他管材取双倍数量试样进行重复试验,若重复试验的结果仍有一个试样不合格时,则该批管材不予验收。4包装、标志、运输、贮存
4.1包装、运输和贮存按GR3199一82《铝及铝合金加工产品的包装、标志、运输、贮存》的规定。
4.2产品包装箱标志应符合GB3199一82的规定。4.3每批(箱)管材至少应拴五个具有供方技术监督部门检印、批号、牌号和供货状态的标签。
附加说明:
本标准由航天工业部第七○八研究所提出本标准由航天工业部第五研究院第五○一设计部起草。本标准主要起草人:文耀普。
小提示:此标准内容仅展示完整标准里的部分截取内容,若需要完整标准请到上方自行免费下载完整标准文档。
标准图片预览:




- 其它标准
- 热门标准
- 航天工业行业标准(QJ)
- QJ903-1A-1995 航天产品工艺文件管理制度
- QJA1796-1998 分离(脱落)电连接器通用规范
- QJ3307-2008 固体火箭发动机离心静止试验方法
- QJ946A-1996 减压阀规范
- QJ1943-1990 S01-3聚氨酯清漆涂装通用工艺
- QJ990.3-1986 涂层检验方法 涂层厚度检验方法
- QJ990.14-1986 涂层检验方法 涂层附着力检验方法
- QJ2078A-1998 电液伺服阀试验方法
- QJ903.17A-1995 航天产品工艺文件管理制度 焊接工艺文件编制规则
- QJ2226-1992 星载行波管功率放大器 通用技术条件
- QJ2076.16-1991 管道法兰 凹凸面管道法兰用铝垫片
- QJ1078.3-1992 2 JL 0.5--3型微型 (10mm X 10mm X 11mm) 高环境灵敏继电器详细规范
- QJ1145.3-1987 焊接夹具零件及部件 三角压板
- QJ982-1986 普通螺纹选用规定
- QJ2227-1992 航天用电子器件贮存和超期复验要求
- 行业新闻
请牢记:“bzxz.net”即是“标准下载”四个汉字汉语拼音首字母与国际顶级域名“.net”的组合。 ©2025 标准下载网 www.bzxz.net 本站邮件:bzxznet@163.com
网站备案号:湘ICP备2025141790号-2
网站备案号:湘ICP备2025141790号-2