- 您的位置:
- 标准下载网 >>
- 标准分类 >>
- 林业行业标准(LY) >>
- LY/T 1279-1998 聚氯乙烯薄膜饰面人造板
标准号:
LY/T 1279-1998
标准名称:
聚氯乙烯薄膜饰面人造板
标准类别:
林业行业标准(LY)
标准状态:
已作废-
发布日期:
1998-09-22 -
实施日期:
1998-12-01 -
作废日期:
2008-05-01 出版语种:
简体中文下载格式:
.rar.pdf下载大小:
194.83 KB
替代情况:
被LY/T 1279-2008替代采标情况:
JAS 1515-1989
点击下载
标准简介:
标准下载解压密码:www.bzxz.net
本标准规定了聚氯乙烯薄膜饰面人造板的定义、分类、技术要求、试验方法、检验规则、标志、包装运输和贮存。本标准适用于聚氯乙烯薄膜饰面人造板。 LY/T 1279-1998 聚氯乙烯薄膜饰面人造板 LY/T1279-1998
部分标准内容:
LY/T1279—1998
本标准非等效采用日本农林标准JAS特殊合板,1989年11月15日发布,农林水产省告示第1515本标准由全国人造板标准化技术委员会提出并归口。本标准由吉林省林业科学研究院负责起草。本标准主要起草人:李良、赵彩贵、王军、周纯洁、何超、李季平。本标准首次发布。
本标准委托全国人造板标准化技术委员会负责解释。15
1范围
中华人民共和国林业行业标准
聚氣乙烯薄膜饰面人造板
Decorative wood-based panel withpolyvinyl chloride film
LY/T 1279--1998
本标准规定了聚氯乙烯薄膜饰面人造板的定义、分类、技术要求、试验方法、检验规则、标志、包装、运输和贮存。
本标准适用于聚氯乙烯薄膜饰面人造板。2引用标准
下列标准所包含的条文,通过在本标准中引用而构成为本标准的条文。本标准出版时,所示版本均为有效。所有标准都会被修订,使用本标准的各方应探讨使用下列标准最新版本的可能性。GB/T2828一1987逐批检查计数抽样程序及抽样表(适用于连续批的检查)GB/T3830—1994聚氟乙烯薄膜塑料GB/T4897—1992刨花板
GB/T9846.1~9846.12—1988胶合板GB/T11718.1~11718.10—1989中密度纤维板GB/T12626.1~12626.9—1990硬质纤维板GB/T17657—1999人造板及饰面人造板理化性能试验方法3定义和分类
3.1定义
本标准采用下列定义。
聚氯乙烯薄膜饰面人造板:以人造板为基材,表面覆贴聚氯乙烯薄膜而制成的饰面板(简称PVC饰面板)。
3.2分类
3.2.1根据所用基材分:
a)PVC饰面胶合板;
b)PVC饰面硬质纤维板;
c)PVC饰面中密度纤维板;
d)PVC饰面刨花板。
3.2.2根据饰面分:
a)单饰面人造板;
b)双饰面人造板。
国家林业局1998-09-22发布
1998-12-01实施
4技术要求
4.1分等
LY/T1279—1998
PVC饰面板根据外观质量分为优等品、一等品、合格品三个等级。4.2规格尺寸及允许偏差
4.2.1幅面尺寸及允许偏差
PVC饰面板的幅面尺寸及允许偏差应符合表1规定。表1幅面尺寸及允许偏差
允许偏差
PVC 饰面刨花板和 PVC 饰面胶合板:+5PVC饰面中密度纤维板:士3
PVC饰面硬质纤维板长度:士5
PVC 饰面硬质纤维板宽度:士3
注:经供需双方协议可生产其他幅面尺寸的板。4.2.2厚度允许偏差
PVC饰面板各测量点的厚度允许偏差应符合表2规定。表2厚度及允许偏差
7. 0~≤20
20以上
4.3对角线差
PVC饰面板的对角线差应符合所用基材标推规定。4.4板边不直度
PVC饰面板的板边不直度应符合所用基材标准规定。4.5翘曲度
厚度6mm以上的PVC饰面板翘曲度不得大于1.0%。允许偏差
4.6PVC饰面板所用基材物理力学性能必须符合相应产品合格品以上质量标准要求。PVC饰面板所用聚氯乙烯薄膜应符合GB/T3830产品质量要求,4.7
PVC饰面板外观质量应符合表3规定。表3PVC饰面板外观质量要求
缺陷名称
PVC薄膜印刷色泽不匀
汽泡、鼓包
优等品
不许有
不许有
不许有
不许有
不许有
一等品
不许有
轻微,每平方米板面不超过2处
合格品
不明显
不明显
不明显,每平方米板面不超过3处不明显
缺陷名称
边角缺陷
优等品
不许有
不许有
公称尺寸
内不许有
LY/T 1279—1998
表3(完)
一等品
宽度不超过0.3mm,长度不超过100mm,每平方米板面总长度不超过300mm
不大于5 mm
合格品
最大面积不超过 15 mm2,每平方米板面不超过3处
宽度不超过 0.5mm,长度不超过100mm,每平方米板面不超过300mm
不大于5mm
注;轻微是指正常视力在距离板面0.5m以内可见到,不明显是指在距板面1 m可见到,明显是指在1m以远可见到。
4.9PVC饰面板的理化性能应符合表4规定。表4PVC饰面板理化性能表
检验项目
剥离力
耐划痕
耐磨性
耐干热
耐污染
5检验方法
外观质量检验
5.1.1检验环境要求
PVC饰面刨花板
PVC饰面胶合板
PVC饰面硬质纤维板
PVC饰面中密度纤维板
最低值40,平均值45
≥1.5试件表面无整圈划瘦
不起泡、无龟裂、不变色及光泽变化不显著无污染、无腐蚀
5.1.1.1检验台高度为700mm左右。5.1.1.2照明光源为40W日光灯管三支,灯管间距约400mm,灯管长度方向与板长方向一致,灯管距台面高度约2m。
5.1.1.3检验人员应在板长两端进行逐张检验,根据表3规定判定其等级。5.2规格尺寸检验
5.2.1量具
a)钢卷尺,精度为1.0mm;
b)钢板尺,精度为0.5mm
c)千分尺,精度为0.01mm。
5.2.2检验方法和结果表示
5.2.2.1长、宽检验
长度、宽度尺寸检验在板长和宽方向任意位置用钢卷尺测量,精确至1mm。5.2.2.2厚度检验
厚度的检验在板的四边距板边15mm以上的任意位置测量,精确至0.01mm。5.2.2.3对角线差的检验
用钢卷尺测量两对角线的长度,精确至1mm。5.2.2.4板边不直度检验
LY/T1279—1998
用钢卷尺的侧边(或线绳)对准板的两角并拉直,用钢板尺测量钢卷尺与板边最大距离,精确至0.5 mm。
5.2.2.5翘曲度的检验
将饰面板凹面向上放置在水平台面上,用钢卷尺的侧边或线绳)连接翘曲部位的两对角并拉直,用钢板尺量取最大弦高,精确至0.5mm。最大弦高与对角线长之比即为翘曲度,以百分数表示,精确至1%。
6试验方法
6.1试件制作和数量的规定
6.1.1以刨花板为基材的PVC饰面板的物理力学性能取样、试件制作和试验方法按GB/T4897-1992中的第5章试验方法进行。
6.1.2以硬质纤维板为基材的PVC饰面板的物理力学性能取样、试件制作和试验方法按GB/T12626.3和GB/T12626.6~12626.9进行。6.1.3以中密度纤维板为基材的PVC饰面板的物理力学性能取样、试件制作和试验方法按GB/T 11718.3~11718.10进行。
6.1.4以胶合板为基材的PVC饰面板的物理力学性能取样、试件制作和试验方法按GB/T9846.8~9846.12进行。
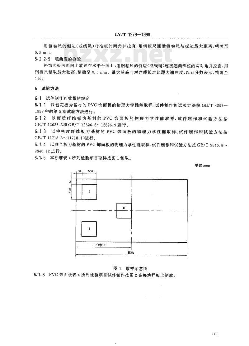
6.1.5本标准表4所列检验项目取样按图1制取。单位:mm
1/2板长
图1取样示意图
6.1.6PVC饰面板表4所列检验项目试件制作按图2在每块样板上制取。449
LY/T1279-1998
图2试件制作示意图
6.1.7试件尺寸、数量及编号见表5。100
表5PVC饰面板理化性能试件
检验项目
剥离力
耐干热
耐磨性
耐划痕
耐污染
试件尺寸,mm
100×25
200×200
100×100
100×100
100×100
试件数量
6.1.8试件制作要求边、角平直,长宽允许偏差为士0.5mm。6.2耐干热试验
测定方法按GB/T17657--1999中4.42进行。6.3剥离力测定
6.3.1仪器
万能试验机,量程0~10000N,精度1N。6.3.2步骤
单位:mm
试件编号
6.3.2.1将按本标准6.1.6制作的试件,距试件端10mm处开一槽,如图3所示。单位:mmwwW.bzxz.Net
PVC薄膜
图3剥离强度试件图
人造板基材
2按图4所示,将PVC薄膜反转180°剥离一定长度,将试件安放在试验机夹具内,以5mm/6. 3. 2.2
LY/T 1279—1998
min加荷速度拉伸,测量PVC薄膜与基材粘接的最大载荷,精确至1N。取九个试件的平均值。单位:mm
PVC薄膜
人造板基材
图4剥离强度试验示意图
6.4耐磨性能测定
按GB/T17657—1999中的4.38进行。6.5耐划痕性能测定
按GB/T17657---1999中的4.29进行。6.6耐污染性能测定
按GB/T17657—1999中的4.37进行。7检验规则
7.1检验分类
产品检验分出厂检验和型式检验。7.1.1出厂检验
a)外观质量检验;
b)规格尺寸检验;
c)本标准4.8所列项目。
7.1.2型式检验
型式检验包括出厂检验的全部项目和所用基材的物理力学检验项目,并按基材产品标准方法进行。有下列情况之一时,应进行型式检验:a)当原材料及生产工艺有较大变动时:b)不连续生产,间隔三个月再生产时,c)连续生产半年时;
d)质量监督检验机构提出型式检验要求时。7.2抽样方法和判定规则
7.2.1外观质量检验
采用GB/T2828中的正常二次抽样方案,检查水平为Ⅱ,合格质量水平为4.0,见表6。11
批量范围
151280
281~500
501~1200
1201~3200
7.2.2规格尺寸检验
LY/T 1279--1998
表6外观质量抽样方案表
样本大小
累计样本大小
合格判定数
不合格判定数
采用GB/T2828中的正常二次抽样方案,检查水平为I,合格质量水平为6.5,见表7。表7规格尺寸抽样方案表
批量范围
151~280
281~500
501~1200
1 201~3 200
7.2.3理化性能检验
7.2.3.1抽样按表8进行。
批量范围
1 001~2 000
2001~3000
≥3001
7.2.3.2检验结果的判断
样本大小
累计样本大小
表8理化性能抽样方案表
初查抽样张数
合格判定数
不合格判定数
复查抽样张数
理化性能检验结果的任一项不合格,则判定为不合格,允许在原检验批中随机加倍抽样,对不合格项进行复检,以复检结果为判断依据。7.3综合判断
产品的外观质量、规格尺寸和理化性能检验结果均应符合标准技术要求,否则应降等或为不合格7.4检验报告
检验报告应包括:
LY/T1279-1998
a)被检产品类别、等级、检验依据标准、检验类别等;b)检验结果及其结论;
c)检验过程中所出现的各种异常情况以及有必要说明的问题。8标志、包装、贮存和运输
8.1标志
PVC饰面板应在每张板的适当位置标记制造厂名、产品名称、产品类别、等级、生产日期。8.2包装
8.2.1PVC饰面板要采取必要的包装,避免搬运过程中造成各种损伤。8.2.2每一成品包必须注明生产厂名、产品名称、规格、等级、数量、生产日期。8.3贮存
8.3.1产品存放基础必须平整,放置整齐,板面不得直接与地面接触,地面应放置厚度不小于50mm等厚垫条,垫条间距不得大于500mm。8.3.2存放地点应远离火源。
8.4运输
产品运输过程中应避免人为损伤,防止受潮、雨淋和曝晒。453
小提示:此标准内容仅展示完整标准里的部分截取内容,若需要完整标准请到上方自行免费下载完整标准文档。
本标准非等效采用日本农林标准JAS特殊合板,1989年11月15日发布,农林水产省告示第1515本标准由全国人造板标准化技术委员会提出并归口。本标准由吉林省林业科学研究院负责起草。本标准主要起草人:李良、赵彩贵、王军、周纯洁、何超、李季平。本标准首次发布。
本标准委托全国人造板标准化技术委员会负责解释。15
1范围
中华人民共和国林业行业标准
聚氣乙烯薄膜饰面人造板
Decorative wood-based panel withpolyvinyl chloride film
LY/T 1279--1998
本标准规定了聚氯乙烯薄膜饰面人造板的定义、分类、技术要求、试验方法、检验规则、标志、包装、运输和贮存。
本标准适用于聚氯乙烯薄膜饰面人造板。2引用标准
下列标准所包含的条文,通过在本标准中引用而构成为本标准的条文。本标准出版时,所示版本均为有效。所有标准都会被修订,使用本标准的各方应探讨使用下列标准最新版本的可能性。GB/T2828一1987逐批检查计数抽样程序及抽样表(适用于连续批的检查)GB/T3830—1994聚氟乙烯薄膜塑料GB/T4897—1992刨花板
GB/T9846.1~9846.12—1988胶合板GB/T11718.1~11718.10—1989中密度纤维板GB/T12626.1~12626.9—1990硬质纤维板GB/T17657—1999人造板及饰面人造板理化性能试验方法3定义和分类
3.1定义
本标准采用下列定义。
聚氯乙烯薄膜饰面人造板:以人造板为基材,表面覆贴聚氯乙烯薄膜而制成的饰面板(简称PVC饰面板)。
3.2分类
3.2.1根据所用基材分:
a)PVC饰面胶合板;
b)PVC饰面硬质纤维板;
c)PVC饰面中密度纤维板;
d)PVC饰面刨花板。
3.2.2根据饰面分:
a)单饰面人造板;
b)双饰面人造板。
国家林业局1998-09-22发布
1998-12-01实施
4技术要求
4.1分等
LY/T1279—1998
PVC饰面板根据外观质量分为优等品、一等品、合格品三个等级。4.2规格尺寸及允许偏差
4.2.1幅面尺寸及允许偏差
PVC饰面板的幅面尺寸及允许偏差应符合表1规定。表1幅面尺寸及允许偏差
允许偏差
PVC 饰面刨花板和 PVC 饰面胶合板:+5PVC饰面中密度纤维板:士3
PVC饰面硬质纤维板长度:士5
PVC 饰面硬质纤维板宽度:士3
注:经供需双方协议可生产其他幅面尺寸的板。4.2.2厚度允许偏差
PVC饰面板各测量点的厚度允许偏差应符合表2规定。表2厚度及允许偏差
7. 0~≤20
20以上
4.3对角线差
PVC饰面板的对角线差应符合所用基材标推规定。4.4板边不直度
PVC饰面板的板边不直度应符合所用基材标准规定。4.5翘曲度
厚度6mm以上的PVC饰面板翘曲度不得大于1.0%。允许偏差
4.6PVC饰面板所用基材物理力学性能必须符合相应产品合格品以上质量标准要求。PVC饰面板所用聚氯乙烯薄膜应符合GB/T3830产品质量要求,4.7
PVC饰面板外观质量应符合表3规定。表3PVC饰面板外观质量要求
缺陷名称
PVC薄膜印刷色泽不匀
汽泡、鼓包
优等品
不许有
不许有
不许有
不许有
不许有
一等品
不许有
轻微,每平方米板面不超过2处
合格品
不明显
不明显
不明显,每平方米板面不超过3处不明显
缺陷名称
边角缺陷
优等品
不许有
不许有
公称尺寸
内不许有
LY/T 1279—1998
表3(完)
一等品
宽度不超过0.3mm,长度不超过100mm,每平方米板面总长度不超过300mm
不大于5 mm
合格品
最大面积不超过 15 mm2,每平方米板面不超过3处
宽度不超过 0.5mm,长度不超过100mm,每平方米板面不超过300mm
不大于5mm
注;轻微是指正常视力在距离板面0.5m以内可见到,不明显是指在距板面1 m可见到,明显是指在1m以远可见到。
4.9PVC饰面板的理化性能应符合表4规定。表4PVC饰面板理化性能表
检验项目
剥离力
耐划痕
耐磨性
耐干热
耐污染
5检验方法
外观质量检验
5.1.1检验环境要求
PVC饰面刨花板
PVC饰面胶合板
PVC饰面硬质纤维板
PVC饰面中密度纤维板
最低值40,平均值45
≥1.5试件表面无整圈划瘦
不起泡、无龟裂、不变色及光泽变化不显著无污染、无腐蚀
5.1.1.1检验台高度为700mm左右。5.1.1.2照明光源为40W日光灯管三支,灯管间距约400mm,灯管长度方向与板长方向一致,灯管距台面高度约2m。
5.1.1.3检验人员应在板长两端进行逐张检验,根据表3规定判定其等级。5.2规格尺寸检验
5.2.1量具
a)钢卷尺,精度为1.0mm;
b)钢板尺,精度为0.5mm
c)千分尺,精度为0.01mm。
5.2.2检验方法和结果表示
5.2.2.1长、宽检验
长度、宽度尺寸检验在板长和宽方向任意位置用钢卷尺测量,精确至1mm。5.2.2.2厚度检验
厚度的检验在板的四边距板边15mm以上的任意位置测量,精确至0.01mm。5.2.2.3对角线差的检验
用钢卷尺测量两对角线的长度,精确至1mm。5.2.2.4板边不直度检验
LY/T1279—1998
用钢卷尺的侧边(或线绳)对准板的两角并拉直,用钢板尺测量钢卷尺与板边最大距离,精确至0.5 mm。
5.2.2.5翘曲度的检验
将饰面板凹面向上放置在水平台面上,用钢卷尺的侧边或线绳)连接翘曲部位的两对角并拉直,用钢板尺量取最大弦高,精确至0.5mm。最大弦高与对角线长之比即为翘曲度,以百分数表示,精确至1%。
6试验方法
6.1试件制作和数量的规定
6.1.1以刨花板为基材的PVC饰面板的物理力学性能取样、试件制作和试验方法按GB/T4897-1992中的第5章试验方法进行。
6.1.2以硬质纤维板为基材的PVC饰面板的物理力学性能取样、试件制作和试验方法按GB/T12626.3和GB/T12626.6~12626.9进行。6.1.3以中密度纤维板为基材的PVC饰面板的物理力学性能取样、试件制作和试验方法按GB/T 11718.3~11718.10进行。
6.1.4以胶合板为基材的PVC饰面板的物理力学性能取样、试件制作和试验方法按GB/T9846.8~9846.12进行。
6.1.5本标准表4所列检验项目取样按图1制取。单位:mm
1/2板长
图1取样示意图
6.1.6PVC饰面板表4所列检验项目试件制作按图2在每块样板上制取。449
LY/T1279-1998
图2试件制作示意图
6.1.7试件尺寸、数量及编号见表5。100
表5PVC饰面板理化性能试件
检验项目
剥离力
耐干热
耐磨性
耐划痕
耐污染
试件尺寸,mm
100×25
200×200
100×100
100×100
100×100
试件数量
6.1.8试件制作要求边、角平直,长宽允许偏差为士0.5mm。6.2耐干热试验
测定方法按GB/T17657--1999中4.42进行。6.3剥离力测定
6.3.1仪器
万能试验机,量程0~10000N,精度1N。6.3.2步骤
单位:mm
试件编号
6.3.2.1将按本标准6.1.6制作的试件,距试件端10mm处开一槽,如图3所示。单位:mmwwW.bzxz.Net
PVC薄膜
图3剥离强度试件图
人造板基材
2按图4所示,将PVC薄膜反转180°剥离一定长度,将试件安放在试验机夹具内,以5mm/6. 3. 2.2
LY/T 1279—1998
min加荷速度拉伸,测量PVC薄膜与基材粘接的最大载荷,精确至1N。取九个试件的平均值。单位:mm
PVC薄膜
人造板基材
图4剥离强度试验示意图
6.4耐磨性能测定
按GB/T17657—1999中的4.38进行。6.5耐划痕性能测定
按GB/T17657---1999中的4.29进行。6.6耐污染性能测定
按GB/T17657—1999中的4.37进行。7检验规则
7.1检验分类
产品检验分出厂检验和型式检验。7.1.1出厂检验
a)外观质量检验;
b)规格尺寸检验;
c)本标准4.8所列项目。
7.1.2型式检验
型式检验包括出厂检验的全部项目和所用基材的物理力学检验项目,并按基材产品标准方法进行。有下列情况之一时,应进行型式检验:a)当原材料及生产工艺有较大变动时:b)不连续生产,间隔三个月再生产时,c)连续生产半年时;
d)质量监督检验机构提出型式检验要求时。7.2抽样方法和判定规则
7.2.1外观质量检验
采用GB/T2828中的正常二次抽样方案,检查水平为Ⅱ,合格质量水平为4.0,见表6。11
批量范围
151280
281~500
501~1200
1201~3200
7.2.2规格尺寸检验
LY/T 1279--1998
表6外观质量抽样方案表
样本大小
累计样本大小
合格判定数
不合格判定数
采用GB/T2828中的正常二次抽样方案,检查水平为I,合格质量水平为6.5,见表7。表7规格尺寸抽样方案表
批量范围
151~280
281~500
501~1200
1 201~3 200
7.2.3理化性能检验
7.2.3.1抽样按表8进行。
批量范围
1 001~2 000
2001~3000
≥3001
7.2.3.2检验结果的判断
样本大小
累计样本大小
表8理化性能抽样方案表
初查抽样张数
合格判定数
不合格判定数
复查抽样张数
理化性能检验结果的任一项不合格,则判定为不合格,允许在原检验批中随机加倍抽样,对不合格项进行复检,以复检结果为判断依据。7.3综合判断
产品的外观质量、规格尺寸和理化性能检验结果均应符合标准技术要求,否则应降等或为不合格7.4检验报告
检验报告应包括:
LY/T1279-1998
a)被检产品类别、等级、检验依据标准、检验类别等;b)检验结果及其结论;
c)检验过程中所出现的各种异常情况以及有必要说明的问题。8标志、包装、贮存和运输
8.1标志
PVC饰面板应在每张板的适当位置标记制造厂名、产品名称、产品类别、等级、生产日期。8.2包装
8.2.1PVC饰面板要采取必要的包装,避免搬运过程中造成各种损伤。8.2.2每一成品包必须注明生产厂名、产品名称、规格、等级、数量、生产日期。8.3贮存
8.3.1产品存放基础必须平整,放置整齐,板面不得直接与地面接触,地面应放置厚度不小于50mm等厚垫条,垫条间距不得大于500mm。8.3.2存放地点应远离火源。
8.4运输
产品运输过程中应避免人为损伤,防止受潮、雨淋和曝晒。453
小提示:此标准内容仅展示完整标准里的部分截取内容,若需要完整标准请到上方自行免费下载完整标准文档。
标准图片预览:





- 热门标准
- 林业行业标准(LY)
- LY/T1863-2009 自然保护区生态旅游评价指标
- LY/T1185-1996 国有林区标准化苗圃
- LY/T1143-2006 饰面用浸渍胶膜纸
- LY/T2115-2013 油茶饼粕有机肥
- LY/T1633-2005 中国水仙种球生产技术规程和质量等级
- LY/T1444.3-2005 林区木材生产能耗 第3部分:集材机械燃料消耗量
- LY/T1640-2005 药用单宁酸
- LY/T1171-1995 湿粘性单板封边胶纸带
- LY/T1257-1999 森林土壤浸提性铁、铝、锰、硅、碳的测定
- LY1120-1993 保鲜山野菜
- LY/T1357-2008 歧化松香
- LY/T1690-2007 低效林改造技术规程
- LY/T1646-2005 森林采伐作业规程
- LY/T1683-2006 中国野生植物受威胁等级划分标准
- LY/T1918-2010 野生动物饲养管理技术规程
- 行业新闻
请牢记:“bzxz.net”即是“标准下载”四个汉字汉语拼音首字母与国际顶级域名“.net”的组合。 ©2025 标准下载网 www.bzxz.net 本站邮件:bzxznet@163.com
网站备案号:湘ICP备2025141790号-2
网站备案号:湘ICP备2025141790号-2